EasyManua.ls Logo

Icom IC-R10

Icom IC-R10
56 pages
To Next Page IconTo Next Page
To Next Page IconTo Next Page
To Previous Page IconTo Previous Page
To Previous Page IconTo Previous Page
Loading...
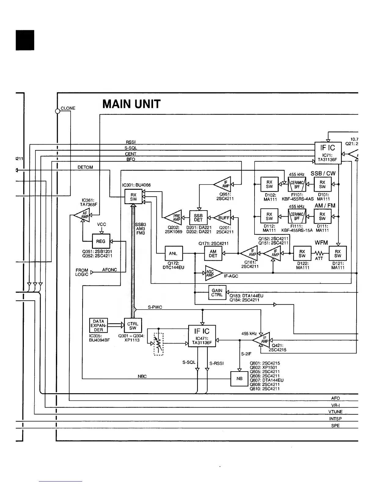
Q801:2SC4215
Q802:XP1501
Q805:
2SC421
1
Q806:
2SC421
1
Q807: DTA144EU
Q808:
2SC421
1
Q810:
2SC4211
AFO
VR-I
VTUNE
INTSP

Other manuals for Icom IC-R10

Related product manuals