EasyManua.ls Logo

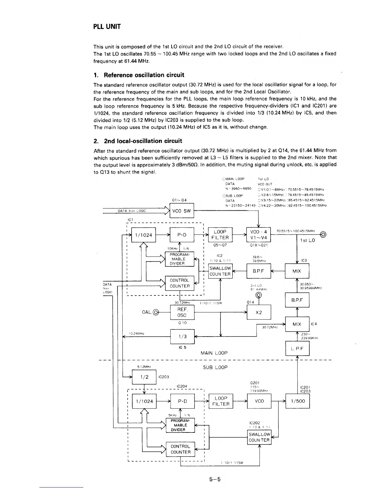
Icom IC-R71 - Reference Oscillation Circuit; 2 Nd Local-Oscillation Circuit

Icom IC-R71
101 pages
Print Icon
To Next Page IconTo Next Page
To Next Page IconTo Next Page
To Previous Page IconTo Previous Page
To Previous Page IconTo Previous Page
Loading...

Table of Contents

Related product manuals