EasyManua.ls Logo

IDEAL Concord CXA 70/H - Pump

IDEAL Concord CXA 70/H
32 pages
Print Icon
To Next Page IconTo Next Page
To Next Page IconTo Next Page
To Previous Page IconTo Previous Page
To Previous Page IconTo Previous Page
Loading...
6
Concord CXA/H - Installation and Servicing
GENERAL
Particular reference should be made to BS. 6644: Section 2;
Subsection 10 and Guidance note PM5 "Automatically
controlled steam and hot water boilers" published by the
Health and Safety Executive.
The information and guidance given below is not intended
to override any requirements of either of the above
publications or the requirements of the local authority, gas or
water undertakings.
Other British Standards applicable are BS.5422 and
BS.6700.
The information provided is based on the following
assumptions:
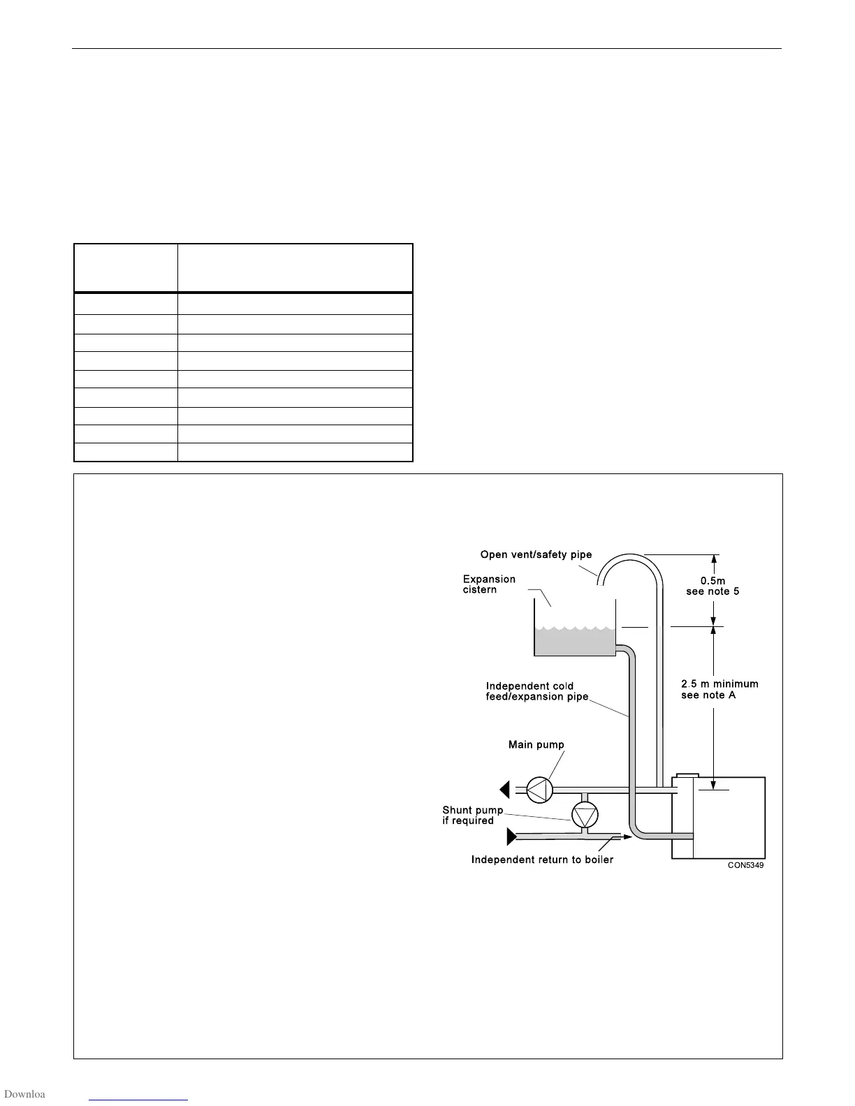
1. An independent open vent/safety pipe connection is
made to the redundant boiler flow tapping or is
positioned immediately after the system flow pipe
connection to the header, as shown.
2. An independent cold feed/expansion pipe connection is
made to the redundant boiler return tapping. Cold feed/
expansion pipe connections made to the pumped
system return will result in an increase in the static head
requirement, caused by the additional resistance of the
distributor tube. Surging may also increase.
3. The maximum flow rate through the boiler is based on a
temperature difference of 11 °C at full boiler output and
the circulating pump is positioned in the flow to the
system.
4. The boiler is at the highest point of circulation in the
system. Systems designed to rise above the boiler flow
Note A. This minimum height must be
increased, if necessary, to comply with the
minimum head required by the pump
manufacturer in order to avoid cavitation.
Note B. This diagram does not show safety
valves, water flow switches, etc., necessary for
the safe operation of the system.
tappings will automatically require a minimum static head higher
than that shown.
5. The position of the open vent/safety pipe above the expansion
cistern water level is given as a guide only. The final position will
depend upon the particular characteristics of the system. Pumping
over of water into the expansion cistern must be avoided.
The above circuit capacity during pump overrun may be
achieved either by provision of an adequate bypass circuit
or by ensuring that a zone of suitable size is open for
circulation during this period by relevant control of zone
valves or pumps.
The wiring diagrams in Frames 17, 18 & 19 illustrate the
control methods for achieving the above.
3. Pump selection should take account of the hydraulic
resistance given in Graph 2.
PUMP POSITIONS
Whenever practically possible the circulating pump(s) should be
positioned so that it pressurises the system being served. The
vertical distance between the pump(s) and any cold feed and
expansion cistern MUST comply with the pump manufacturers
requirements in order to avoid cavitation. These requirements
override the information given in Frame 3 if the static head required
for the pump(s) exceeds that required for the boiler.
MINIMUM FLOW OF WATER - Refer to Table 4
The system design must provide for an adequate flow rate through
the boiler at all times when the boiler is firing. The minimum flow
rate should correspond to a temperature difference across the
boiler flow and return of 35
o
C (63
o
F), assessed at catalogue
rating.
3
OPEN VENTED SYSTEMS - Minimum static head requirements
WATER TREATMENT FOR HOT WATER AND
HEATING BOILERS
There is a basic need to treat the water contained in all heating
and indirect water systems, particularly open vented systems. It is
assumed, incorrectly, that because boilers are operating in
conjunction with what is apparently a closed circuit an open vented
system will not, under normal circumstances, allow damage or
loss of efficiency due to hardness salts and corrosion once the
initial charge of water has been heated up a few times.
1mm of lime reduces the heat transfer from metal to water by 10%.
Table 4 - Flow rates for fully pumped systems
Boiler Minimum flow rates for a
temperature difference of 35
0
C (63
0
F)
l/s g.p.m.
CXA 40/H 0.28 3.7
CXA 50/H 0.34 4.5
CXA 60/H 0.41 5.4
CXA 70/H 0.48 6.3
CXA 80/H 0.55 7.3
CXA 90/H 0.62 8.2
CXA 100/H 0.68 9
CXA 110/H 0.75 9.9
CXA 120/H 0.82 10.9
CON5349

Related product manuals