EasyManua.ls Logo

IDEAL icos system HE15 - Page 33

IDEAL icos system HE15
68 pages
Print Icon
To Next Page IconTo Next Page
To Next Page IconTo Next Page
To Previous Page IconTo Previous Page
To Previous Page IconTo Previous Page
Loading...
33
INSTALLATION
icos system - Installation and Servicing
Dry fire
thermistor
nm9437b
y
v
r
bk
39
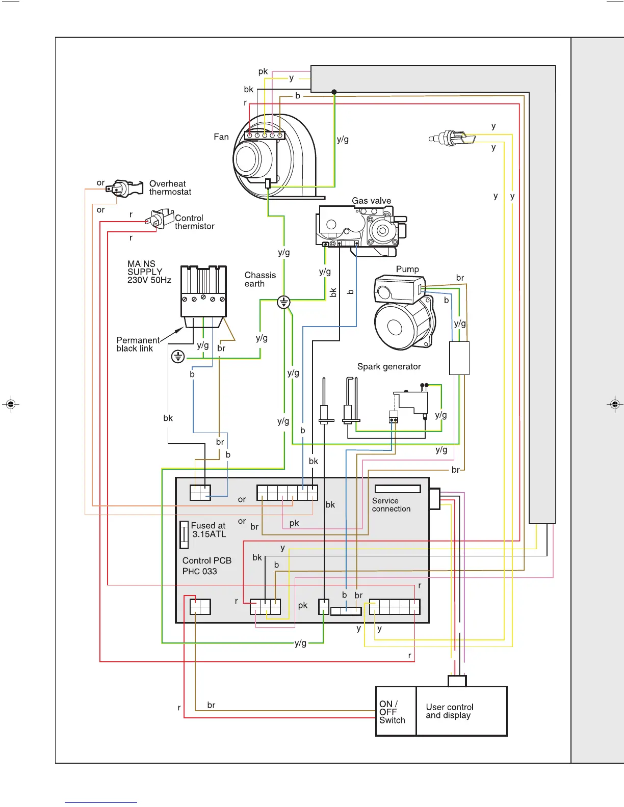
PICTORIAL WIRING DIAGRAM
LEGEND
b-blue
bk - black
br - brown
gy - grey
or - orange
pk - pink
r-red
v-violet
w-white
y-yellow
y/g - yellow/green
INSTALLATION

Other manuals for IDEAL icos system HE15

Related product manuals