EasyManua.ls Logo

IFM Electronic Efector 100 - Function and Features; Installation

IFM Electronic Efector 100
5 pages
Print Icon
To Next Page IconTo Next Page
To Next Page IconTo Next Page
To Previous Page IconTo Previous Page
To Previous Page IconTo Previous Page
Loading...
2
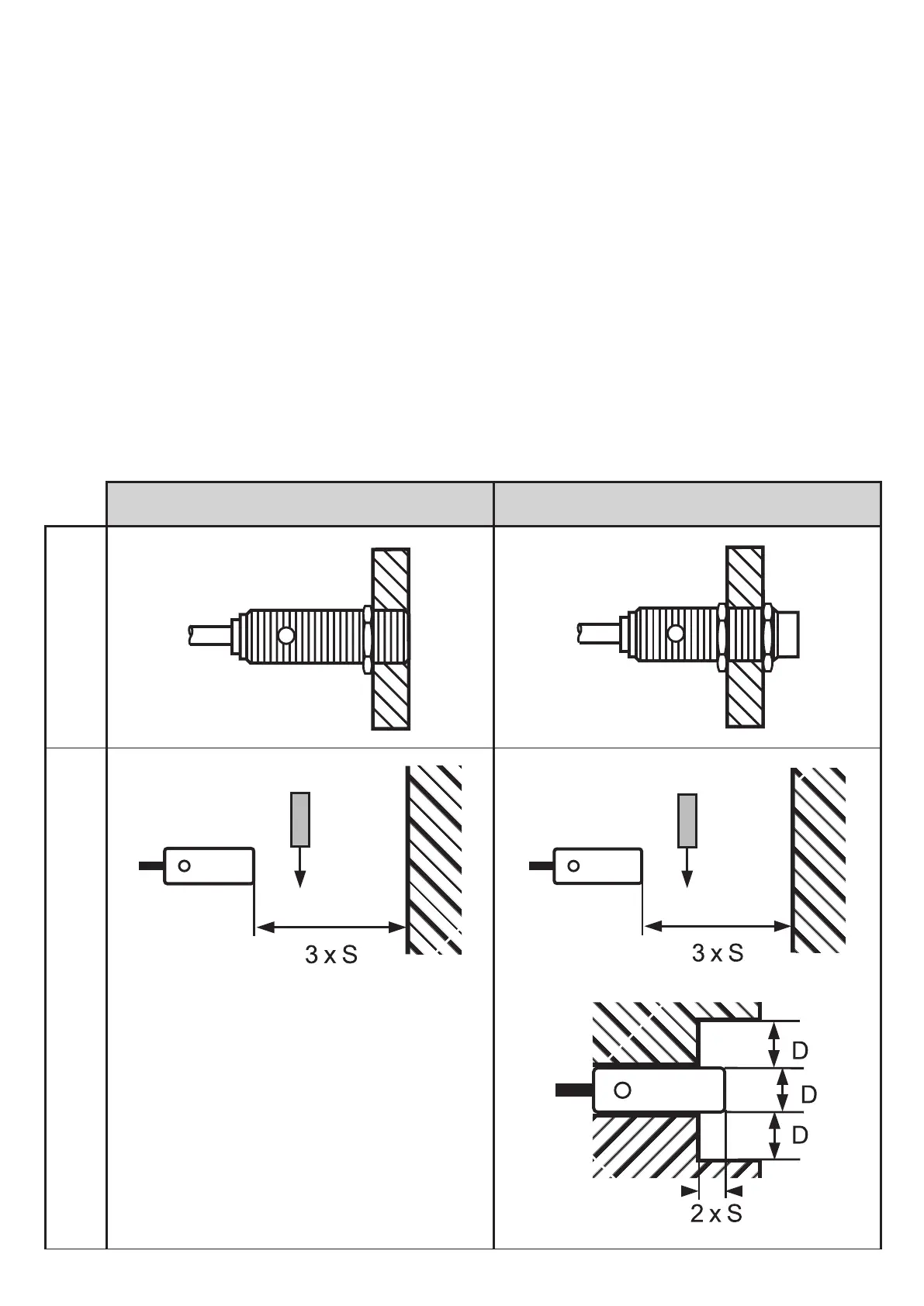
Function and features
This sensor detects metals without contact and indicates their presence by
providing a switched signal. Nominal sensing range (Sn) see type label; (value
based on standard measurement with mild steel; a shorter sensing range for other
metals).
Installation
• Flushornon-flushinstallation(seetypelabel:Sn=XmmforXmmnf)
(→fig.1)
• Openspacearoundthesensingfacewhenmountedinmetal(→fig.2).
• Minimumdistancewhenseveralsensorsofthesametypearemounted
(→fig.3,4).
Sn = x mm f Sn = x mm nf
1
2
n
n
n

Related product manuals