EasyManua.ls Logo

IHI 15VX - CONTROLS AND INSTRUMENTS

Default Icon
110 pages
Print Icon
To Next Page IconTo Next Page
To Next Page IconTo Next Page
To Previous Page IconTo Previous Page
To Previous Page IconTo Previous Page
Loading...
2 – 2
OPERATION
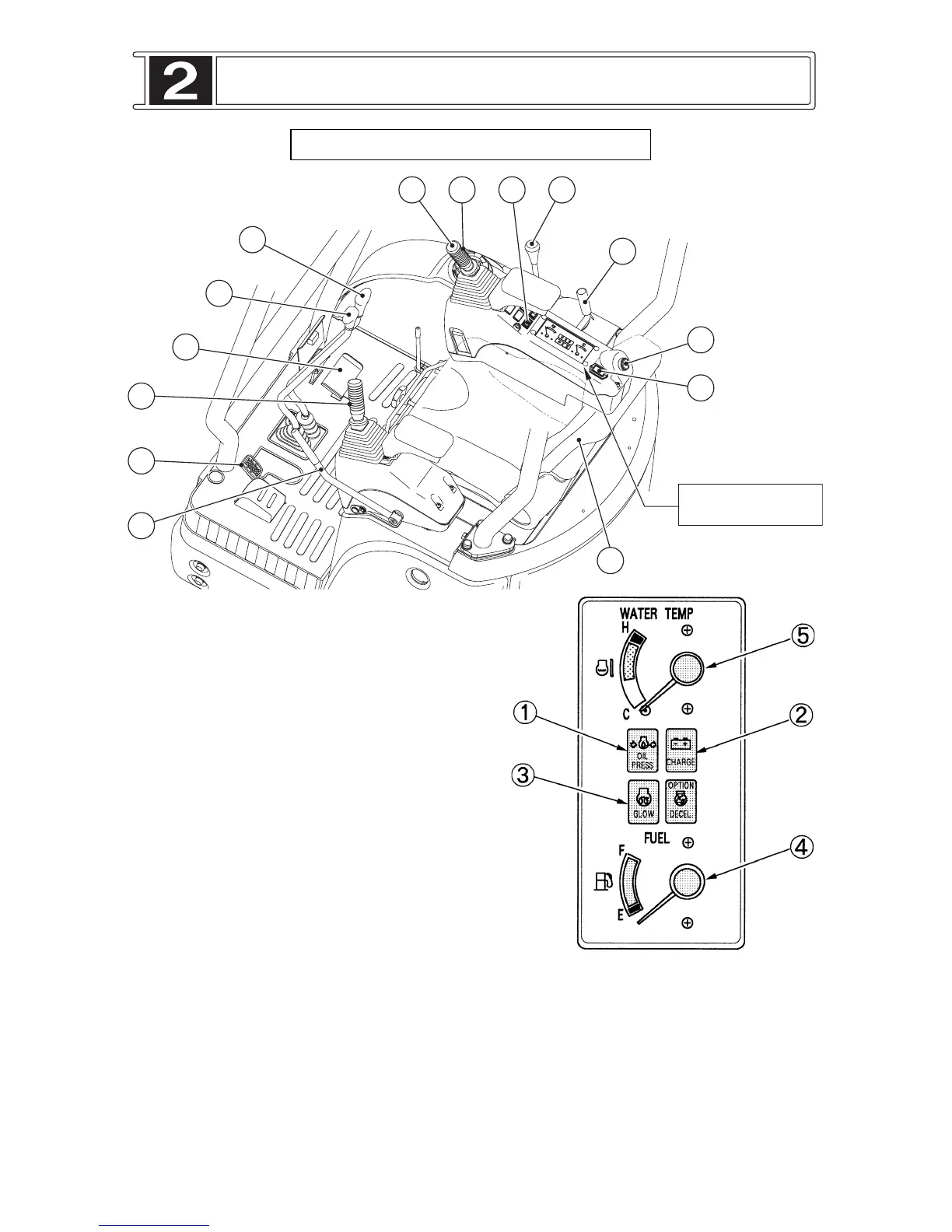
2-2 CONTROLS AND INSTRUMENTS
(1) Engine Oil Pressure
Warning Lamp
(2) Charge Warning Lamp
(3) Heat Indicate Lamp
(4) Fuel Level Gauge
(5) Water Temp. Gauge
(6) Service Hour Meter
(7) Light Switch
(8) Engine Start Switch
(9) Horn Switch
(10) Control Shut-Off Lever
(11) Left Operating Lever
(12) Right Operating Lever
(13) Engine Throttle Lever
(14) Travel Lever
(15) High Speed Travel Pedal
(16) Blade Lever
(17) Boom Swing Pedal
(18) Operator’s Seat
(19) Seat Belt
9
12
7
16
13
8
6
10
18
15
11
17
14
14
ELECTRONIC
MONITOR PANEL

Related product manuals