EasyManua.ls Logo

Ikegami BS-79 - Page 16

Ikegami BS-79
52 pages
Print Icon
To Next Page IconTo Next Page
To Next Page IconTo Next Page
To Previous Page IconTo Previous Page
To Previous Page IconTo Previous Page
Loading...
3. INSTALLATION AND CONNECTION 3 - 3
BS-79 0212 VOL1 (U) (E) BS-79
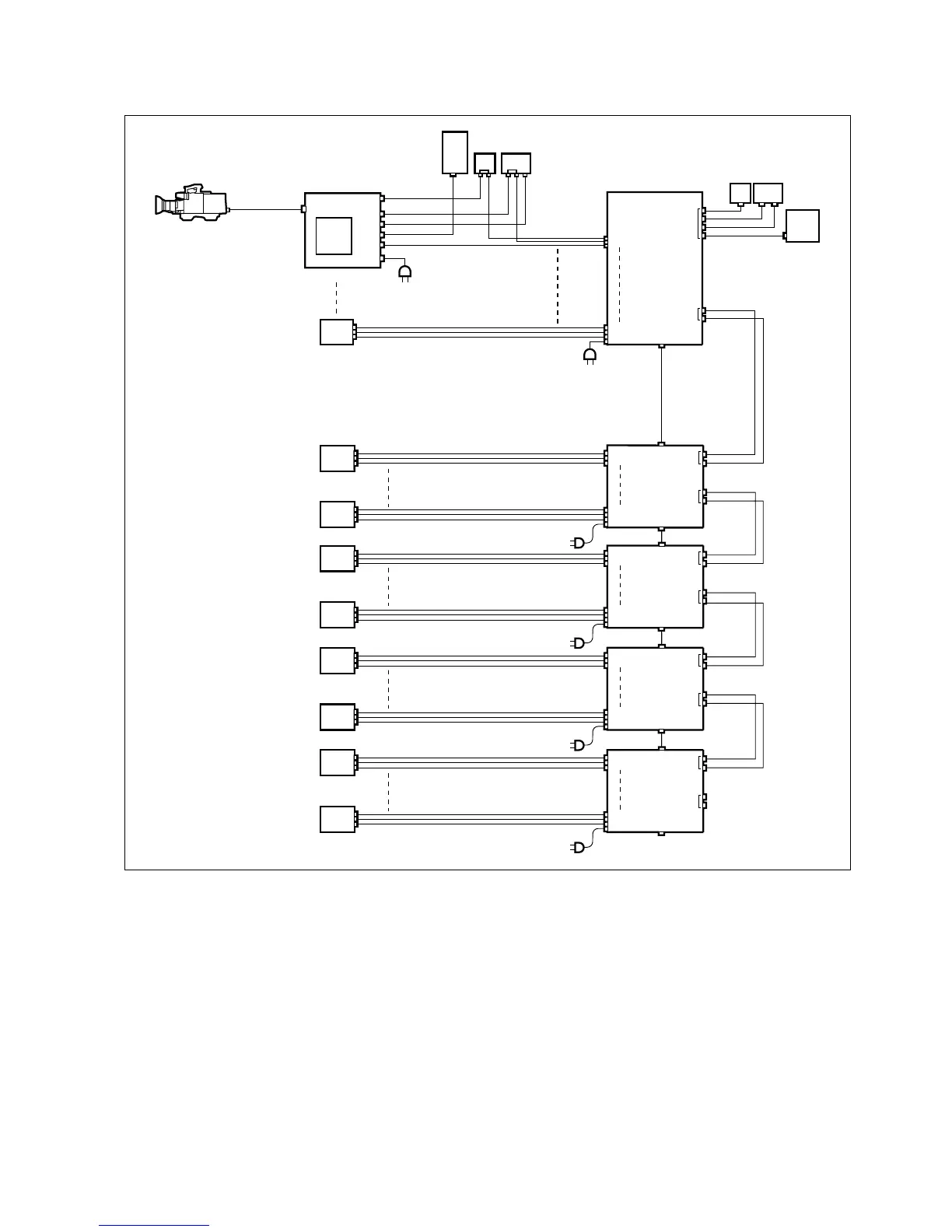
Example 4. Remote operation (using 40 camera heads)
PM
WFM
WFM REMOTE
MCP/CCP
OCP/CCP
BS-79
RBK
-79
AC IN
AC IN
HDK-79D/E + FA-79
OCP
OUT
CSU-1
CSU-2
CSU-3
CSU-4
CSU-5
PM
WFM
WFM CONT
COMM
MCP
IN
BS-1
BS-8
WFMPM
PM , WFM , MCP/CCP
BS-8
PM
WFM
BS-1
OUT
IN
BS-16
BS-16
BS-9
BS-9
WFM
PM
OUT
IN
BS-24
BS-24
BS-17
BS-17
WFM
PM
COMM
COMM
OUT
IN
BS-32
BS-32
BS-25
BS-25
WFM
PM
COMM
OUT
IN
BS-40
BS-33
BS-33
BS-40
PM
WFM
CSU
CSU
CSU
CSU
CSU