EasyManua.ls Logo

Immergas EOLO Mini - Operating with the Remote Control

Immergas EOLO Mini
48 pages
Print Icon
To Next Page IconTo Next Page
To Next Page IconTo Next Page
To Previous Page IconTo Previous Page
To Previous Page IconTo Previous Page
Loading...
23
STEMkW Special ed 01/08 EOLO Mini kW Special
Technical Documentation
Technical Documentation
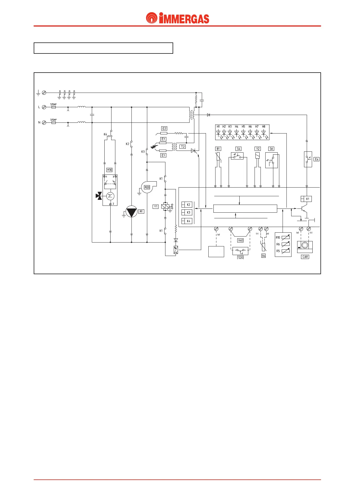
Electrical circuit.
Central heating phase.
Operating with a room thermostat.
With the main switch (R10) on “WINTER” operation in the
central heating mode is enabled.
When the room thermostat contact closes (S20), the integrated
P.C.B. powers the boiler circulator (M1) by means of relay K2
and, by means of the switching over of the K4 relay contact,
the motor (M) of the 3-way valve (M30) is powered which
keeps working until limit switch “3” opens when the heating
position is reached.
In the meantime, if the ue pressure switch contact (S6) is
idle “NC”, the adjustment circuit powers the fan (M20) by
means of relay K3.
With the enable of the safety thermostat (E4) and consequent
switching over of the ue pressure switch to “NO” (S6) and
if the temperature measured by the NTC ow probe (B1) is
below that set on the control panel with the heating tempe-
rature trimmer, the integrated P.C.B. excites the request relay
K1 causing the 2 contacts to close and in so doing the ignition
cycle starts, rst controlling the ignition electrodes (E1) and
then both gas valve coils (Y1).
Burner ignition is detected by the integrated P.C.B. via the
ionisation electrode (E2).
Operating with the Remote Control.
e Remote Control (CAR) is enabled when the main switch
(R10) is in the “SUMMER and CAR” position.
If the conditions found by the Remote Control (CAR) require
switching on in the central heating mode, the integrated P.C.B.
powers the boiler circulator (M1) by means of the K2 relay
and burner ignition occurs as described above.
Operating with the Digital Remote Control.
By selecting operation in Winter on the Digital Remote Con-
trol (CRD) panel you enable boiler operation in the heating
mode. If the conditions found by the CRD require switching
on in the central heating mode, the integrated P.C.B. powers
the boiler circulator (M1) by means of the K2 relay and burner
ignition occurs as described above.
Note: Each time it switches o because the temperature is
reached, the integrated P.C.B. stops the burner working in
the heating mode for a time equal that set with the P.C.B.
parameters (see integrated P.C.B. operation).
Domestic hot water
Central heating
HIGH
VOLTAGE
LOW
VOLTAGE
MICROPROCESSOR
ZONES
CONTROL
UNIT
NO
NC

Other manuals for Immergas EOLO Mini

Related product manuals