EasyManua.ls Logo

Immergas VICTRIX 20 Plus - Page 9

Immergas VICTRIX 20 Plus
32 pages
Print Icon
To Next Page IconTo Next Page
To Next Page IconTo Next Page
To Previous Page IconTo Previous Page
To Previous Page IconTo Previous Page
Loading...
7
STVP ed 02/06 VICTRIX Plus
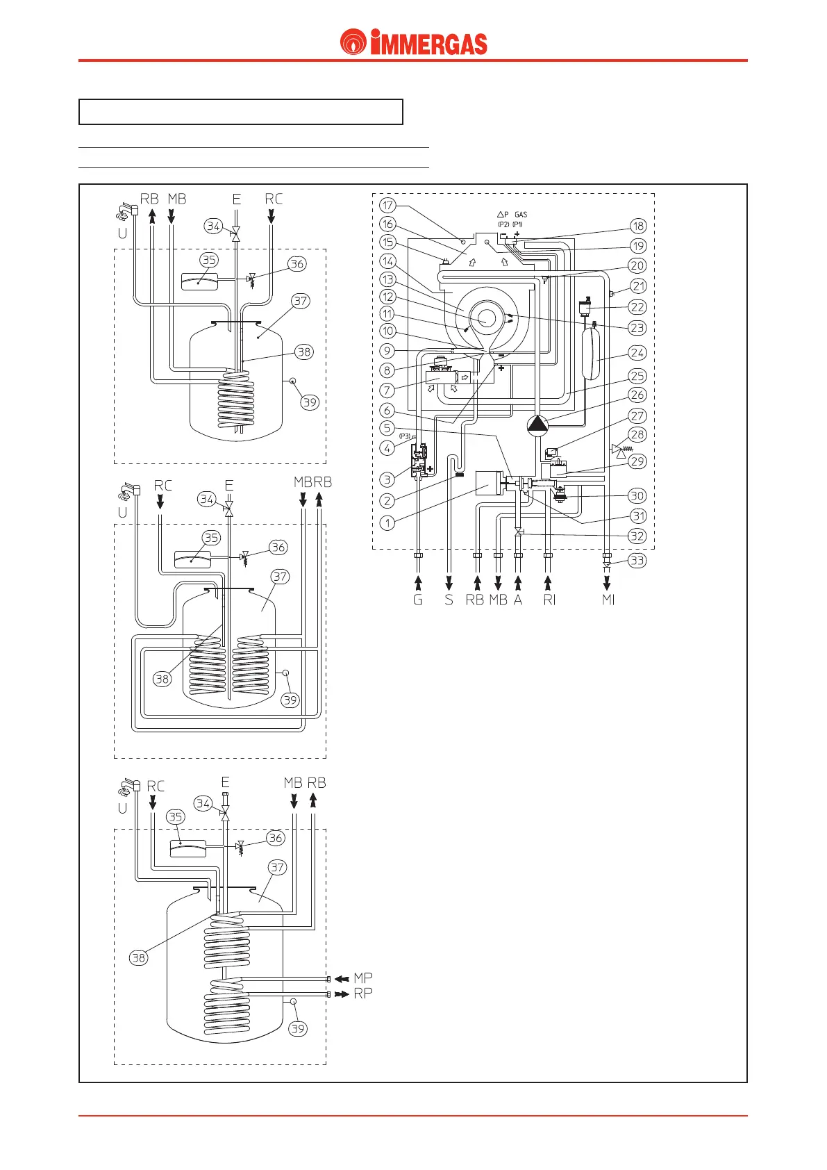
VICTRIX Plus hydraulic circuit.


 

 

Legend:
1 - Gear motor for 3-way diverter valve
2 - Condensate collector siphon
3 - Gas valve
4 - Gas valve outlet pressure point (P3)
5 - 3-way diverter valve
6 - Venturi positive signal (P1)
7 - Fan
8 - Venturi negative signal (P2)
9 - Gas nozzle
10 - Venturi air/gas manifold
11 - Detection electrode
12 - Burner
13 - Condensation module lid
14 - Condensation module
15 - Fume thermostat
16 - Draught diverter
17 - Air analyser trap
18 - Gas pressure point
19 - Fumes analyser trap
20 - Heating limit and adjustment NTC
probe
21 - Overheating safety thermostat
22 - Automatic air vent
23 - Ignition electrodes
24 - Expansion vessel
25 - Air inlet pipe
26 - Circulator
27 - Circulator pressure switch micro
28 - System safety valve 3 bar
29 - Circulator pressure switch
30 - Adjustable by-pass
31 - System drainage cock
32 - System filling valve
33 - One way valve (Europa)
34 - D.h.w. (cold) inlet cock
35 - D.h.w. expansion vessel
36 - System safety valve 3 bar
37 - Storage tank
38 - Magnesium anode
39 - D.h.w. NTC probe
G - Gas supply
S - Condensation runoff
MB- Storage tank delivery
RB - Storage tank return
A - System filling
RI - System return
MI - System delivery
U - D.H.W. outlet
E - D.H.W. (cold) inlet
RC - Recirculation (optional)
MP - Solar panels delivery (optional for the
200-litre S.T. only)
RP - Solar panels return (optional for the
200-litre S.T. only)
(from the serial number 3035590 for VICTRIX 20 Plus)
(from the serial number 2773117 for VICTRIX 27 Plus)
Technical Documentation
Technical Documentation

Related product manuals