EasyManua.ls Logo

Infinity BU-150 - SCHEMATIC DIAGRAM (Part 1); BU-150 Schematic 1 of 2

Infinity BU-150
23 pages
Print Icon
To Next Page IconTo Next Page
To Next Page IconTo Next Page
To Previous Page IconTo Previous Page
To Previous Page IconTo Previous Page
Loading...
22
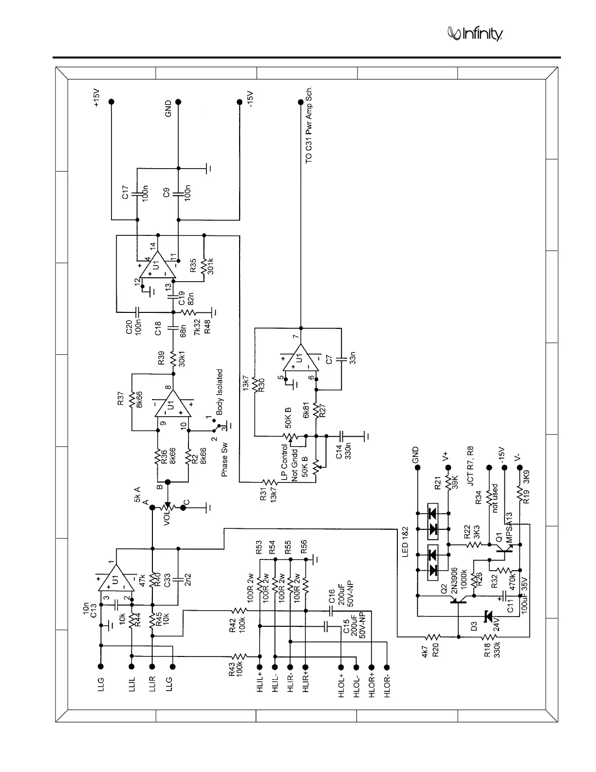
Amplifier/Subwoofer BU-150
BU-150 SCHEMATIC 1 of 2
5 5
4 4
3 3
2 2
1 1
A
A
B
B
C
C
D
D
E
E
F
F
G
G
BU-150 Schematic 1 of 2

Related product manuals