EasyManua.ls Logo

Inhep Digital Security IDS 404 - 2. Installation and Wiring

Default Icon
64 pages
Print Icon
To Next Page IconTo Next Page
To Next Page IconTo Next Page
To Previous Page IconTo Previous Page
To Previous Page IconTo Previous Page
Loading...
6 IDS404 INSTALLER MANUAL NO. 700-277-02A ISSUED SEPT 2004 VER 1.02
IDS404 INSTALLER MANUAL
2. Installation and Wiring
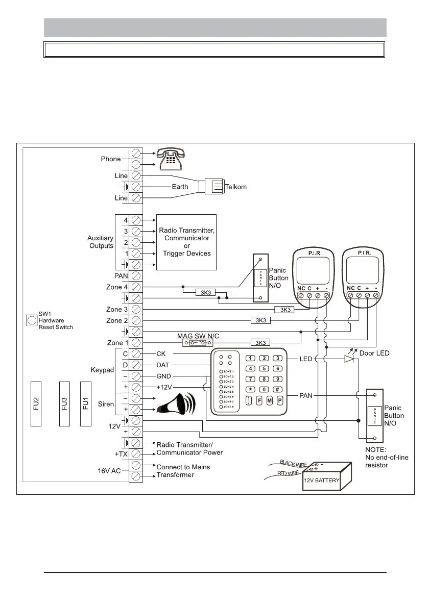
Please refer to Figure 1: Connection Diagram and familiarise yourself
with the following sections.
Figure 1: Connection Diagram - without tamper per zone

Related product manuals