EasyManua.ls Logo

Inovance MD330H - Page 142

Inovance MD330H
296 pages
To Next Page IconTo Next Page
To Next Page IconTo Next Page
To Previous Page IconTo Previous Page
To Previous Page IconTo Previous Page
Loading...
MD380 User Manual Desc
ription of Function Codes
- 141 -
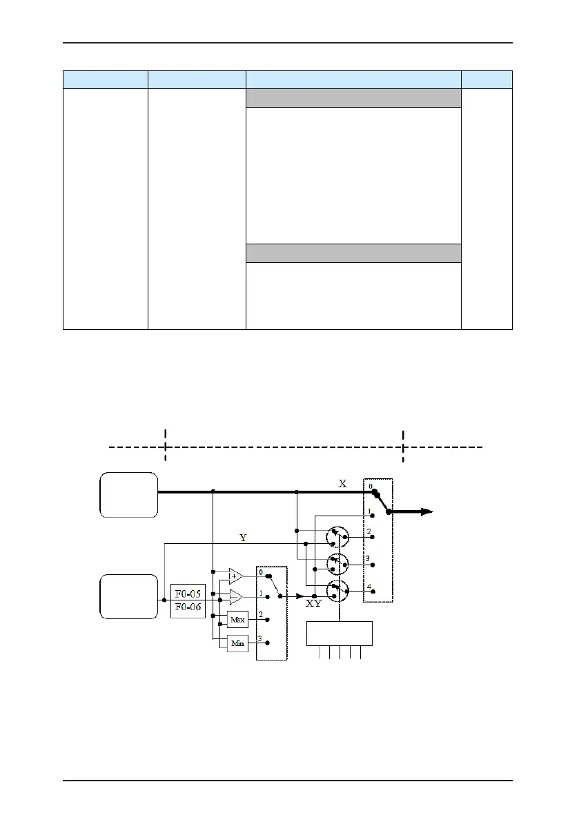
Function Code Parameter Name Setting Range Default
F0-07
Frequency source
selection
Unit's digit (Frequency source selection)
0
0: Main frequency source X
1: X and Y operation
(operation relationship determined by ten's
digit)
2: Switchover between X and Y
3: Switchover between X and "X and Y
operation"
4: Switchover between Y and "X and Y
operation"
Ten's digit (X and Y operation relationship)
0: X+Y
1: X-Y
2: Maximum
3: Minimum
It is used to select the frequency setting channel. If the frequency source involves X and
Y operation, you can set the frequency offset in F0-21 for superposition to the X and Y
operation result, exibly satisfying various requirements.
Figure 6-1 Frequency setting based on main frequency source X and auxiliary frequency
source Y
Frequency
source selection
Frequency source X and
Y operation selection
Setting of operation
conditions
Target running
frequency
F0-07 unit's
digit
Set frequency
Frequency
switchover
F4-00 to F4-09
= 18
DI1 to DI10
F0-07 ten's
digit
Amplitude
limit
Auxiliary
frequency
source Y
Main
frequency
source X

Table of Contents

Related product manuals