EasyManua.ls Logo

Integra DTR-6.4 - Page 20

Integra DTR-6.4
101 pages
Print Icon
To Next Page IconTo Next Page
To Next Page IconTo Next Page
To Previous Page IconTo Previous Page
To Previous Page IconTo Previous Page
Loading...
DTR-6.4
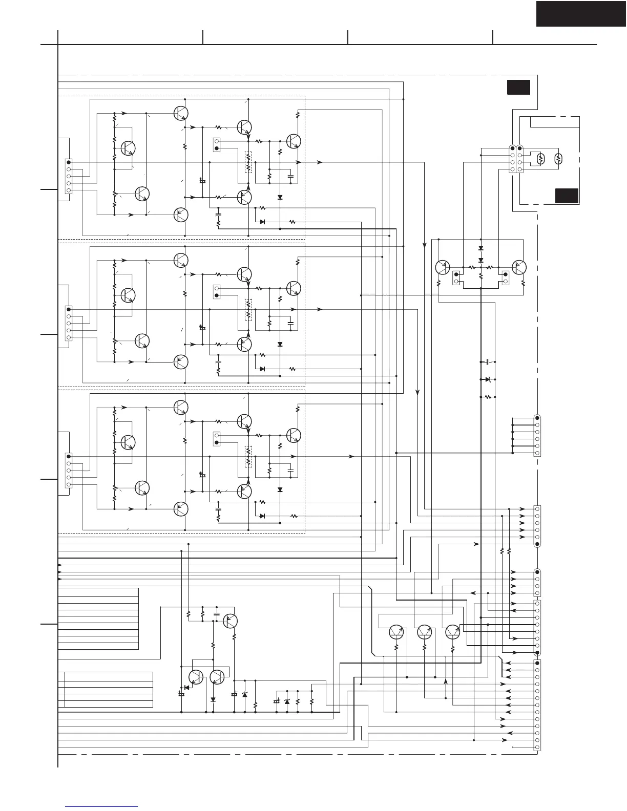
SCHEMATIC DIAGRAM 4 Power amplifier section
A
1
2
3
4
5
BCD
JL6953A
TO NAPC-7975
(SCH-5)
P6931A
TO NADG-7952
(SCH-2)
JL6805A
TO NAAF-7968
(SCH-5)
JL6402B
JL6402A
D6707
MTZJ5.1B
D6703
MTZJ5.1B
D6704
MTZJ5.1B
[-58.0V]
[-58.0V]
[58.0V]
[58.0V]
[-58.0V]
[58.0V]
[-1.1V]
[-0.4V]
[-0.6V]
[0.6V]
[-0.6V]
[0.6V]
[1.1V]
[1.0V]
[-1.1V]
[-0.4V]
[-0.6V]
[0.6V]
[-0.6V]
[0.6V]
[1.1V]
[1.0V]
[-1.1V]
[-0.4V]
[-0.6V]
[0.6V]
[-0.6V]
[0.6V]
[1.1V]
[1.0V]
[-0.3V]
Q6602
Q6072
Q6071
Q6070
Q6032
Q6052
Q6022
Q6031
Q6051
Q6021
Q6011
Q6030
Q6050
Q6020
Q6010
Q6603Q6601
Q6701
Q6702
R6602
1K
R6707
22K
R6706
220K
R6240
220K
R6242
220K
R6241
220K
R6182
47K
R6162
33K
R6181
47K
R6161
33K
R6180
47K
R6160
33K
R6052
2.7K
R6082
2.2
(1/4W)
R6142
18K
R6172
47K
R6092
2.2
(1/4W)
R6072
120
(1/4W)
R6232
8.2
(1W)
R6152
12K
R6012
3.9K
R6002
5.6K
R6032
270
R6051
2.7K
R6081
2.2
(1/4W)
R6141
18K
R6171
47K
R6091
2.2
(1/4W)
R6071
120
(1/4W)
R6231
8.2
(1W)
R6151
12K
R6011
3.9K
R6001
5.6K
R6031
270
R6050
2.7K
R6080
2.2
(1/4W)
R6140
R6170
47K
R6090
2.2
(1/4W)
R6070
120
(1/4W)
R6230
8.2 (1W)
R6150
12K
R6010
3.9K
R6000
5.6K
R6030
270
R6603
1K
R6601
1K
R6710
R6709
R6309
470<D>
1.2K<P>
R6310
4.7K
R6307
2.2K
R6308
4.7K
R6306
10K
R6750
390
(1/2W)
R6751
390
(1/2W)
R6704
47K
R6701
22K
R6702
10K
R6708
33K
C6704
1/50
C6042
47/50
C6041
47/50
C6040
47/50
C6706
100/6.3
C6701
100/6.3
C6052
103J
C6051
103J
C6050
103J
C6232
473J
C6231
473J
C6230
473J
R6042
1K
R6041
1K
R6040
1K
R6102
0.22
X2(2W)
R6101
0.22
X2
(2W)
R6100
0.22
X2
(2W)
D6010D6012 D6011
D6002
D6001
D6000
D6307
D6306
D6702
D6701
P6002A
(SCH-3)
P6001A
(SCH-3)
P6000A
(SCH-3)
Q6062
Q6042
Q6061
Q6041
Q6060
Q6040
Q6304
Q6303
Q6703
C6707
223Z
C6703
223Z
R6381
PTFL04BE471
Q2N34B0
THERMAL PROT.
80-90
R6380
PTH9M04BF
222TS2F333
THERMAL SENS.
70-80
P6080
ID+
ID-
P6081
ID+
ID-
P6082
ID+
ID-
P6302
P6301
JL6803A
TO NAAF-7968
(SCH-5)
JL6804A
TO NAAF-7968
(SCH-5)
+24V
+24V
NF-FL TH2
-B1
TH1
+B1
FL+
FL-
NF-FR
-B1
+B1
FR+
FR-
NF-C
-B1
+B1
C+
C-
NF-FL
NF-FR
NF-C
NF-SL
NF-SR
NF-SBL
Z2RLD
FRLD
CSRLD
+24V
+13VS
+24V
MPUGND
RLGND
+12V
HPL
E
HPR
Z2PREMUT
SPF
SPZ2
Z2MUT
AMUT
VOLH
SEC1H
SPZ2
SPCS
SPF
THRM
+13VS PRO
POWER
+13VS
POWER
NC
PARTS
SC1740S-R,S
SC1740S-R,S
C1740S-R,S OR 2SC2458-GR
SC1775A-E,F OR 2SC1845-E,F
L,GR OR 2SA992-E,F
GR OR 2SA933S-R,S
2SC1845-GR
2SC2631-R,S
SL / SR / SB
2SC5171 OR KTD2061-Y
2SA1930 OR KTB1369-Y
2SC5200-R,O OR MN150S-O,Y,P
2SA1943-R,O OR MP150S-O,Y,P
8.2K
6.8K
NAETC-7967/7973
C
R
L
R6309:
18K
Q6012
U12
U13

Related product manuals