EasyManua.ls Logo

Integra DTR-8.3 - Connecting Various Video Sources

Integra DTR-8.3
86 pages
Print Icon
To Next Page IconTo Next Page
To Next Page IconTo Next Page
To Previous Page IconTo Previous Page
To Previous Page IconTo Previous Page
Loading...
DTR-8.3
SEMICONDUCTORS
NO.
Q5000-06,Q5010-16
KTC3200-BL, 2SC1775A-E,F OR 2SC1845-E
Q5020-26
Q5030-36,Q5040-46
KTA1024-Y,O OR 2SA949-Y,O
Q5050-52 2SA1360-Y,O
Q5053-56,Q5073-76
Q5060-62
2SC3423-Y,O
Q5063-66,Q5080-83
KTC3206-Y,O OR 2SC2229Y,O
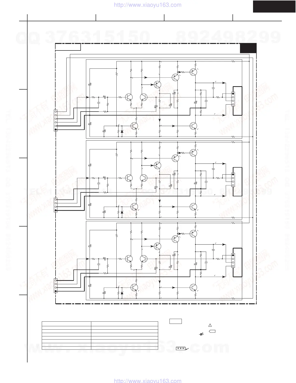
SCHEMATIC DIAGRAM 5-1
Driver Circuit Section
D5000
MTZJ5.6B
D5001
MTZJ5.6B
D5002
MTZJ5.6B
C5010
101K
C5100
101K
C5110
050D
C5011
101K
C5101
101K
C5111
050D
C5012
221K
C5102
101K
C5112
050D
C5050
10/50
C5070
10/100
C5080
22/63
C5120
100/100
C5090
47/50
C5130
100/100
C5040
220/16
C5000
22/35
C5051
10/50
C5071
10/100
C5081
22/63
C5121
100/100
C5091
47/50
C5131
100/100
C5041
220/16
C5001
22/35
C5052
10/50
C5072
10/100
C5082
22/63
C5122
100/100
C5092
47/50
C5132
100/100
C5042
220/16
C5002
22/35
R5140
820
(1/4W)
R5170
820
(1/4W)
R5130
820
(1/4W)
R5160
1K
(1/4W)
R5180
33
(1/4W)
R5150
10K
(1/2W)
R5280
10K
(1/2W)
R5000
1K
R5210
18K
R5220
18K
R5300
68
(1/4W)
R5330
68(1/4W)
R5250
56K
R5230
15
(1/4W)
R5240
15
(1/4W)
R5040
330
R5030
330
R5020
330
R5050
5.6K
R5120
2.2K
R5110
2.2K
R5060
2.7K
R5290
100K
R5070
100K
R5090
1.8K
R5010
56K
R5141
820
(1/4W)
R5171
820
(1/4W)
R5131
820
(1/4W)
R5161
1K
(1/4W)
R5181
33
(1/4W)
R5151
10K
(1/2W)
R5281
10K
(1/2W)
R5001
1K
R5211
18K
R5221
18K
R5301
68
(1/4W)
R5331
68(1/4W)
R5251
56K
R5231
15
(1/4W)
R5241
15
(1/4W)
R5041
330
R5031
330
R5021
330
R5051
5.6K
R5121
2.2K
R5111
2.2K
R5061
2.7K
R5291
100K
R5071
100K
R5091
1.8K
R5011
56K
R5142
820
(1/4W)
R5172
820
(1/4W)
R5132
820
(1/4W)
R5162
1K
(1/4W)
R5182
33
(1/4W)
R5152
10K
(1/2W)
R5282
10K
(1/2W)
R5002
1K
R5212
18K
R5222
18K
R5302
68(1/4W)
R5332
68(1/4W)
R5252
56K
R5232
15
(1/4W)
R5242
15
(1/4W)
R5042
330
R5032
330
R5022
330
R5052
5.6K
R5122
2.2K
R5112
2.2K
R5062
2.7K
R5292
100K
R5072
100K
R5092
1.8K
R5012
56K
Q5040
Q5030
Q5050
Q5041
Q5031
Q5051
Q5042
Q5032
Q5052
Q5080
Q5010Q5000
Q5020
Q5081
Q5011Q5001
Q5021
Q5082
Q5012Q5002
Q5022
51.5V
56.3V
-38.9V
(-35.7V)
-1.2V
1.2V
56.6V
-56.6V
55.7V
-0.9V
-52.1V
-57.5V
57.5V
-55.9V
-52.6V
55.8V
-39.0V
51.5V
56.3V
-38.9V
-1.2V
1.2V
56.6V
-56.6V
55.7V
-0.9V
-52.1V
-57.5V
57.5V
-55.9V
-52.6V
55.8V
-39.0V
51.5V
56.3V
-38.9V
-1.2V
1.2V
56.6V
-56.6V
55.7V
-0.9V
-52.1V
-57.5V
57.5V
-55.9V
-52.6V
55.8V
-39.0V
P6010A
TO NAAF-7706
(SCH. 6)
P6000A
TO NAAF-7706
(SCH. 6)
NF
NF
B+
B-
P6001A
TO NAAF-7706
(SCH. 6)
NF
NF
B+
B-
P6002A
TO NAAF-7706
(SCH. 6)
NF
NF
B+
B-
P6012A
TO NAAF-7706
(SCH. 6)
P6011A
TO NAAF-7706
(SCH. 6)
-B1
+B1
L
R
C
NAAF-7690
THE COMPONENTS IDENTIFIED BY MARK ! ARE CRITICAL FOR SAFETY.
REPLACE ON LY WITH PART NUMBER SPECIFIED.
VOLTAGE (MEASURED WITH VOLTMETER) IS DC VOLTAGE (NO INPUT SIGNAL)
ELECTROLYTIC CAPACITORS ( ) ARE IN uF/WV.
ALL CAPACITORS ARE IN pF/50WV UNLESS OTHERWISE NOTED.
EX) 030-3pF 330-33pF 331-330pF 333pF-0.033uF
ALL RESISTORS ARE IN OHMS 1/4WATTS UNLESS OTHERWISE NOTED.
THE THICK LINE ON PC BOARD ARE THE PRINTING SIDE OF THE PARTS.
EX) PRINTING SIDE
CIRCUIT IS SUBJECT TO CHANGE FOR IMPROVEMENT.
NOTE
U6
KTC3200-BL, 2SC1775A-E,F OR 2SC1845-E
KTA1024-Y,O OR 2SA949-Y,O
A
1
2
3
4
5
BCD
w
w
w
.
x
i
a
o
y
u
1
6
3
.
c
o
m
Q
Q
3
7
6
3
1
5
1
5
0
9
9
2
8
9
4
2
9
8
T
E
L
1
3
9
4
2
2
9
6
5
1
3
9
9
2
8
9
4
2
9
8
0
5
1
5
1
3
6
7
3
Q
Q
TEL 13942296513 QQ 376315150 892498299
TEL 13942296513 QQ 376315150 892498299
http://www.xiaoyu163.com
http://www.xiaoyu163.com