EasyManua.ls Logo

Intel DH77KC - Block Diagram

Intel DH77KC
99 pages
Print Icon
To Next Page IconTo Next Page
To Next Page IconTo Next Page
To Previous Page IconTo Previous Page
To Previous Page IconTo Previous Page
Loading...
Product Description
15
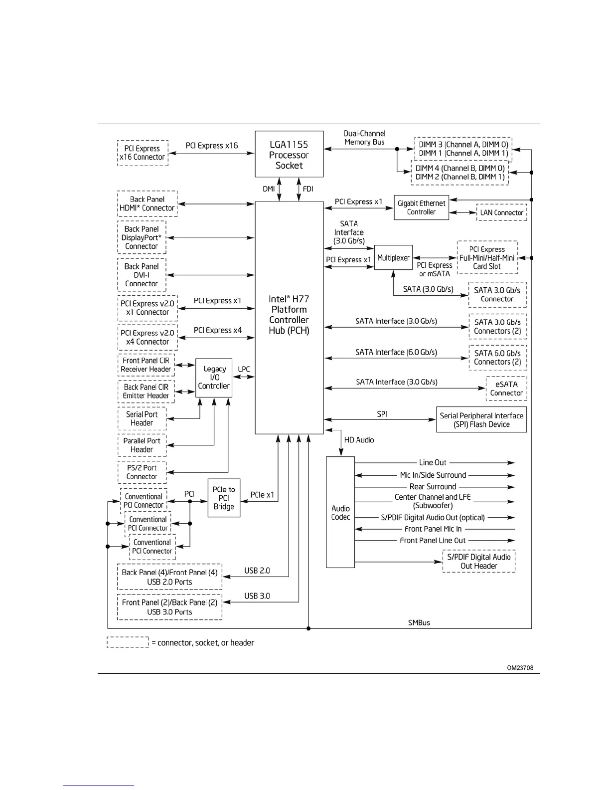
1.1.3 Block Diagram
Figure 2 is a block diagram of the major functional areas of the board.
Figure 2. Block Diagram

Table of Contents

Related product manuals