EasyManua.ls Logo

Inter-m CA-8320 - Input;Output Section - Channel Inputs; Channel Input 1-6 Details

Inter-m CA-8320
19 pages
Print Icon
To Next Page IconTo Next Page
To Next Page IconTo Next Page
To Previous Page IconTo Previous Page
To Previous Page IconTo Previous Page
Loading...
2423
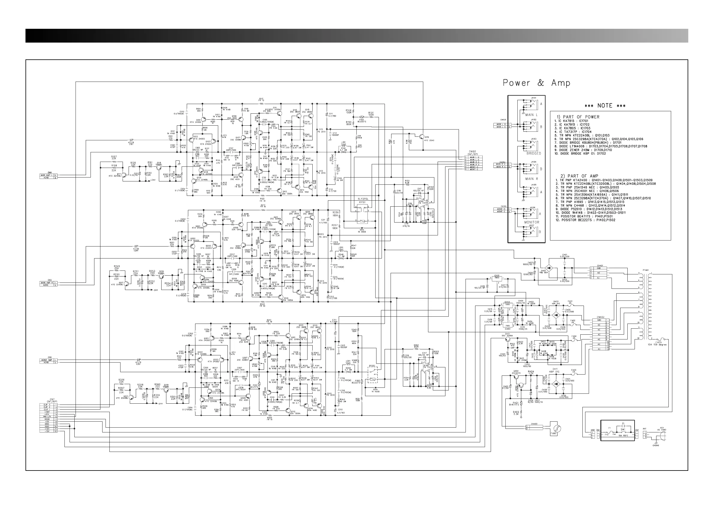
SCHEMATIC DIAGRAM

Other manuals for Inter-m CA-8320

Related product manuals