EasyManua.ls Logo

Intermatic PE24VA - Technical Information; Specifications; Wiring Diagram

Intermatic PE24VA
6 pages
Print Icon
To Next Page IconTo Next Page
To Next Page IconTo Next Page
To Previous Page IconTo Previous Page
To Previous Page IconTo Previous Page
Loading...
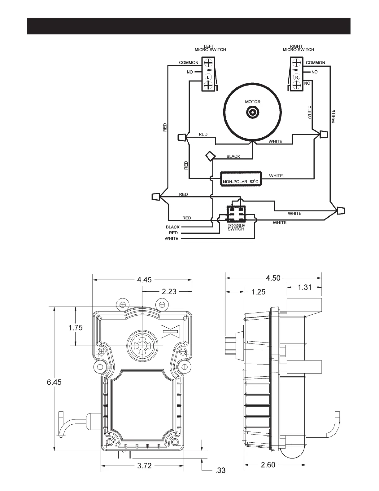
TECHNICAL INFORMATION
35uF 120v
SPECIFICATIONS
Voltage: 24 Volts AC
Amperage: 0.75 Amps
Cycles: 60 Hertz
Operating Temperatures
14˚F to 167˚F
-10˚C to 75˚C
Weight: 3.5 Lbs
5
WIRING DIAGRAM

Other manuals for Intermatic PE24VA

Related product manuals