EasyManua.ls Logo

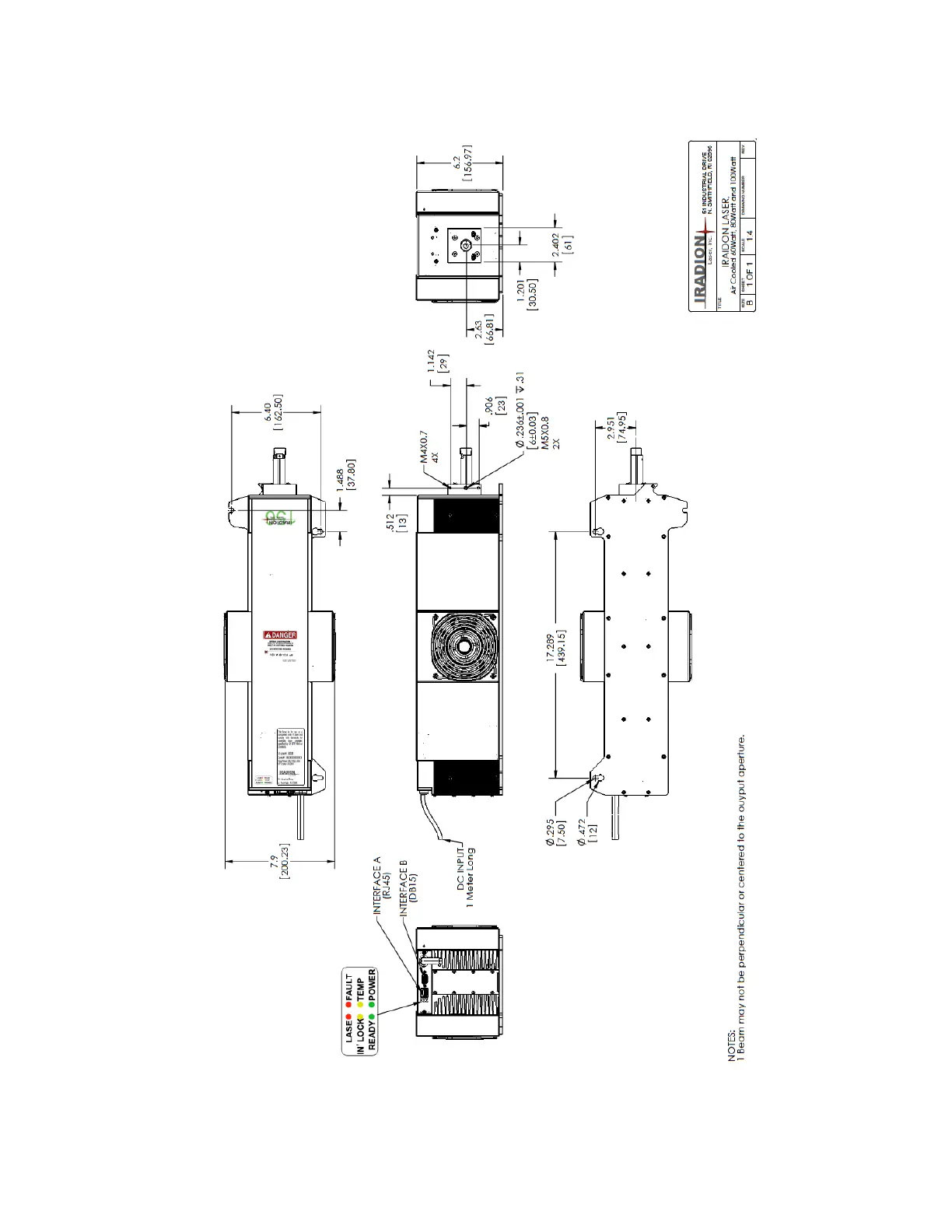
Iradion Infinity 156 - Mechanical Outline

Default Icon
27 pages
Print Icon
To Next Page IconTo Next Page
To Next Page IconTo Next Page
To Previous Page IconTo Previous Page
To Previous Page IconTo Previous Page
Loading...
24
Mechanical Outline

Related product manuals