EasyManua.ls Logo

Jack JK-T1377E - Chapter 1 Product Interface; 1.1 Interface Plug Connection

Jack JK-T1377E
43 pages
Print Icon
To Next Page IconTo Next Page
To Next Page IconTo Next Page
To Previous Page IconTo Previous Page
To Previous Page IconTo Previous Page
Loading...
- 12 -
1 产品接口
1.1 接口插头连接
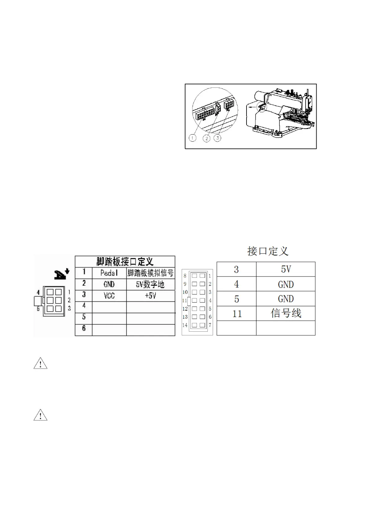
例图1-1 AHE 系列控制器图
Connect the pedal and the nose of the plug placed behind the controller
corresponding to the socket as shown in figure 1-1, the name of the socket as
shown in figure 1-2. Connection is good, please check whether the plug is
stuck. Example shown in figure 1-2. Connection is good, please check whether
the plug is stuck. LED lights and sensors socket; (2) the presser foot
electromagnet socket; The pedals socket.
1-2 控制器接口定义
使用正常的力量插不进去时,请检查插头与插座是否匹配,插入方向
或针的方向是否正确!照明灯接口和传感器接口都是1*2 的接口,请注意区
分。
:When using normal power plug is not in, please check whether the plug and
socket match, the direction of the needle insertion direction or whether it
is right! Light interface and sensor interfaces are 1 * 2, please pay
attention to distinguish.
插到制器面对应的上如1-
1 ,各座名如图1-2 所示。
连接请检查插是否. 例图
1-2 。连好,请检头是
插牢.LED抬压
脚电磁铁插座;脚踏板插座。

Related product manuals