EasyManua.ls Logo

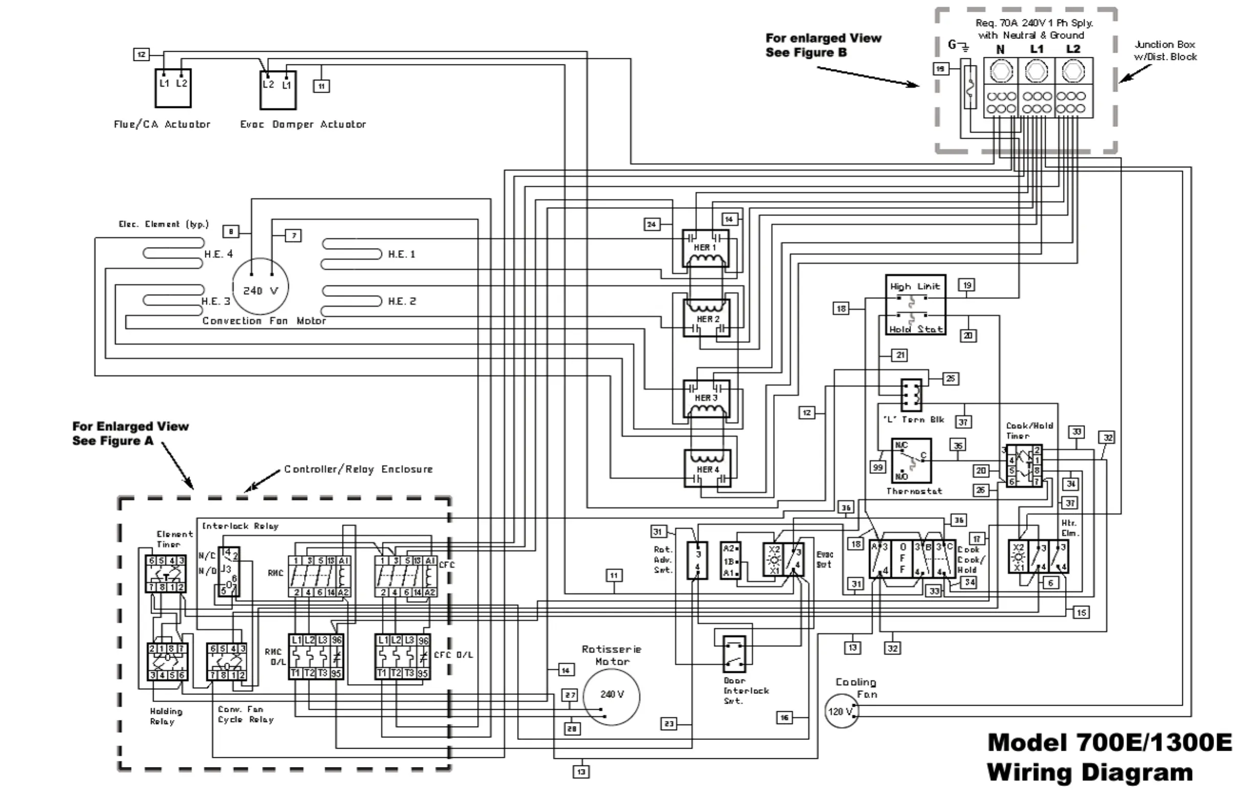
J&R 700E - Wiring Diagram

J&R 700E
60 pages
Print Icon
To Next Page IconTo Next Page
To Next Page IconTo Next Page
To Previous Page IconTo Previous Page
To Previous Page IconTo Previous Page
Loading...
32

Table of Contents