EasyManua.ls Logo

Janfire NH - Page 37

Default Icon
38 pages
Print Icon
To Next Page IconTo Next Page
To Next Page IconTo Next Page
To Previous Page IconTo Previous Page
To Previous Page IconTo Previous Page
Loading...
Janfire NH Burner Service Installation Manual 4.16.09 - Technical specifications are subject to change without prior
notice.
37(38)
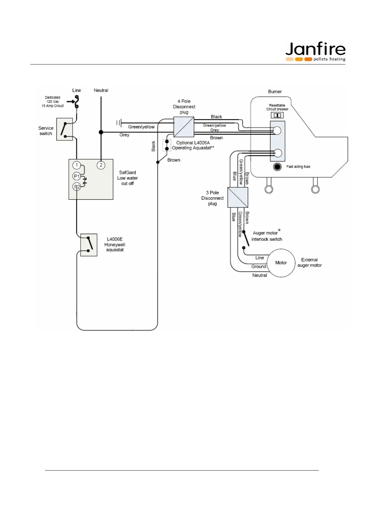
Figure 15. Field wiring instructions
*Required for storage bins with service access.
**Installation of L4006A requires service menu #80 = YES

Related product manuals