EasyManua.ls Logo

jcb 210S - Circuit Schematic

jcb 210S
414 pages
Print Icon
To Next Page IconTo Next Page
To Next Page IconTo Next Page
To Previous Page IconTo Previous Page
To Previous Page IconTo Previous Page
Loading...
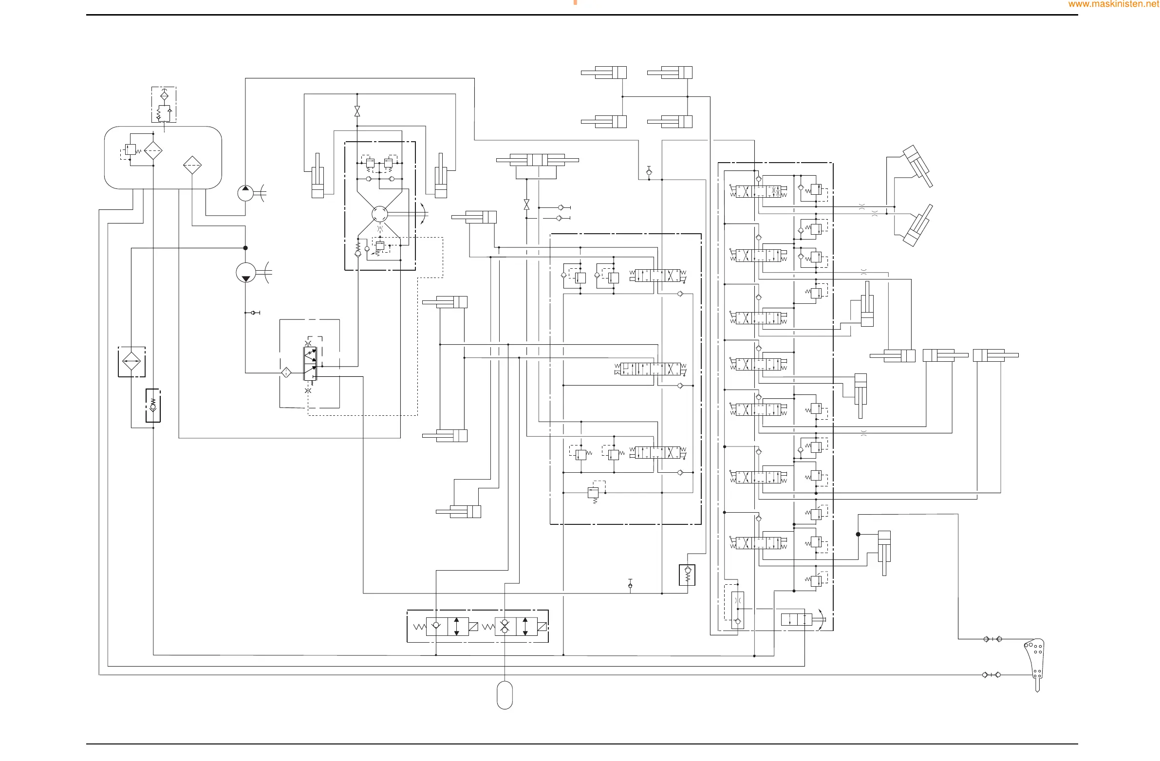
Hydraulics
Circuit Schematic
Section E Section E
9803/7130
Issue 1
3 - 16
3 - 16
1
3
3A
3B
3C
3D
3E
3F
3G 3H
3J
4
4A
4B
4C
4D
4E
4F
4H
4J
4K
4M
4N
4P
4S
4W
4W
4W
4W
4W
4W
1C
7
16
31
29
29
29
29
17
18
19
21
22
23
24
24
25
26
27 28
32
9
9A
9B
10
2
8
2A
15
12
11
20
1A
1B
3J
3J
4G
4W
4U
4T
4R
30
4L
8
T
ACC
P1
P2
P
EF
CF
LS
PT
LS
R
5
8
7A
31
13
14
L
6
A390550
www.WorkshopManuals.co.uk
Purchased from www.WorkshopManuals.co.uk
www.maskinisten.net

Table of Contents

Related product manuals