EasyManua.ls Logo

jcb JS220 - Basic Operation; Engine Control; Stepping Motor

jcb JS220
531 pages
Print Icon
To Next Page IconTo Next Page
To Next Page IconTo Next Page
To Previous Page IconTo Previous Page
To Previous Page IconTo Previous Page
Loading...
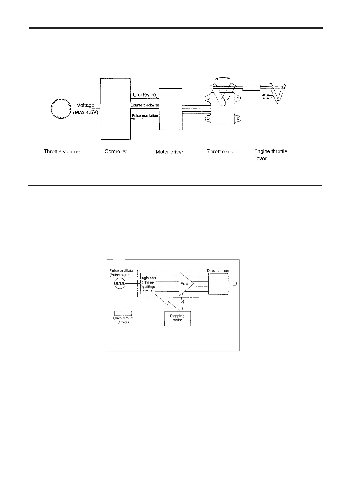
Basic Operation
The engine throttle control is done with the electric throttle motor.
A stepping motor is now used as part of the throttle motor.
Stepping Motor
This rotates in direct synchronization with the amount of pulses received from the pulse oscillator.
Pulse oscillator
This circuit is used to make the pulse signal that determines the degree of rotation and rotational speed of the stepping motor.
The stepping motor rotates when it is synchronised with the pulse signal from the pulse oscillator. The degree of rotation is
dependant on the frequency of the pulse.
Component Key
A Pulse oscillator (pulse signal)
B Logic part (phase splitting circuit)
C Amp
D Direct current
E Drive circuit (driver)
F Stepping motor
4 - 1
Section C
Electrics
9803/6400
Section C
4 - 1
Issue 1
Engine Control
AA
EE
FF
DD
CCBB
Stepping Motor Basic Drive Structure

Table of Contents

Other manuals for jcb JS220

Related product manuals