EasyManua.ls Logo

Jet BD-8VS - Page 26

Jet BD-8VS
38 pages
Print Icon
To Next Page IconTo Next Page
To Next Page IconTo Next Page
To Previous Page IconTo Previous Page
To Previous Page IconTo Previous Page
Loading...
26
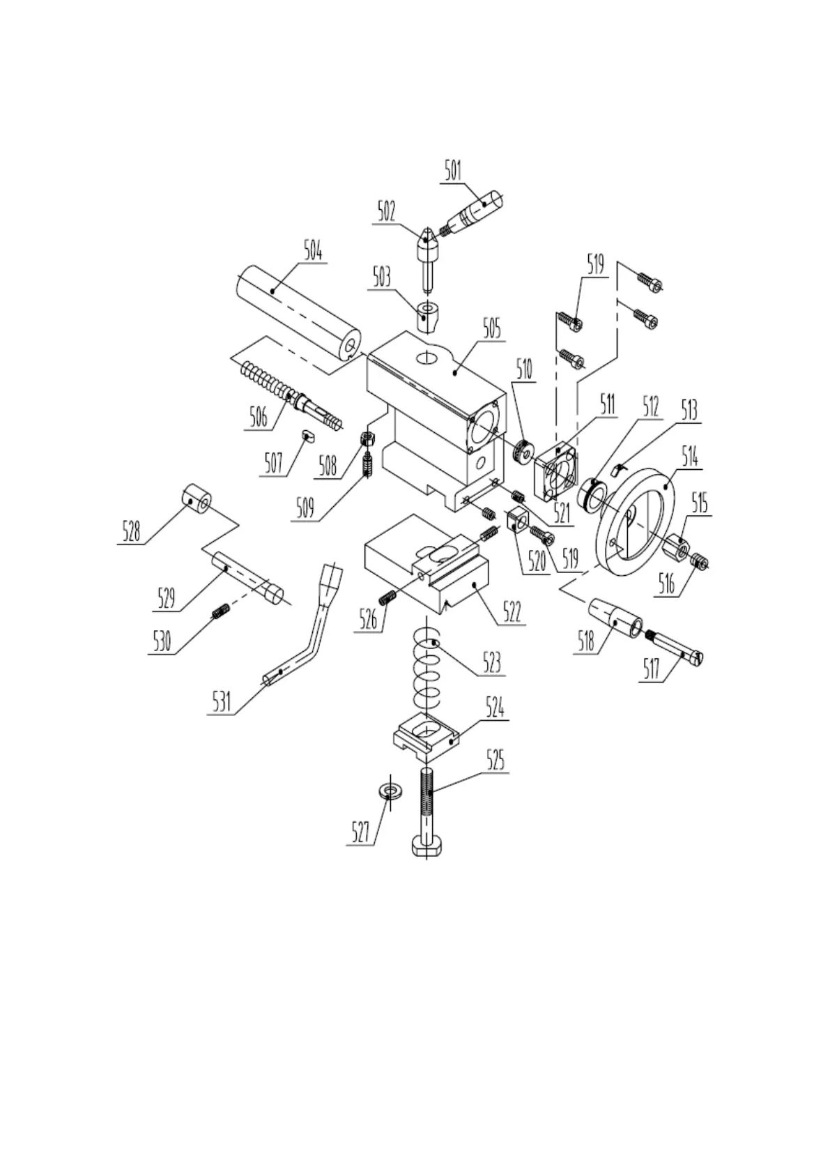
BD-8VS Assembly Breakdown -5

Related product manuals