EasyManua.ls Logo

JLA D40 - Steam Information; Steam Coil pH Level and Requirements; Steam Supply and Return Line Installation

Default Icon
28 pages
Print Icon
To Next Page IconTo Next Page
To Next Page IconTo Next Page
To Previous Page IconTo Previous Page
To Previous Page IconTo Previous Page
Loading...
16 113242-3
Important
Coil failure due to improper pH level will void the
warranty.
Steam Requirements
Shaded areas are stated in metric equivalents
* The m inimum operating pressure is 100 psig (689.47 kPa) for optimum results.
Installation Instructions
To ensure an adequate supply of steam is provided, be sure
that the steam supply lines and steam return lines are sized
and laid out as stipulated in this manual. Inadequate steam
supply lines and steam return lines or improper steam
plumbing will result in poor performance and can cause
component failure. Clean, dry steam must be provided to the
dryer.
Important
Steam coil failure due to water hammer by wet
steam will void the warranty.
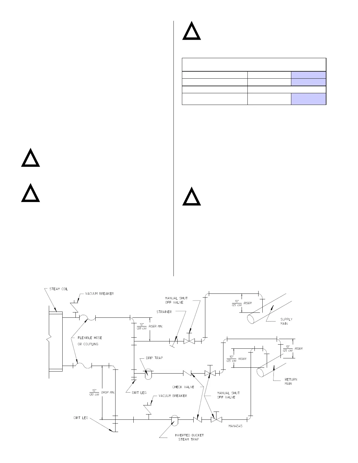
The pressure of the condensate in the steam supply line will
cause water hammer and subsequent heat exchanger
(steam coil) failure. The steam supply connection into the
main supply line must be made with a minimum 10-inch
(25.4 cm) riser. This will prevent any condensate from draining
towards the dryer.
The steam supply line to the dryer must include a
12-inch (30.48 cm) riser along with a drip trap and check
valve. This will prevent any condensate from entering the
steam coil.
Operating Steam Pressure
Maximum 150 psig
862 kPa
Recommended 100 psig*
689 kPa
Heat Input (Normal Load) 3.0 bhp
Consumption (Approximate)
@ 125 psi (8.6 bar)
104 lbs/hr
47.17 kg/hr
!
!
!
!
Steam Information ___________________
It is your responsibility to have all plumbing connections made
by a qualified professional to ensure that the steam plumbing
installation is adequate and conforms with local and state
regulations or codes.
Care must be exercised when leveling steam dryers into final
position. After leveling the dryer, check the downward pitch of
the heat exchanger from front to rear with a level. Likewise,
check the downward pitch of the return condensate manifold
toward its outlet part. Absence of these downward pitches
will result in probable water hammer and premature heat
exchanger fracture and leakage.
The presence of condensate in the steam will cause water
hammer and subsequent heat exchanger failure. The steam
supply connection must be taken from the top of a
well-dripped steam main. If the supply run-out to the dryer
exceeds 20 feet (6.1 meters), it should be dripped just before
the control valve with a proper trap and dirt pocket.
Important
Failure to comply with the requirements
stipulated in this manual can result in component
failure, which will void the warranty.
Note
This dryer is manufactured with a pneumatic
(piston) damper system, which requires an
external supply of air (80 psi ± 10 psi [5.51 bar ± 0.68 bar]).
Steam Coil pH Level
The normal pH level for copper type steam coils must be
maintained between a value of 8.5 to 9.5. For steel type
steam coils the pH level must be maintained between a value
of 9.5 to 10.5. These limits are set to limit the acid attack of
the steam coils.

Related product manuals