EasyManua.ls Logo

JLA D40 - Page 6

Default Icon
28 pages
Print Icon
To Next Page IconTo Next Page
To Next Page IconTo Next Page
To Previous Page IconTo Previous Page
To Previous Page IconTo Previous Page
Loading...
6 113242-3
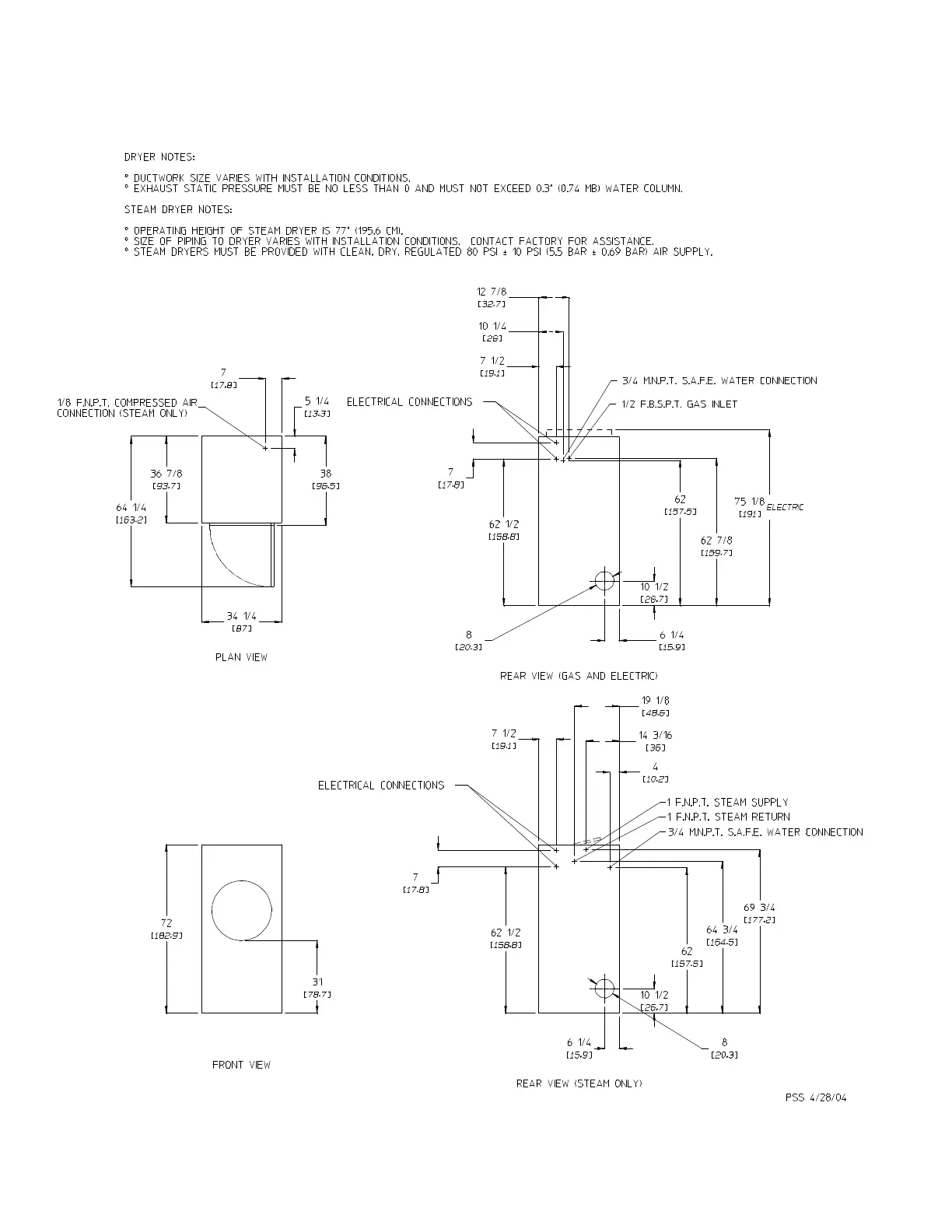
Specifications _______________________

Related product manuals