EasyManua.ls Logo

Johnson Controls IFC-3030 - Viewing and Printing History Information; Events History

Johnson Controls IFC-3030
72 pages
Print Icon
To Next Page IconTo Next Page
To Next Page IconTo Next Page
To Previous Page IconTo Previous Page
To Previous Page IconTo Previous Page
Loading...
Johnson Controls, Inc. SLC Wiring Manual — P/N 51870:G 04/23/2009 51
Wiring a Sounder Base Intelligent Detector Bases
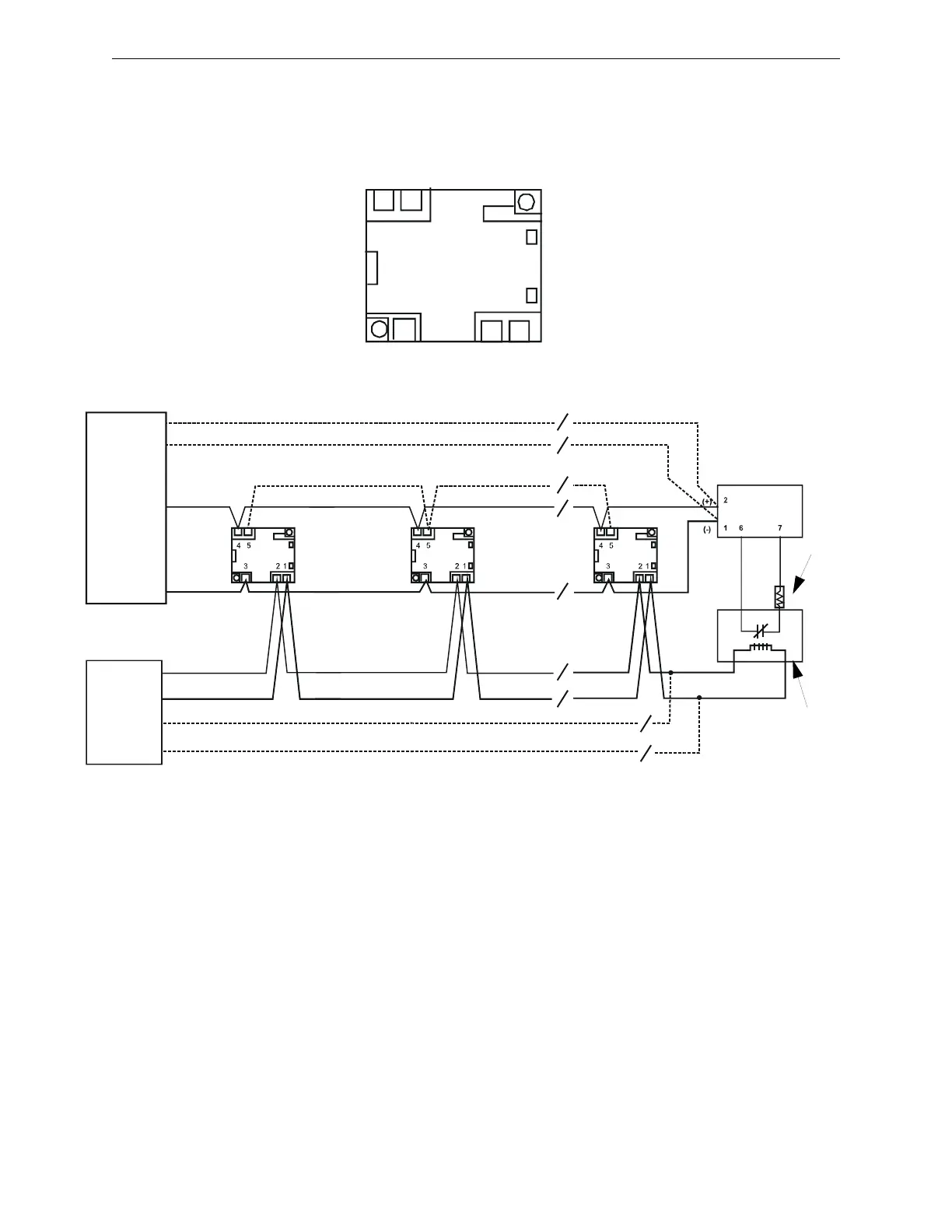
9.5 Wiring a Sounder Base
Figure 9.5 shows typical wiring of the B501BH, and B501BHT sounder bases.
Figure 9.5 Wiring of the B501BH/B501BHT Sounder Bases
B501BHWiring.wmf
Class A Optional Wiring
Optional Sounder Interconnect*
SLC B+
SLC B-
(-) Power
(+) Power
UL-listed
Compatible
FACP
Class A Optional Wiring
External
24V
Supply
Intelligent
Monitor
Module
UL-listed
EOL Relay
24V
UL-listed
EOL
Resistor
47K
*Grouping of up to 6 model B501BHT temporal tone sounder bases.
OUT
+4 –5
IN
-3
External supply
– 2 +1
45
321

Table of Contents

Other manuals for Johnson Controls IFC-3030

Related product manuals