EasyManua.ls Logo

Johnson Controls M510CJ - Page 20

Johnson Controls M510CJ
60 pages
Print Icon
To Next Page IconTo Next Page
To Next Page IconTo Next Page
To Previous Page IconTo Previous Page
To Previous Page IconTo Previous Page
Loading...
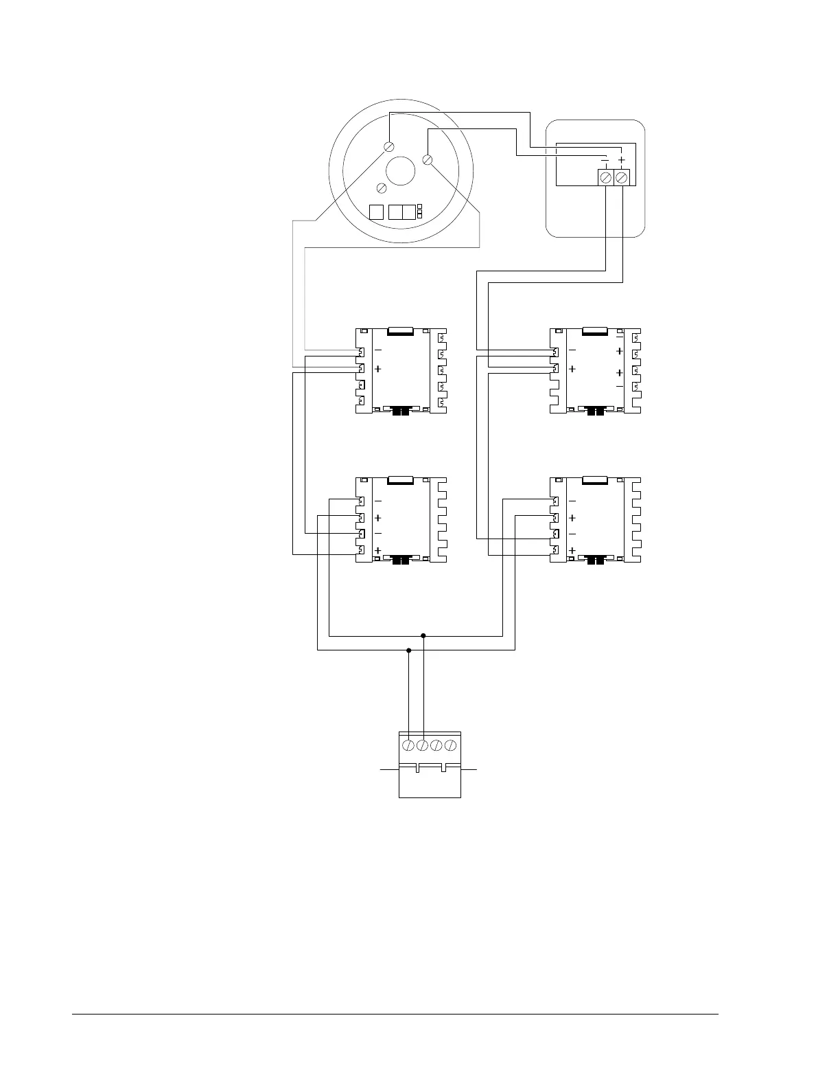
20 Addressable Intelligent Module—AIM-200 Addressable Intelligent Module
Figure 12: Redundant Communications Loop

Related product manuals