EasyManua.ls Logo

JVC AV-27BM3

JVC AV-27BM3
57 pages
To Next Page IconTo Next Page
To Next Page IconTo Next Page
To Previous Page IconTo Previous Page
To Previous Page IconTo Previous Page
Loading...
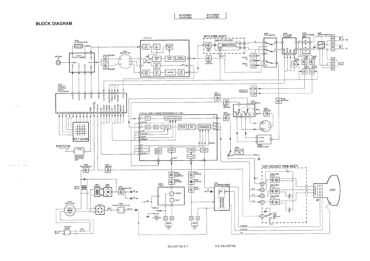
BLOCK
DIAGRAM
ANTENA
N
KEY
SCAN
PHOTO
IN
see
REMOCON
RECEVING
UNIT
yoo
RELAY
AV-27BM3
AV-27CM3
AV-27BM3
AV-27CM3
ler0(
4)
MTS
PWB
ASS'Y
poe
eee
eee
ic601
MTS
DECODER.
MATRIX]
NOISE
ayo
eairen
oxo:
prenue
a
2
:
TTT
PreAwe
INVERTER,
UMITER
H
BOT
BUFFER
e651
ieee
E
VOLUME
‘AUDIO
POWER
AME.
3681
EXTSP
SWITCH,
(he
vc
|
301.
20
al}
AupIO
out
(VARIABLE)
©
IC101(
4)
VIDEO:
CHROMA
PROCESSING
&
H-V
OSC.
GONT&CLAMP,
BRT
}—
TT
foemoou
H
[tater
‘MAT
RIX
‘ON
SCREEN
INTERFACE
LFoot
LINE
FILTER
Ac
120v
oHz
]v.oRWe
vout
522
HV
TRANSFORMER,
12002
®
BUFFER
SCREEN
EXT
sP
1
68a)
[S008]
FORCUS,
HV
(No.50718)
2-7
2-8
(No.50718)

Related product manuals