EasyManua.ls Logo

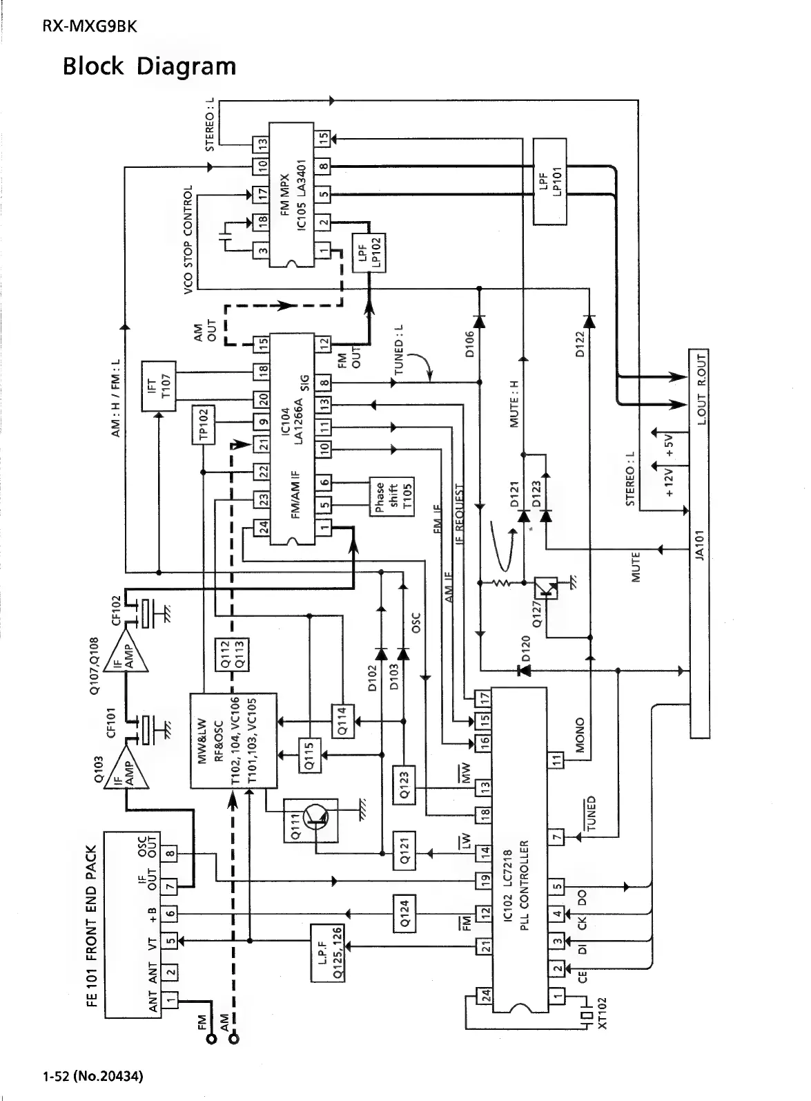
JVC CA-MXG9BK - Block Diagram; Overall System Block Diagram

JVC CA-MXG9BK
100 pages
Print Icon
To Next Page IconTo Next Page
To Next Page IconTo Next Page
To Previous Page IconTo Previous Page
To Previous Page IconTo Previous Page
Loading...
RX-MXG9BK
Block
Diagram
inow
LNo1
ASt+
TACL+
ZOLLX
a
oO
fe
4]
fs]
[#]
[el
fe}
t
YATIOULNOD
Td
812291
ZOLDI
Tey
Ae
ae
&
L
c
#210
7:
d3NNL
9721
’SZLO
id
—_—
=
=
a
ome
a)
DSOBIY
ee
MT8MA
wi
8]
[4]
fey
tst
fet
|
ey
ino
i1NO
a+
LA
INV
INV
TW
/
HAV
Z0L4D
én
LOld>
i
3S0—s
dil
BOLd‘Z0L0
e010
‘Dvd
GN3
LNOWS
101
34
LOvew]
SOLD!
Xd
Wa
1+
OFNALS
TOULNOD
dOLS
ODA
1-52
(No.20434)

Table of Contents

Related product manuals