EasyManua.ls Logo

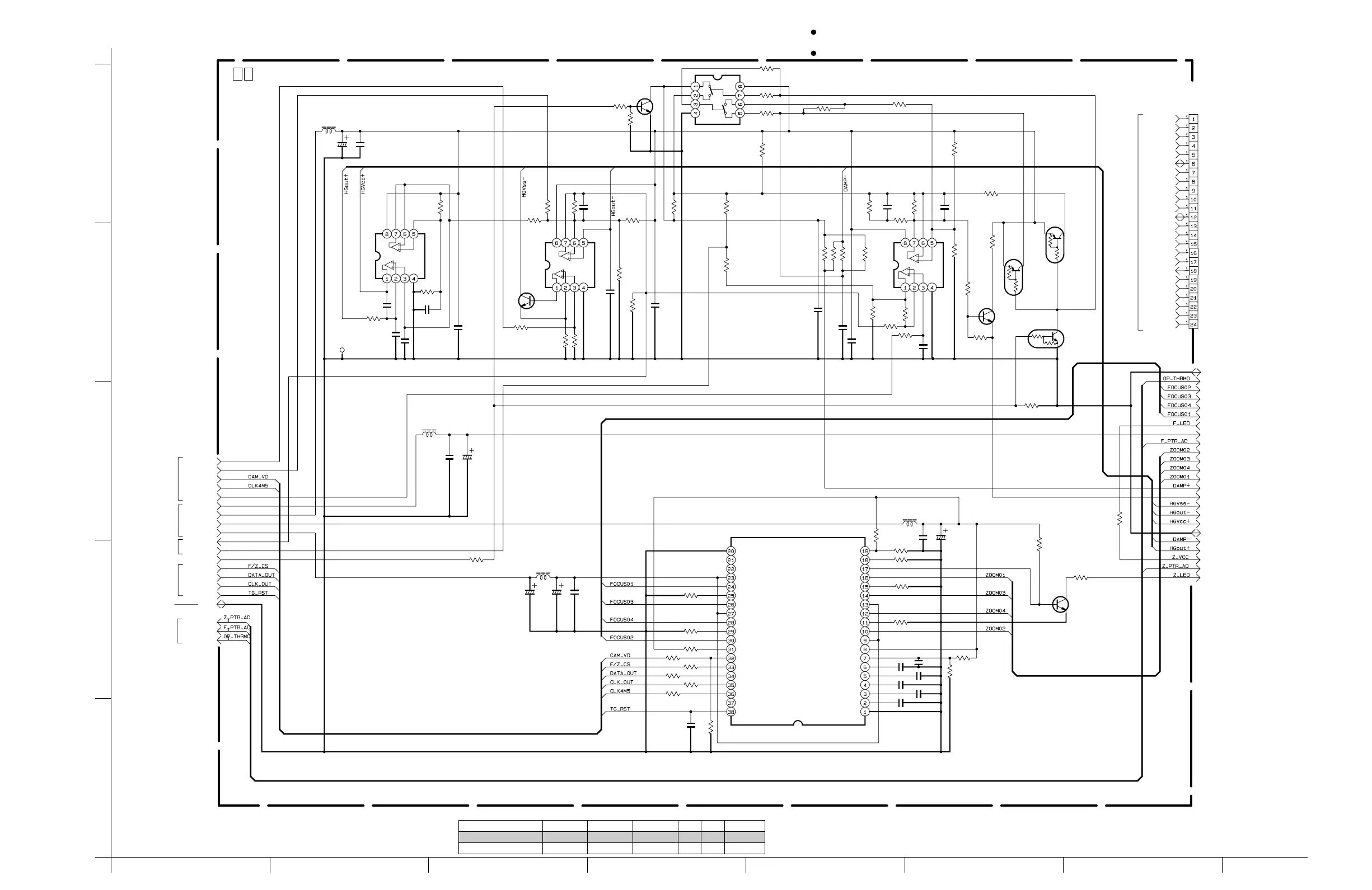
JVC GR-DVL365EG - Op Drv Schematic Diagram

JVC GR-DVL365EG
116 pages
Print Icon
To Next Page IconTo Next Page
To Next Page IconTo Next Page
To Previous Page IconTo Previous Page
To Previous Page IconTo Previous Page
Loading...
1
2
3
5
4
ABCD EFGH
OP DRV SCHEMATIC DIAGRAM4.12
4-264-25
FILa
FILb
FILc
FILd
R4804
H_GAIN
L4802
H_OFFSET
GND
M_REG4.8
R4821
IC4804
R4817
R4820
IRIS_C
R4818
C4855
R4827
R4809
C4807
IC4802
C4854
R4812
OP_THRMO
IC4803
R4813
R4808
R4814
R4831
R4819
C4813
C4804
C4811
R4811
C4815
IRIS_PWM
GND
FOCUS02
M_REG4.8
C4866
R4828
HALL_AD
CN108
R4805
R4829
R4841
R4810
R4815
Q4805
C4806
C4822
R4842
REG_4.8V
Q4806
R4843
C4812
C4809
R4806
R4807
C4808
Q4802
IRIS_O/C
IC4851
C4853
R4824
R4862
R4864
R4863
R4865
R4866
C4814
R4874
R4826
R4825
R4867
R4868
C4858
C4859
C4860
C4861
C4862
R4855
R4854
C4863
R4857
R4856
R4858
R4859
C4810
R4860
TG_RST
R4844
R4847
CAM_VD
F/Z_CS
L4852
L4851
DATA_OUT
CLK_OUT
CLK4M5
R4846
FOCUS03
FOCUS04
FOCUS01
C4851C4852
C4803
F_LED
F_VCC
R4823
REG_3V
R4833
F_PTR_AD
R4822
ZOOM02
ZOOM03
ZOOM04
R4836
C4819
ZOOM01
C4820
R4816
L4853
C4865
TL4801
C4864
Q4801
DAMP+
DRIVE+
HGVss-
HGout-
HGVcc+
GND
C4823
R4845
Q4851
DAMP-
R4870
HGout+
Z_VCC
Z_PTR_AD
Z_LED
[12]
[13]
[14]
[15]
[16]
[17]
[18]
[19]
[20]
[21]
[22]
[23]
[24]
[1]
[2]
[3]
[4]
[5]
[6]
[7]
[8]
[9]
[10]
[11]
DAMP+
IC4807
DRIVE+
Q4803
HGVss-
HGout-
Z_PTR_AD
HGVcc+
Q4804
GND
DAMP-
HGout+
Z_VCC
R4837 Z_PTR_AD
Z_LED
GND
R4839
R4840
R4830
OP_THRMO
FOCUS02
FOCUS03
FOCUS04
FOCUS01
F_LED
F_VCC
F_PTR_AD
R4850
R4849
ZOOM02
ZOOM03
R4871
R4852
ZOOM04
R4872
F_PTR_AD
OP_THRMO
ZOOM01
330
10µ
100k
330k
100k
150k
0.1
0
560
10
15k
24k
1M
10k
0.1
0.1
0.01
680K
1500P
0
10k
10k
4.7k
0.1
0
0.1
0.1
68k
56K
1
3.3
4.7k
6.8
1k
6.8
1k
1k
0.1
0
#
#
1k
0
68p
1000p
1000p
1000p
1000p
0R0
6.8
6.8
33k
0
0.01
0
150
10µ
#
100.1
10
1k
100k
33k
0
0.1
1M
10µ
0.1 10
270
#
0
LM358DR2-X
TA75W01FU-X
/10
TA75W01FU-X
DAMP+
DRIVE+
HGVss-
HGout-
HGVcc+
GND
DAMP-
HGout+
Z_VCC
Z_PTR_AD
Z_LED
GND
OP_THRMO
FOCUS02
FOCUS03
FOCUS04
FOCUS01
F_LED
F_VCC
F_PTR_AD
ZOOM02
ZOOM03
ZOOM04
ZOOM01
QGF0508-F1-24X
#
2SC4617/QR/-X
#
LGND
Cosc
FILa
FILb
FILc
FILd
Vref
Vdd
Vm3
D2
FBd
D1
Vm4
C2
FBc
C1
EXP0
EXP1
VREFSEL
PGND
EXTa
Vm1
A1
FBa
A2
Vm2
B1
FBb
B2
LATCH
S DATA
SCLK
OSCin
OSCout
RESET
EXTb
VD
UPD16879GS-X
/10
NQR0129-002X
/6.3
/6.3
/6.3
2SC4655/BC/-X
2SC4617/RS/-X
VSS
VDD
#
#
TT
T
T
T
130mA
TO OP BLOCK
[Zoom/Focus_MDA]
OP_DRIVER
0 1 MAIN (OP DRV)
TO
CAM.DSP
TO REG
TO REG
TO
SYSCON
TO
SYSCON
TO
SYSCON
TO
OP DRV
CN108
y20173001a_rev0.0
NOTE : The parts with marked ( ) is not used.
# Exchange Parts List
With DSC MODEL
Without DSC MODEL
DTC143EE-X
Q4803
DTA144EE-X
Q4804
DTA143EE-X
Q4805
2.2k
R4825
47k
R4826
0
R4837, R4846
(N.C)
When ordering parts
,
be sure to order according to the Part Number indicated in the Parts List.
For the destination of each signal and further line connections that are cut off from
this diagram
,
refer to "4.1 BOARD INTERCONNECTIONS".
NOTES :

Table of Contents

Related product manuals