EasyManua.ls Logo

JVC GR-DVL365EG

JVC GR-DVL365EG
116 pages
To Next Page IconTo Next Page
To Next Page IconTo Next Page
To Previous Page IconTo Previous Page
To Previous Page IconTo Previous Page
Loading...
1
2
3
5
4
ABCD EFGH
4-684-67
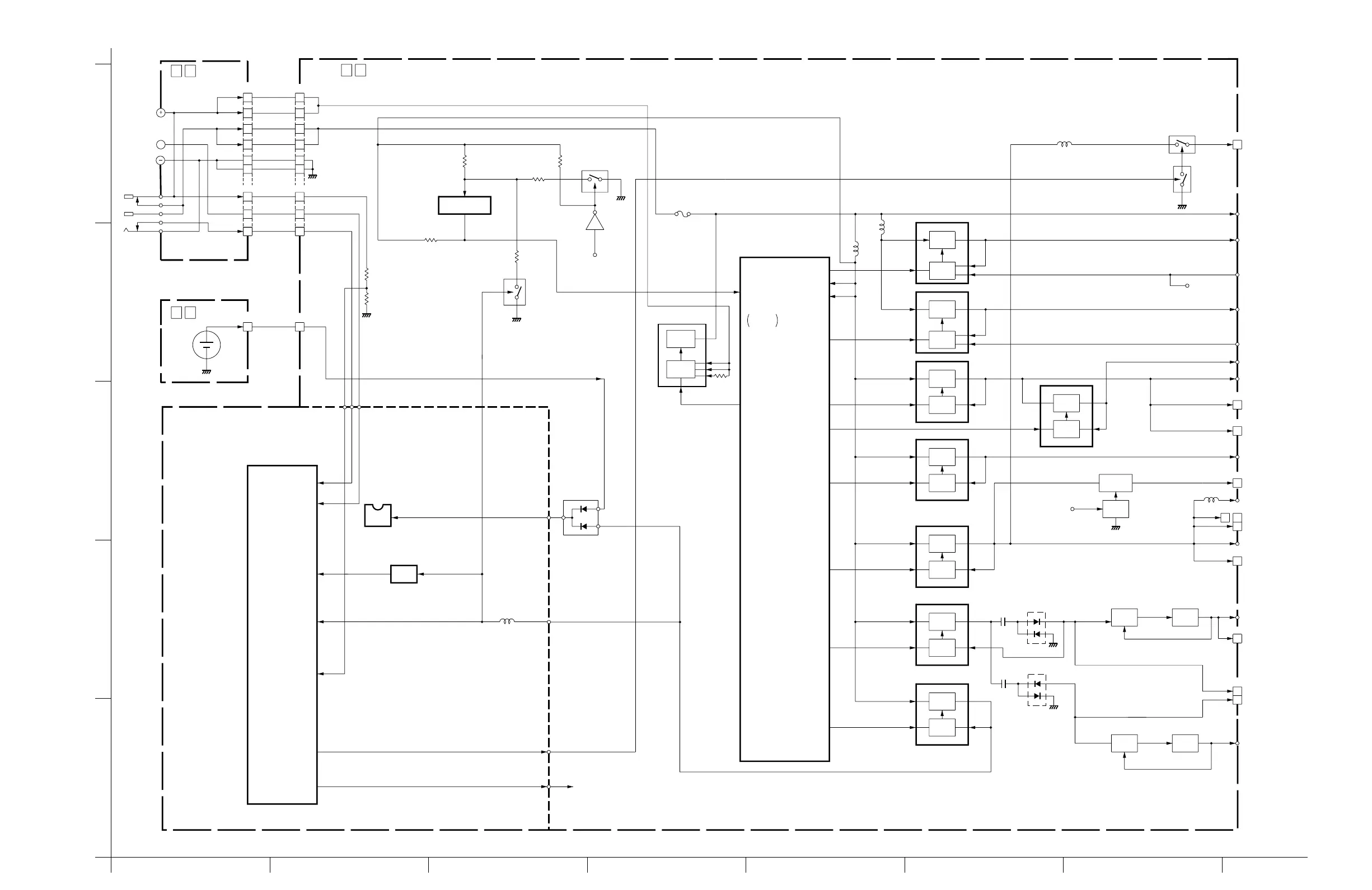
REGULATOR SYSTEM BLOCK DIAGRAM4.31
L6101
L6102
REG_3V
F6101
Q6001
R6002
R6001
IC6002(1/2)
R6004
IC6001
IC6002(2/2)
R6003
ADP_DC
BATT+
BATT+
CN104CN552
CN103CN551
3
2
1
4
5
6
L :ON
H :ON
LAMP ON
DRUM
POWER
CONV
DC-DC
CONV
DC-DC
POWER
DC-DC
CONV
SW REG
3V
DC-DC
CONV
SW REG
DRUM_PWR
DRUM_ERR
CAP_PWR
CAP_ERR
VF
4.8V
SW REG
CONV
DC-DC
ES
VF_CTL
REG_4.8V
DC-DC
CONV
SW REG
VCC1
L :STOP
H :START
DC-DC CONV
CTL
L :ON
at POWER OFF
BATT DC DET
1
DET:L
2
POWER ON:H
POWER OFF:ON
REG
12V
DIF
AMP
VCC2
REG_1.8V
CN101
REG_4.8V
CN101
REG_4.8V
REG_4.8V
AMP
DIF
-CCD
REG
6
10 MAIN(REG)
CAPSTAN
DC-DC
CONV
60
14
21
13
BATT
47
SHUTDOWN
R6701
IC6101
L6701
,
C6703
IC6101
,
Q6701
POWER CTL
8
51
Q6217
IC6101
,
Q6208
L6206
,
C6215
54
32
31
IC6101
,
Q6210
L6207
,
C6218
53
35
34
IC6101
,
Q6201
L6201
,
C6202
58
23
IC6101
,
Q6203
L6202
,
C6207
1.8V
57
25
IC6101
,
Q6204
L6203
,
C6210
27
55
29
C6221
IC6101
,
Q6211
L6208
DC-DC
CONV
AL 3V
SW REG
62
63
C6004
REG_2.5V
REG_3V
REG_3V
REG_3V
CN106
LAMP_4.5V
M_UNREG
DC-DC
CONV
2.5V
SW REG
50
48
CN105
16
CN109
2
33
M_REG4.8V
15 16
30
L6204
CN102
19
Q6212 Q6213
REG_12V
32
REG_12V
CN101
19
18
Q6215 Q6216
D6206
Q6207
IC6101
,
Q6004
Q6205
Q6206
VFREG4.8
IC6101
,
Q6202
R6206
,
C6204
CN101
REG_15V
REG-CCD
56
D_GAIN
REG4.8
REG_-15V
153
151
VF_CTL
LAMP ON
VF_CTL
V_BATT
AL_3V
78
RESET
IC1001(CPU)
T_BATT
ADP_H
8
VDD
128
RESET
IC1008
12
IC1002
45
56
L1002
AL_3V
D6002
REAR
(SYSCON)
MONITOR
BT1
02
ADP_DC IN
T
BATT.TERM
07
R6005
LITHIUM
LTHIUM
33
CN761
8
CN101
R6705
T_BATT
ADP_H
12
11
1
2
ADP_DC
10
2
1
3
BATT_CHK
3
GND
GND
5
6
4
R6704
L6205
C6227
D6208
(Sanwa)-M2D222/225/227/225+ GR-DVL155EG-X, DVL160EG-X/EK, DVL167EG-X/EKE . & O . E. No. 86662

Table of Contents

Related product manuals