EasyManua.ls Logo

JVC GR-DVL365EG

JVC GR-DVL365EG
116 pages
To Next Page IconTo Next Page
To Next Page IconTo Next Page
To Previous Page IconTo Previous Page
To Previous Page IconTo Previous Page
Loading...
1
2
3
5
4
ABCD EFGH
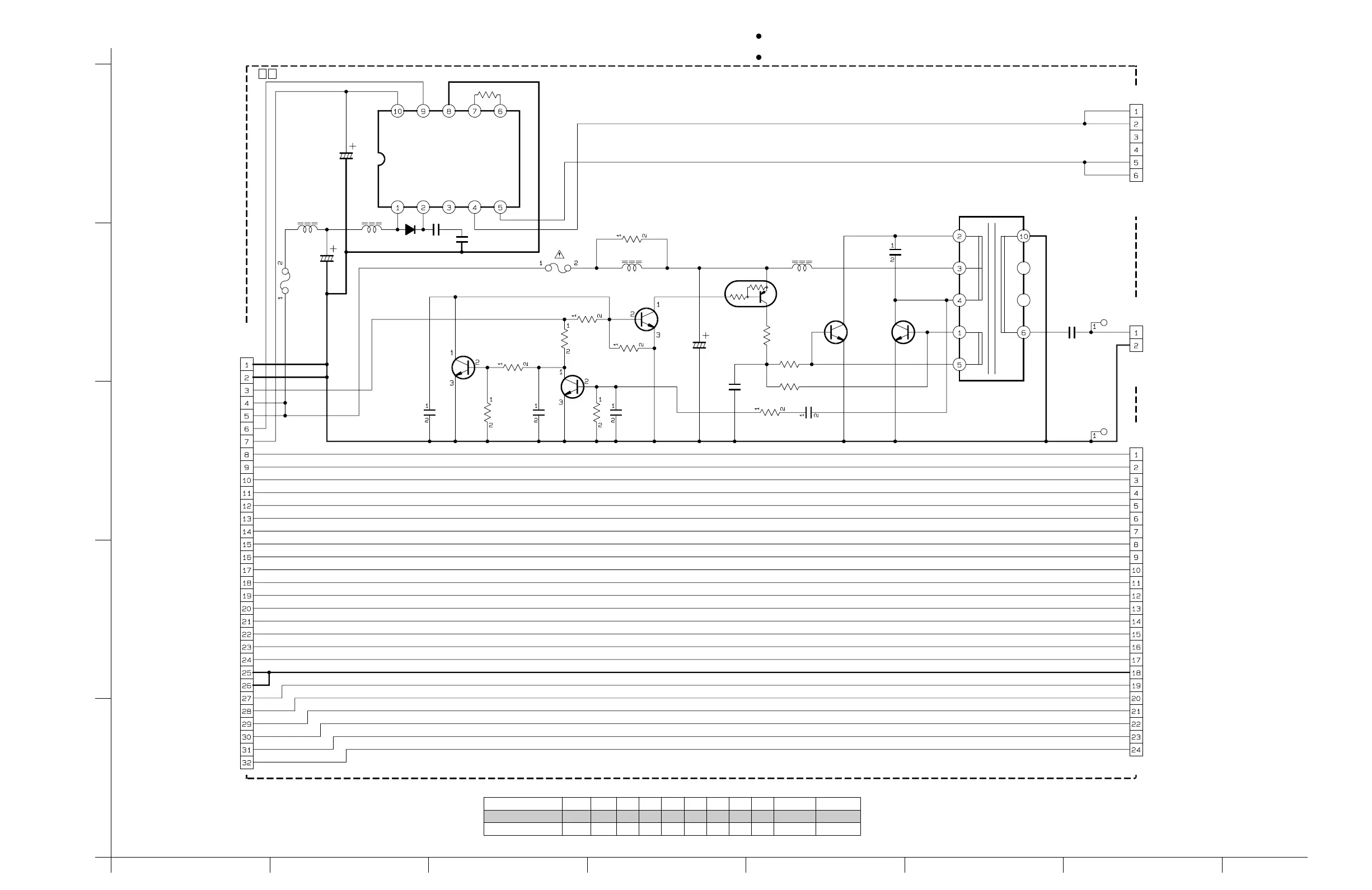
LCD BL SCHEMATIC DIAGRAM4.16
4-344-33
CN752
CN753
CN754
#
CN751
C754
F751
F7501
Q7504
L752
IC751
D751 C753
C751
C752
R751
L751
C7506R7504
R7506
C7507
R7505
Q7505
R7507
R7508
C7508
R7509
R7510
Q7506
C7509
TL7501
TL7502
C7503
R7511
T7501
C7504
C7501
R7502
L7502 L7501
C7505
R7503
R7501
Q7501
Q7502
Q7503
47K
47K
0.027
0
0.01
18p
1k
68µ
10
1k
1k
VGL
VSS
STV1
UD
CPV
OEV
STV2
VDD
VGH
VCOM
VEE
STH2
RL
VB
SIG_GND
CLK3
CLK2
CLK1
Q2H
OEH
STH1
BL_GND
HV
EL1
EL1
EL2
EL2
BL_GND
BL_GND
LCD_CTL
BL_4.8V
BL_4.8V
(N.C)
A_REG_3V
VGL
VSS
STV2
UD
CPV
OEV
STV1
LCD_VDD
VGH
LCD_COM
LCD_VEE
STH2
LCD_RVS
VB
MON_R
MON_G
MON_B
GND
GND
CLK3
CLK2
CLK1
Q2H
OEH
STH1
NMFZ004-R40X-K
2SC4617/QR/-X
NC
EL
EL
VCC
ENB
GND
RT2
RT1
CIL
DC
NQS0048-001X
/6
2SD1664/QR/-W
2SD1664/QR/-W
DTA144EE-X
R
G
B
#
#
#
#
##
T
#
T
#
#
#
T
TO LCD MODULE
TO BACK LIGHT
TO_EL
TO MONITOR
CN764
y30162001a_rev0.0
NOTE : The parts with marked ( ) is not used.
0 3 LCD BL
# Exchange Prats List
With EL MODEL
Without EL MODEL
IC751
MIP805-X
D751
1SS376-X
L751
680
L752
10
R751
100K
C751
10/6
C752
10/6
C753
2200p
C754
2200p
∗∗∗∗∗∗∗
CN754
QGF0505F2-06X
F751
NMFZ007-R40X-K
When ordering parts
,
be sure to order according to the Part Number indicated in the Parts List.
For the destination of each signal and further line connections that are cut off from
this diagram
,
refer to "4.1 BOARD INTERCONNECTIONS".
NOTES :

Table of Contents

Related product manuals