EasyManua.ls Logo

JVC GR-DVL365EG

JVC GR-DVL365EG
116 pages
To Next Page IconTo Next Page
To Next Page IconTo Next Page
To Previous Page IconTo Previous Page
To Previous Page IconTo Previous Page
Loading...
1
2
3
5
4
ABCD EFGH
4-404-39
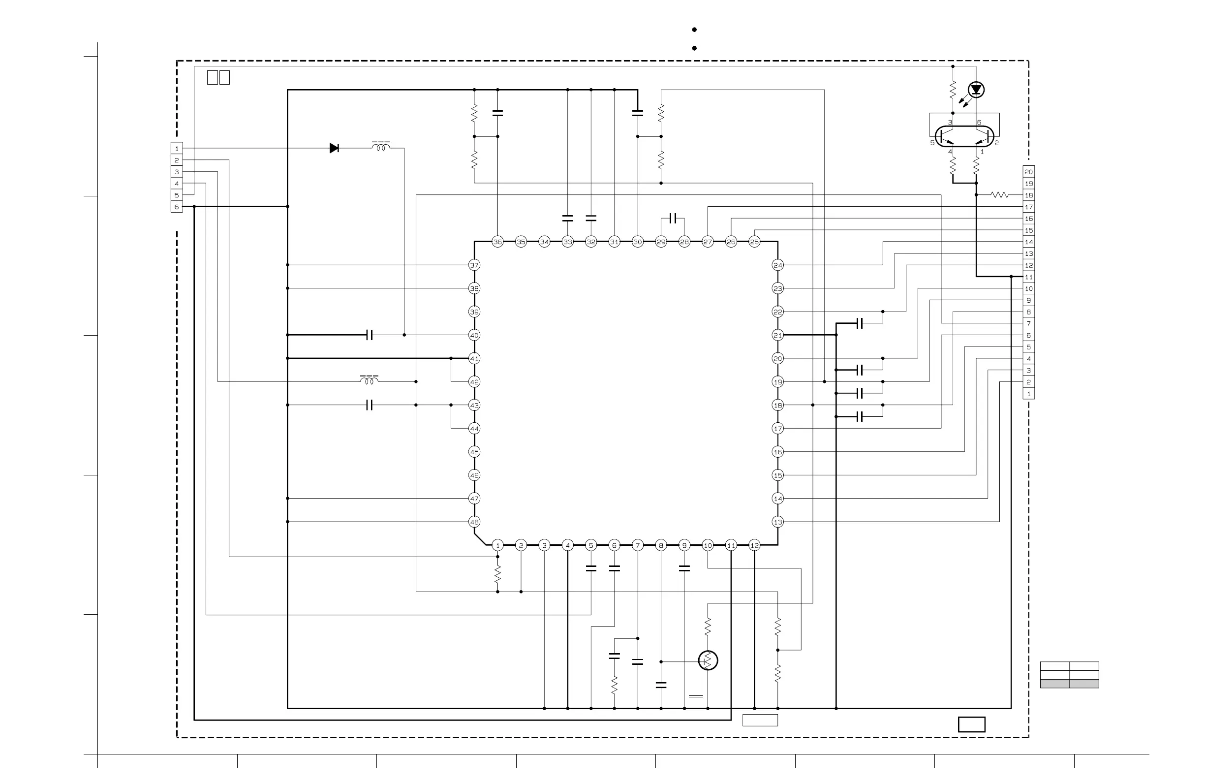
B/W VF SCHEMATIC DIAGRAM4.21
PLL_FILTER
IC7001
C7013
R7009
C7003
R7001
R7007
CN7002
R7005
R7010
D7001
Q7001
R7011
R7013R7012
CN7001
L7002
L7001
C7005
D7002
C7011
C7006
C7015
C7004
R7008
R7002
C7002
C7001
C7014
R7004
R7003
R7006
C7017
C7016
C7010
C7009
C7008
C7007
C7012
0.1
6.8k
1
10k
15k
1k
3.3k
47560
10µ
10µ
0.01
0.001
1
0.01
0.022
47k
1.8k
0.1
0.1
0.1
18k
33k
10
4.7
0.1
0.1
0.1
0.1
0.01
CLAMP
OSD_IN
SLEEP
HOLD_SEL
A_GND
VIDEO_IN
PLL_FILTER
GAIN
SYFLTR
525/625
D_GND
A_GND
PDR
VIDH
VCK
VPL
HODL
V_COM
VEE
VDD
VSS
V_REF
HPL
HCK
RENE
RENO
VIDL
VIDLC
VIDCH
BLACK_LEVEL
NC
VDD_CAP
NC
OK
GAMMA
HOLD_INV_F
NC
NC
VDDH
TEST
SEL_PDR
VBAT
A_VBAT
H_SYNC
V_SYNC
VHIO_SEL
REF_GND
VBG
MCVVQ111FB
GND
VIDLO
RENON
RENEN
HCLKN
HPLN
VREF
BW_VDD
BW_VEE
BW_COM
HLTOR
HODL
VPLN
VIDHI
VCKN
PDR
TCL
THL
TV
THH
QGF0517F2-20X
NSCW100A0/ST/-X
PUMX1-W
VFREG4.8V
REG_12V
REG_4.8V
LCD_Y
SLEEP
GND
QGF0517F1-06X
MA111-X
/6.3
/16
#
GAIN
R7004
VF
NTSC
PA L 0
# Difference table
y30149001a_rev0.0
NOTE : The parts with marked ( ) is not used.
TO MONITOR
CN763
TO LCD MODULE
0 8 B/W VF
VR7001
22k
GAIN
When ordering parts
,
be sure to order according to the Part Number indicated in the Parts List.
For the destination of each signal and further line connections that are cut off from
this diagram
,
refer to "4.1 BOARD INTERCONNECTIONS".
NOTES :

Table of Contents

Related product manuals