EasyManua.ls Logo

JVC GR-DVL365EG

JVC GR-DVL365EG
116 pages
To Next Page IconTo Next Page
To Next Page IconTo Next Page
To Previous Page IconTo Previous Page
To Previous Page IconTo Previous Page
Loading...
1
2
3
5
4
ABCD EFGH
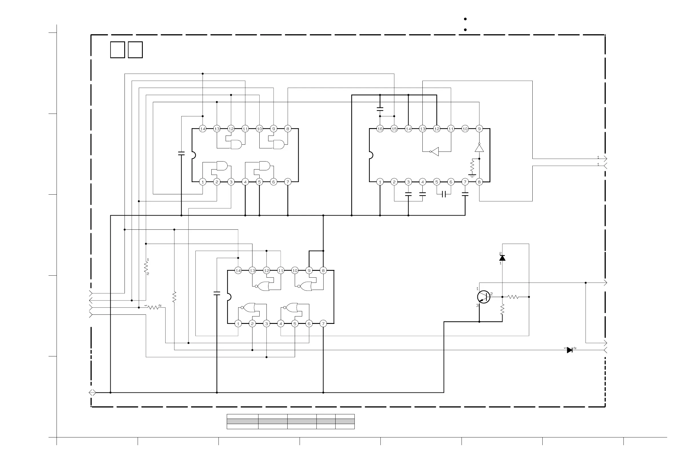
PC IF SCHEMATIC DIAGRAM4.4
4-104-9
USB_DP_TX
IC1302
IC1303
IC1301
R1307
R1308
C1301
C1302
C1305
C1307
IF_RX
C1306
C1303 C1304
USB_DN_RX
R1302
GND
JLIP_L
IF_TX
Q1301
AL_3VSYS
D1301
D1302
R1306
R1305
JLIP_TX
JLIP_RX
#
#
#
0.1
#
##
4.7K
4.7k
EN
C1+
V+
C1+
C2+
C2-
V-
R1IN
R1OUT
INVALID
T1IN
FORCEON
T1OUT
GND
Vcc
FORCEOFF
#
GND
Vcc
SN74LV02APW-X
GND
Vcc
#
2SC4617/QR/-X
1SS376-X
1SS376-X
MAIN
#
#
(PC IF)
01
NOTE : The parts with marked ( ) is not used.
y30159001a_rev0.0
TO
SYSCON
TO REG
TO MAIN IF
CN103
TO
MAIN IF
CN105
JLIP_TX
TO
MAIN IF
CN102
# Exchange Parts List
With DSC MODEL
Without DSC MODEL
IC1301 IC1302
C1301~C1306
R1307/R1308
∗∗
0
SN74LV08APW-X MAX3221CAE-X 0.1
When ordering parts
,
be sure to order according to the Part Number indicated in the Parts List.
For the destination of each signal and further line connections that are cut off from
this diagram
,
refer to "4.1 BOARD INTERCONNECTIONS".
NOTES :

Table of Contents

Related product manuals