EasyManua.ls Logo

JVC KW-R950BTS - Troubleshooting; Common Issues and Solutions

JVC KW-R950BTS
140 pages
To Next Page IconTo Next Page
To Next Page IconTo Next Page
To Previous Page IconTo Previous Page
To Previous Page IconTo Previous Page
Loading...
ENGLISH
43
Data Size: B6L (182 mm x 128 mm)
Book Size: B6L (182 mm x 128 mm)
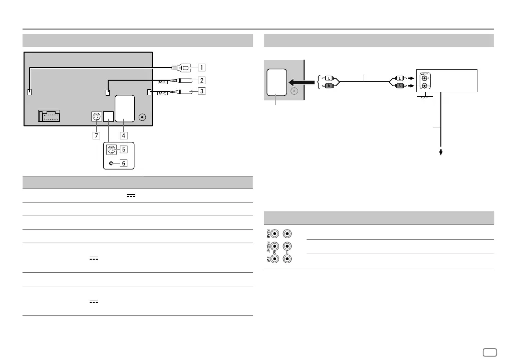
Installation/Connection
Connect external amplifiers via output terminals
JVC Amplifier*
Signal cord (not supplied)
Output terminals
To remote lead (blue/white) of the
wiring harness. (Page 42)
Remote wire (not supplied)
* Firmly connect the ground wire of the amplifier to the car’s chassis to avoid damaging the unit.
Output terminals 2-way crossover 3-way crossover
REAR: Rear output Tweeter output
FRONT: Front output Mid Range output
SW: Subwoofer output Woofer output
Connect external components
No Part
1
For KW-X855BTS: USB cable (DC 5 V 1.5 A) (approx. 1 m/3.3 feet)
2
For KW-X855BTS: MIC (Microphone input terminal) (page 17)
3
For KW-X850BTS: MIC (Microphone input terminal) (page 17)
4
Output terminals (See “Connect external amplifiers via output terminals”.)
5
For KW-X855BTS/KW-X850BTS:
Expansion port (12 V
500 mA): To the optional SiriusXM Vehicle Tuner (commercially
available). (Page 12)
6
For KW-R950BTS: Microphone input jack (page 17)
7
For KW-R950BTS:
Expansion port (12 V
500 mA): To the optional SiriusXM Vehicle Tuner (commercially
available). (Page 12)
KW_R950BTS_K_B5A-3883-00_EN_1st Draft.indd 43KW_R950BTS_K_B5A-3883-00_EN_1st Draft.indd 43 9/7/2021 11:39:39 PM9/7/2021 11:39:39 PM

Table of Contents

Related product manuals