EasyManua.ls Logo

JVC MultiMediaNavigator - Liitännät

JVC MultiMediaNavigator
222 pages
Print Icon
To Next Page IconTo Next Page
To Next Page IconTo Next Page
To Previous Page IconTo Previous Page
To Previous Page IconTo Previous Page
Loading...
SU 7
LIITÄNNÄT
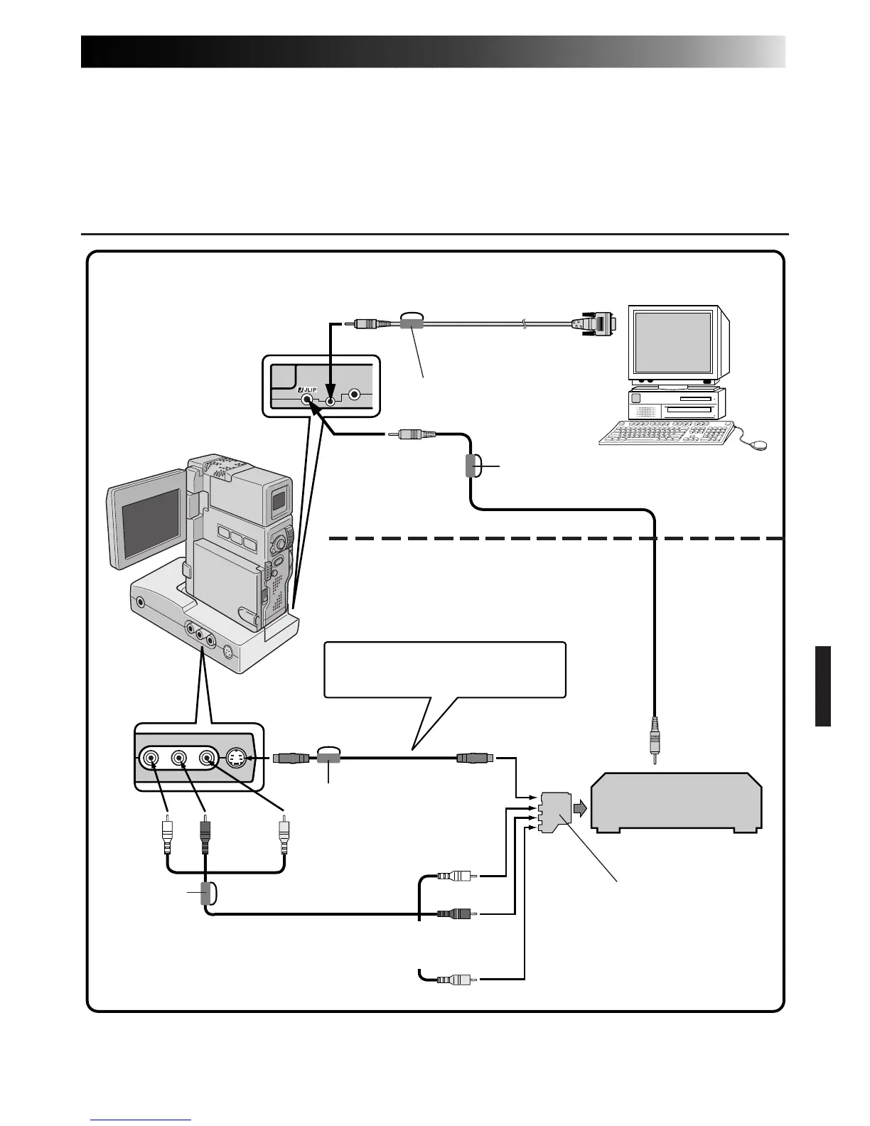
LIITÄNTÄ KUVANAUHURIIN, JOSSA ON JLIP-LIITIN
Käytettäessä JLIP Video Capure-ohjelmistoa
PC-liittimeen
JLIP-liittimeen
PC liitäntäjohto
(vakiovaruste)
Tietokone (PC)
COM-porttiin
(RS-232C)
Kameranauhuri
Ydinsuodatin
Käytettäessä JLIP Video
Producer-ohjelmistoa:
JLIP-liittimeen
JLIP-johto
(vakiovaruste)
Kuvanauhuri
(nauhoittava dekki)
Jos kuvanauhurissasi on
SCART-liitin, käytä
johtosovitinta (vain PAL).
Liitä tämä, jos videolaitteessa
on S-kuvan tuloliitin
S OUT-
liittimeen
S-VIDEO johto
(vakiovaruste)
S-VIDEO
tuloliittimeen (S-kuva)
AUDIO/VIDEO-johto
(vakiovaruste)
Valkoinen liittimeen
AUDIO L (vasen ääni)
Keltainen liitimeen VIDEO (kuva)
Punainen liittimeen
AUDIO R (oikea
ääni)
Valkoinen
liittimeen
AUDIO L
(vasen ääni)
Punainen
liittimeen
AUDIO R
(oikea ääni)
Keltainen
liitimeen
VIDEO
(kuva)
Ydinsuodatin
n Varmista turvallisuuden vuoksi ennen liitäntöjen tekemistä, että kaikista laitteista on
katkaistu virta.
n Suosittelemme käytettäväksi verkkolaitetta/lataajaa.
n Kun liität varusteisiin kuuluvat johdot, kytke kameranauhuriin ydinsuodattimella varustetut
liittimet.
n Älä liitä mitään kameranauhurin DV OUT-liittimeen.
Ydinsuodatin
Ydinsuodatin

Table of Contents

Related product manuals