EasyManua.ls Logo

JVC MX-G50 - Page 42

JVC MX-G50
55 pages
To Next Page IconTo Next Page
To Next Page IconTo Next Page
To Previous Page IconTo Previous Page
To Previous Page IconTo Previous Page
Loading...
MX-G50/MX-G56
1-42
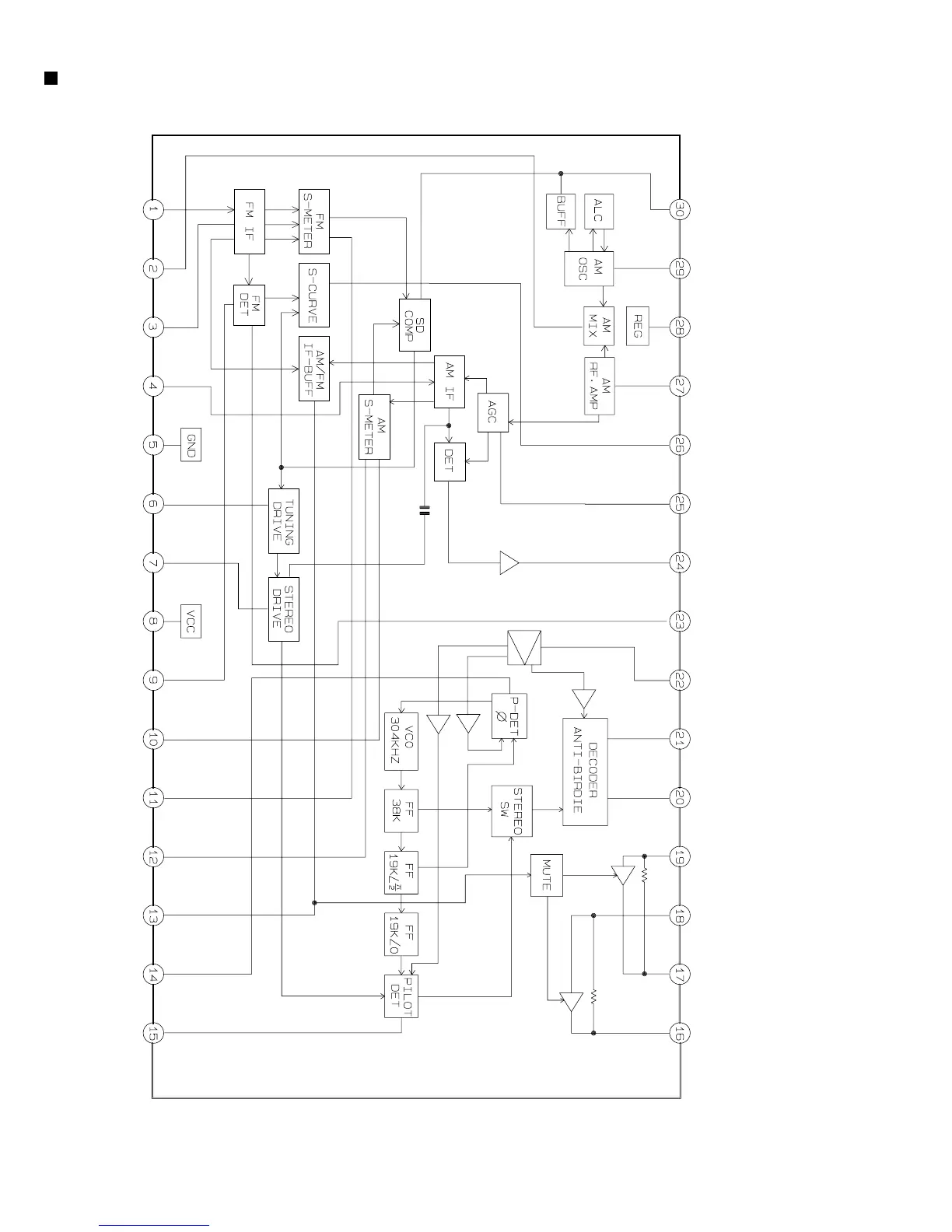
LA1837 (IC01) : FM IF/DET AM RF/IF/DET

Other manuals for JVC MX-G50

Related product manuals