EasyManua.ls Logo

JVC MX-GB5 - Page 46

JVC MX-GB5
85 pages
To Next Page IconTo Next Page
To Next Page IconTo Next Page
To Previous Page IconTo Previous Page
To Previous Page IconTo Previous Page
Loading...
2-1
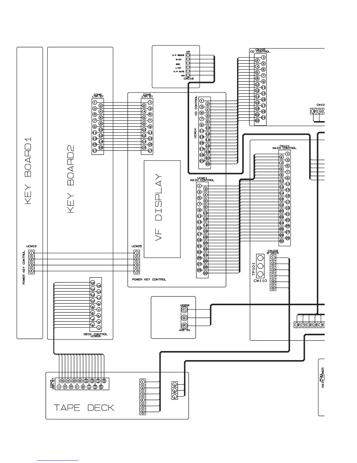
Wiring diagram

Other manuals for JVC MX-GB5

Related product manuals