EasyManua.ls Logo

JVC QL-F6 - Packingmaterialsandpartnumbers

JVC QL-F6
27 pages
Print Icon
To Next Page IconTo Next Page
To Next Page IconTo Next Page
To Previous Page IconTo Previous Page
To Previous Page IconTo Previous Page
Loading...
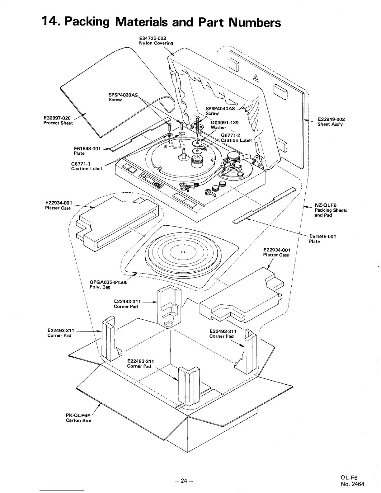
14. Packing Materials
and Part
Numbers
E34725-
002
Nylon Covering
E36997-
020
Protect Sheet
G6771-
Caution Label
E22934-
001
Platter Case
E22493-
311
Corner Pad
PK-
QLF6E
Carton Box
24-
E22949-
002
Sheet Ass
NZ-
QLF6
Packing Sheets
and Pad
E61848-
001
Plate
QL-
No. 2464

Other manuals for JVC QL-F6

Related product manuals