EasyManua.ls Logo

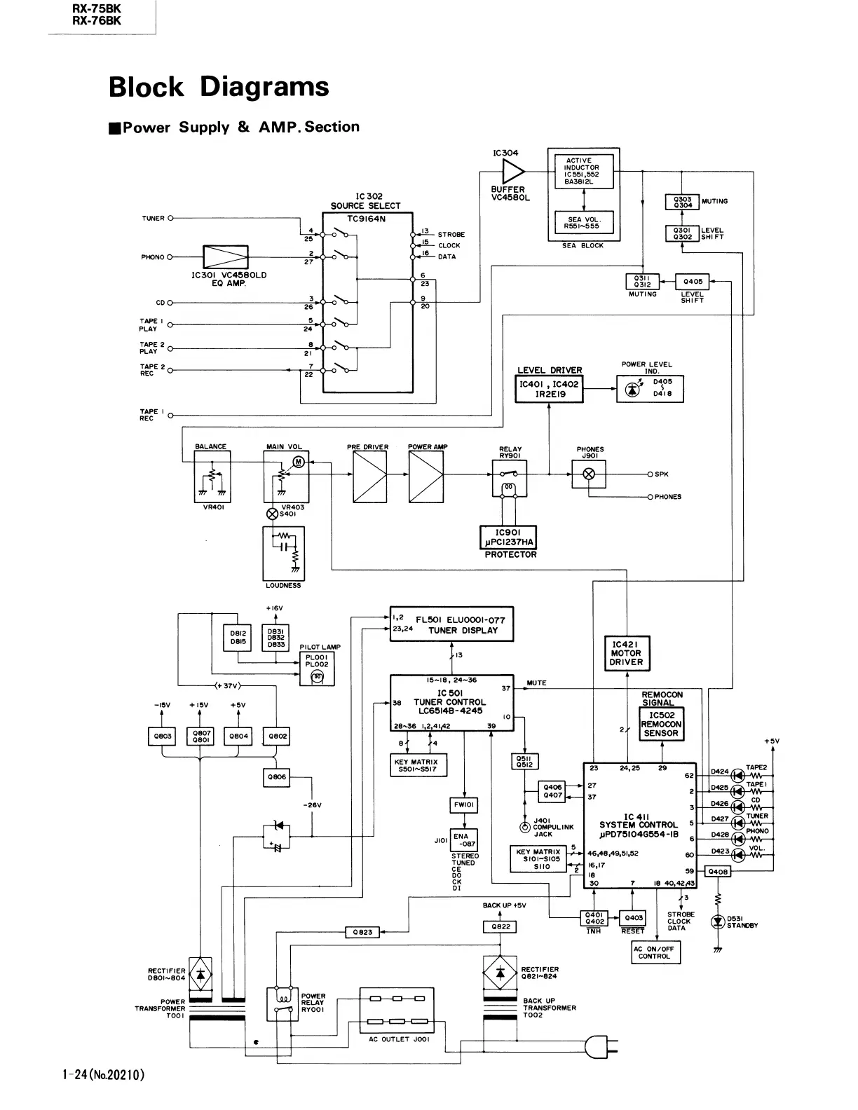
JVC RX-R75BK - Power Supply and AMP Section

JVC RX-R75BK
67 pages
Print Icon
To Next Page IconTo Next Page
To Next Page IconTo Next Page
To Previous Page IconTo Previous Page
To Previous Page IconTo Previous Page
Loading...

Table of Contents

Related product manuals