EasyManua.ls Logo

Kawasaki FD620D - Exploded View

Kawasaki FD620D
136 pages
Print Icon
To Next Page IconTo Next Page
To Next Page IconTo Next Page
To Previous Page IconTo Previous Page
To Previous Page IconTo Previous Page
Loading...
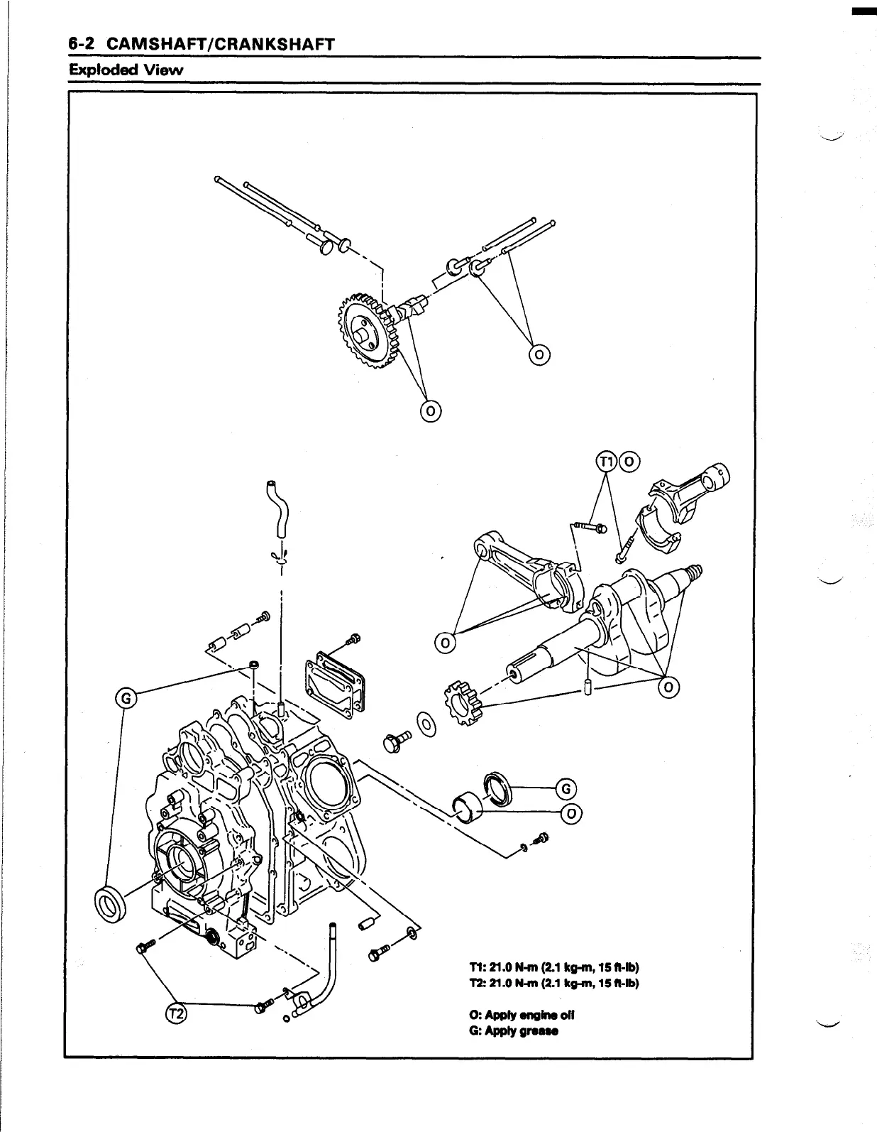
6-2 CAMSHAFT/CRANKSHAFT
Exdoded View
ll: 21.0 N-m (2.1 kg-m, 15 Mb)
T2: 21 .O N-m (2.1 kg+n, 15 Mb)
0: Apply OngIno 011
G: Apply gnaao

Table of Contents

Other manuals for Kawasaki FD620D

Related product manuals