EasyManua.ls Logo

Kees van der Westen Mirage - Technical Information; Electric Scheme: 1-Phase Duette

Kees van der Westen Mirage
66 pages
Print Icon
To Next Page IconTo Next Page
To Next Page IconTo Next Page
To Previous Page IconTo Previous Page
To Previous Page IconTo Previous Page
Loading...
TECHNICAL INFORMATION
Mirage technical manual page 48 of 65
Technical information
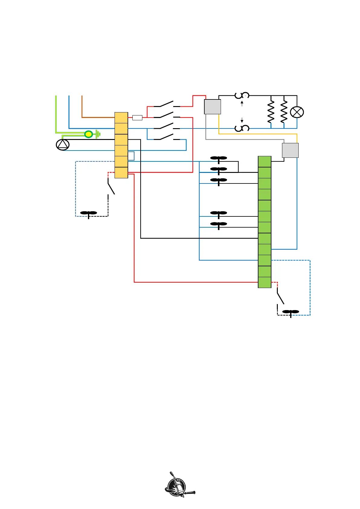
Electric scheme Mirage 1-phase, Duette
Figure T 1. Schematics of the 230VAC circuit in a Mirage Duette (3600W). NB: the control power from
ST25 to SSR is 12VDC.
2
1
2
1
Gr mains ground
N mains neutral
P mains phase
16A fuse
CW cold water valve
HW
hot water valve
Fill fill valve
GrL
group valve left
GrR group valve right
StL steam valve left
StR steam valve right
MS mains switch CB mains connector block
OHSS overheat safety switch GC Gicar 12-pole connector
HS heating spiral SSR solid state relay
IL indicator light ST25 temperature controller
IL
CB
MS
GC
HE
2
9
10
11
12
1
2
3
4
5
6
P
N
Gr
HW
CW
3
4
5
6
1
7
8
StR
pump
StL
Fill
GrR
GrL
ST25
SSR
OHSS
16A