EasyManua.ls Logo

Kenwood BASIC M2 - Power Supply

Kenwood BASIC M2
20 pages
Print Icon
To Next Page IconTo Next Page
To Next Page IconTo Next Page
To Previous Page IconTo Previous Page
To Previous Page IconTo Previous Page
Loading...
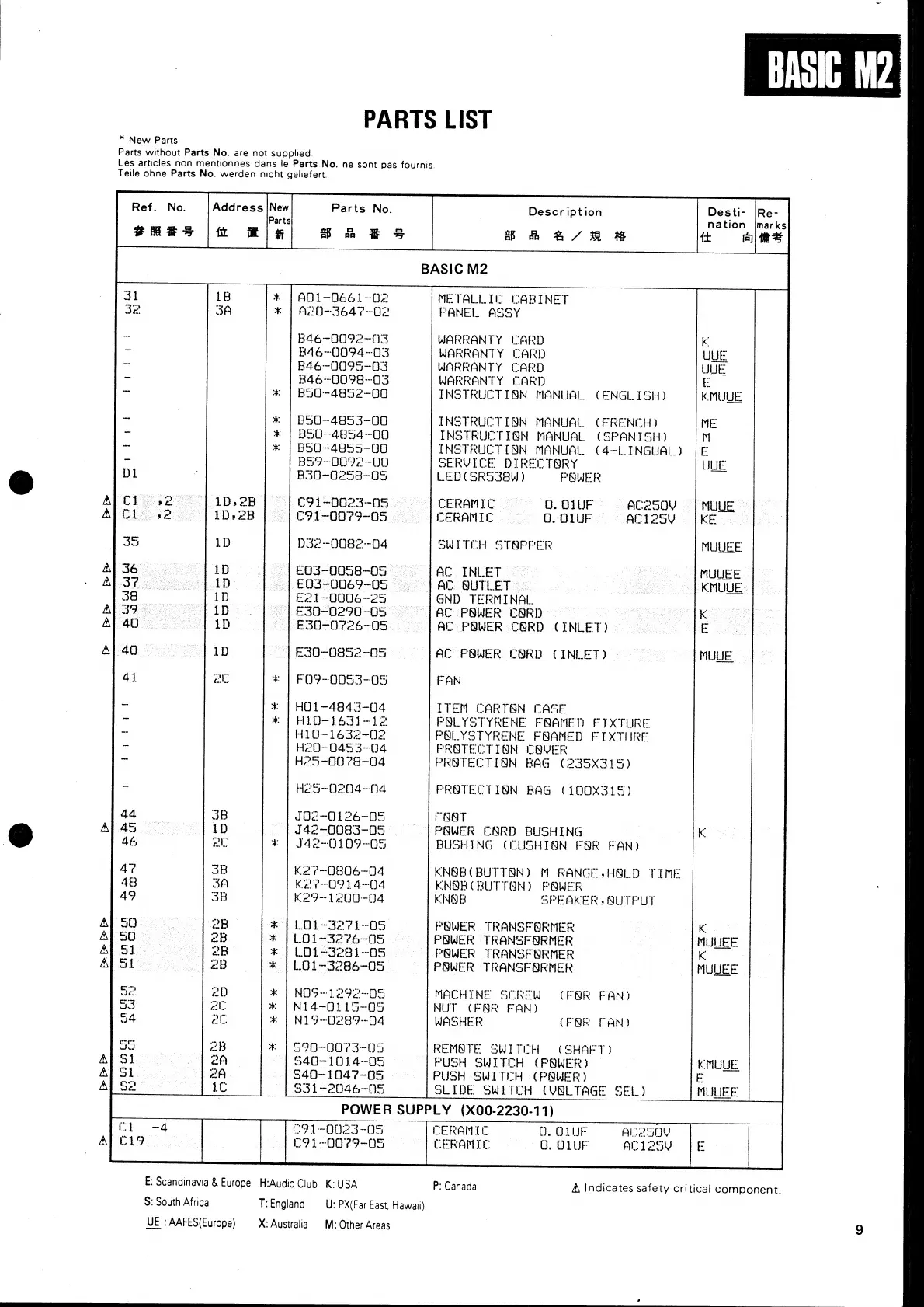
BASIC
M2
PARTS
LIST
*
New
Parts
Parts
without
Parts
No.
are
not
supplied.
Les
articles
non
mentionnes
dans
le
Parts
No.
ne
sont
pas
fournis.
Teile
ohne
Parts
No.
werden
nicht
geliefert.
Ref.
No.
Address
|New
Parts
SMES
|
ti
a
AD1-0661--02
AZO-364
7-02
B46-0092-03
B46-0094-03
B46-0095-03
B46-0098--03
BS0-4852-00
BS0-4853-00
BS0-4854-00
BS0-4855-00
BS9-0092--00
B30-0258-05
|
091-0023-05
C91-0079-05
>
D32-0082--04
|
|
€03-9088-05
|
|
|
£03-0069-05
|
E2t-0006-25
|
€30-0290-05
E30-0726-05
>
BPP
PB
E30-0852-05
FO9-0053-05
HO1--4843-04
H10-1631-12
H10-1632-02
H20-0453-04
H25~-0078-04
H2S-0204-04
JO2-O0126-05
J42-0083-05
J42-0109-05
Ki
P-O806-04
Ke
(0914-04
K29-
1200-04
LO
LO1-
ay
eri;
-DS
~3276-05
LO1-3281-05
L.01-3286-05
>
B>
B
&
NO9-
1292-05
N14-0115-05
N19-0289-04
$90-0073-05
$40-1014-05
$40-1047-05
$31-2046-05
E>
E>
Description
2
S/R
METALLIC
CABINET
PANEL.
ASS
9
WARRANTY
(ARD
kK
WARRANTY
CARD
WUE
WARRANTY
(CARD
WARRANTY
CARD
INSTRUCTION
MANUAL
CENGL.ISH)
INSTRUCTION
MANUAL.
INSTRUCTION
MANUAL
INSTRUCTION
MANUAL.
SERVICE
DIRECTARY
LED(S
SRS3BW
)
FAWER
(FRENCH
)
(SPANISH)
(4—L.
TINGUAL.
)
CERAMIC
|
:
0.
O1UF
CERAMIC
0.
O1UF
ALLS
OV
ALLZSV
|
SWITCH
STOFFER
INLET
~
AC
:
RUTLET
AL
{GND
TERMINAL.
pa
ar
PQWER
CARD
AL
PRWER
CARD
(INLET)
AZ
POWER
CARD
CINLET)
|
FAN
[ITEM
CARTON
CASE
POLYSTYRENE
FOAMED
FIXTURE
POLYSTYRENE
FSAMED
FIXTURE
FROTECTIOQN
CAVER
PRATELTION
BRAG
(235X315)
PROTECTION
BAG
(100X315)
F
NNT
|
PQWER
CARD
BUSHING
BUSHING
CCUSHIQN
FAR
FAN)
KNSBCBUTTON)
M
RANGE,
KN&EBCBUTTON)
FAWER
KNAB
SPEAKER
»
SUTFUT
HA&LD
TIME
PQWER
TRANSFORMER
|
oe
PQWER
TRANSFARMER
|
MUUEE
POWER
TRANSFORMER
K
PQWER
TRANSFORMER
MUUEE
MACHINE
SCREW
NUT
(FAR
FAN)
WASHER
(FAR
FAN)
(FAR
TAN)
REMOTE
SWITCH
PUSH
SWITCH
(PSWER)
KMUUE
PUS
9H
SWITITH
(PAWER)
EE
SLIDE
SWITCH
(V@LTAGE
SEL)
MUWEF
SHAFT
)
POWER
SUPPLY
(X00-2230-11)
-91-0023-05
091-0079-05
E:
Scandinavia
&
Europe
H:Audio
Club
K:
USA
S:
South
Africa
UE
:
AAFES(Europe)
T:
England
X:
Australia
U:
PX(Far
East,
Hawaii)
M:
Other
Areas
ERAM
C1.
CERAMIC
0.
OLUF
0.
OLUF
Al.
ees
QV
AL
LeESV
P:
Canada
A
Indicates
safety
critical
component.

Related product manuals