EasyManua.ls Logo

Kenwood PS-430 - Scanned-image-14-0

Kenwood PS-430
116 pages
Print Icon
To Next Page IconTo Next Page
To Next Page IconTo Next Page
To Previous Page IconTo Previous Page
To Previous Page IconTo Previous Page
Loading...
JS-440S
CIRCUIT DESCRIPTION
 
  
   
   


   

   

    

  
   
 
󰇽󰇽
MIC
+
I

 i
󰇽 󰇽󰇽
 
I
I
I
.

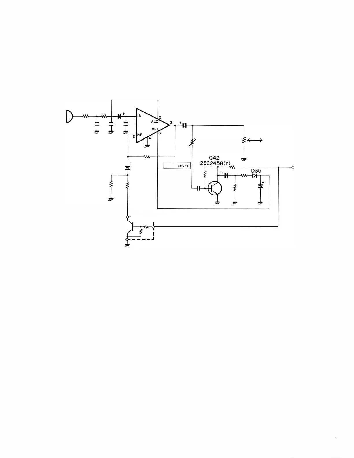
Fig. 11

M 

 
4. PLL Circuits
PLL5
Theory of PLL circuit operations
 
 
     
        
  
   
      

 
   

    
       
 
     

   
       
         
    

    
     
 
     󰇽 󰇽 
 
  
     
    
 
 
 
 

 

    

   
      
   


       
15

Table of Contents

Related product manuals