EasyManua.ls Logo

Kenwood PS-430 - Scanned-image-30-0

Kenwood PS-430
116 pages
Print Icon
To Next Page IconTo Next Page
To Next Page IconTo Next Page
To Previous Page IconTo Previous Page
To Previous Page IconTo Previous Page
Loading...
  


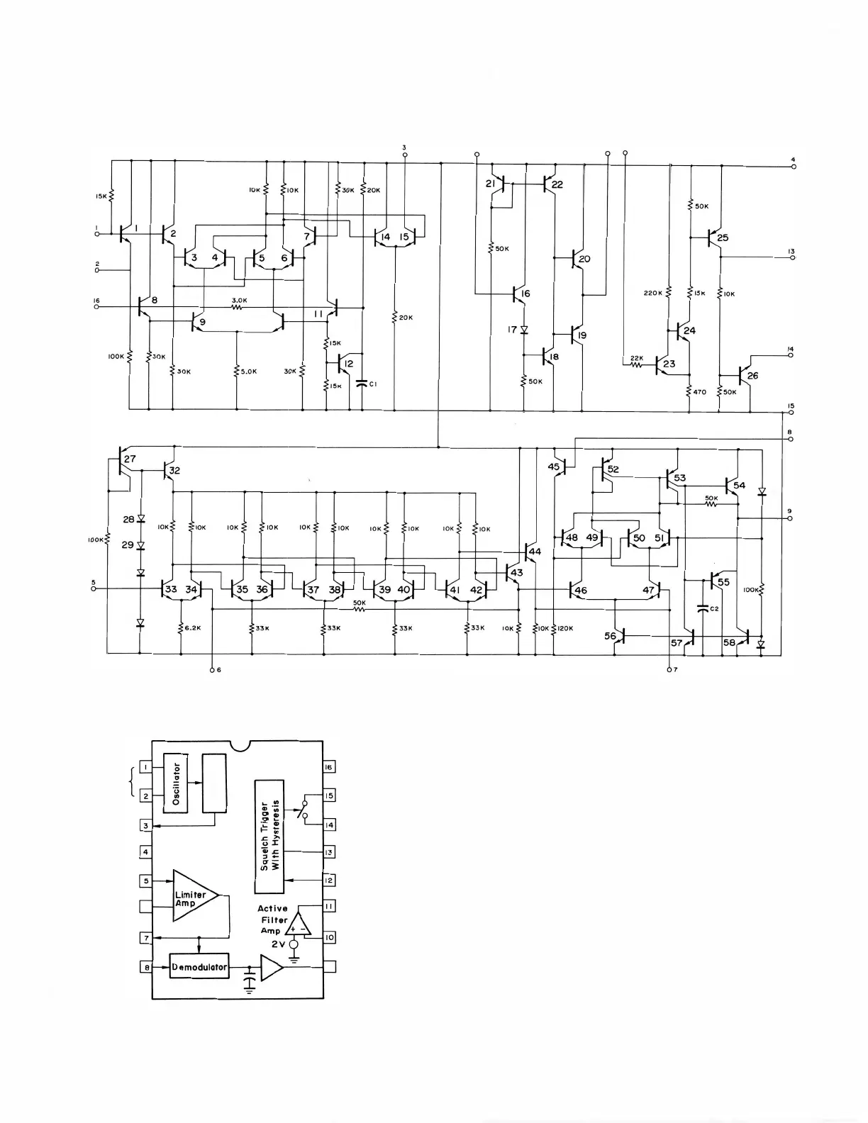
 (IF unit IC2)


i












SEMICONDUCTOR


















T
S
-440S


31

Table of Contents

Related product manuals