EasyManua.ls Logo

Kenwood PS-430 - Scanned-image-6-0

Kenwood PS-430
116 pages
Print Icon
To Next Page IconTo Next Page
To Next Page IconTo Next Page
To Previous Page IconTo Previous Page
To Previous Page IconTo Previous Page
Loading...
TS-440
S
CIRCUIT DESCRIPTION
๎˜ฃ๎˜…๎˜”๎˜‚๎˜„๎˜š๎˜†๎ž‘๎˜‘๎˜Ž๎˜ƒ๎˜๎ž‘๎˜Š๎˜‹๎˜๎ž‘๎˜ฑ๎™ฃ๎˜ฅ๎ž‘ ๎˜๎˜…๎˜‚๎ž‘ ๎˜„๎˜Ž๎˜๎ž‘ ๎˜‘๎˜๎˜ˆ๎ž‘ ๎˜…๎ฎ๎˜Š๎˜ƒ๎ž‘๎˜Š๎˜‹๎˜๎ž‘ ๎™Œ๎˜ฑ๎˜ฅ๎ž‘ ๎˜๎˜…๎˜‚๎ž‘ ๎˜ƒ๎˜‘๎ž‘๎˜Š๎˜‹๎˜๎ž‘๎™Œ๎˜พ๎ž‘
๎˜๎˜‚๎˜…๎˜Š๎ž‘ ๎˜๎˜…๎˜„๎ž‘๎˜Š๎˜‹๎˜๎ž‘๎˜Š๎˜Ž๎˜„๎˜‚๎˜†๎˜๎˜ค๎˜Š๎™ป๎˜Ž๎˜๎˜‰๎˜๎˜…๎˜๎˜๎ž‘๎˜†๎˜ž๎˜…๎˜Š๎˜‰๎˜‹๎˜…๎˜‚๎˜”๎ž‘๎˜Ž๎˜๎˜š๎˜„๎˜›๎˜“๎ž‘ ๎˜ฅ๎˜‹๎˜๎ž‘ ๎˜†๎˜ค๎˜”๎˜‚๎˜„๎˜–๎˜†๎ž‘๎˜Š๎˜‹๎˜๎˜‚๎ž‘
๎˜”๎˜ƒ๎ž‘๎˜Š๎˜ƒ๎ž‘๎˜Š๎˜‹๎˜๎ž‘๎˜ซ๎˜•๎ž‘
๎™
๎˜ป๎˜พ๎˜†๎ž‘๎˜Š๎˜‹๎˜Ž๎˜ƒ๎˜๎˜”๎˜‹๎ž‘๎˜Š๎˜‹๎›ฌ๎›ฎ๎˜„๎˜๎˜๎˜Ž๎ท๎™‘๎˜’๎ž‘ ๎™™๎˜•๎ž‘๎˜ˆ
๎™๎ž‘
๎˜„๎˜Š๎˜Š๎˜๎˜‚๎˜๎˜„๎˜Š๎˜ƒ๎˜Ž๎ž‘๎˜‰๎˜…๎˜Ž๎™ค
๎˜‰๎˜๎˜…๎˜Š๎˜œ๎ž‘ ๎˜Š๎˜‹๎˜๎ž‘ ๎˜‘๎˜…๎˜Ž๎˜†๎˜Š๎ž‘ ๎˜†๎˜Š๎˜„๎˜”๎˜๎ž‘๎˜ƒ๎˜‘๎ž‘๎˜Š๎˜‹๎˜๎ž‘ ๎˜‘๎˜…๎˜Ž๎˜†๎˜Š๎ž‘ ๎˜Ÿ๎˜พ๎ž‘ ๎˜Š๎˜Ž๎˜„๎˜๎ž‘๎˜‰๎˜…๎˜Ž๎˜‰๎˜๎˜…๎˜Š๎˜œ๎ž‘ ๎˜„๎˜‚๎˜ˆ๎ž‘๎˜Š๎˜‹๎˜๎ž‘ ๎˜š๎˜ƒ๎˜ž๎ž‘
๎˜๎˜„๎˜†๎˜†๎ž‘๎˜‘๎˜…๎˜š๎˜Š๎˜๎˜Ž๎˜†๎ž‘๎™‚๎˜ž๎˜‹๎˜…๎˜‰๎˜‹๎ž‘๎˜๎˜„๎˜†๎˜†๎ž‘๎˜ƒ๎˜‚๎˜š๎˜›๎ž‘ ๎˜ข๎˜•๎˜•๎ž‘๎˜น๎œซ๎˜ฐ๎ž‘๎˜ƒ๎˜Ž๎ž‘๎˜š๎˜๎˜†๎˜†๎˜ฆ๎˜’๎ž‘๎˜ฅ๎˜‹๎˜๎ž‘๎˜†๎˜…๎˜”๎˜‚๎˜„๎˜š๎ž‘๎˜Š๎˜‹๎˜๎˜‚๎ž‘
๎˜”๎˜ƒ๎˜๎˜†๎ž‘๎˜Š๎˜‹๎˜Ž๎˜ƒ๎˜๎˜”๎˜‹๎ž‘๎˜Š๎˜‹๎˜๎ž‘๎˜†๎˜๎˜‰๎˜ƒ๎˜‚๎˜ˆ๎ž‘๎˜†๎˜Š๎˜„๎˜”๎˜๎ž‘๎˜ƒ๎˜‘๎ž‘๎˜Š๎˜‹๎˜๎ž‘๎˜‘๎˜ค๎˜Ž๎˜†๎˜Š๎ž‘๎˜Ÿ๎˜พ๎ž‘๎˜Š๎˜Ž๎˜„๎˜๎ž‘๎˜‰๎˜…๎˜Ž๎˜‰๎˜๎˜ค๎˜Š๎˜œ๎ž‘๎˜„๎˜‚๎˜ˆ๎ž‘
๎˜…๎˜†๎ž‘๎˜๎˜…๎™‘๎˜๎˜ˆ๎ž‘ ๎˜ž๎˜…๎˜Š๎˜‹๎ž‘๎˜Š๎˜‹๎˜๎ž‘๎™ฉ๎˜  ๎™…๎ž‘ ๎˜†๎˜…๎˜”๎˜‚๎˜„๎˜š๎ž‘๎˜„๎˜‚๎˜ˆ๎ž‘๎˜‰๎˜ƒ๎˜‚๎˜๎˜๎˜Ž๎˜Š๎˜๎˜ˆ๎ž‘๎˜…๎˜‚๎˜Š๎˜ƒ๎ž‘๎˜Š๎˜‹๎˜๎ž‘๎˜‘๎˜…๎˜Ž๎˜†๎˜Š๎ž‘๎˜Ÿ๎˜พ๎ž‘
๎˜†๎˜…๎˜”๎˜‚๎˜„๎˜š๎ž‘๎˜ƒ๎˜‘๎ž‘๎˜ด๎˜ข๎˜’๎˜•๎˜ข๎ž‘๎˜ฌ๎˜ต๎˜ฐ๎ž‘๎˜…๎˜‚๎ž‘๎˜Š๎˜‹๎˜๎ž‘๎˜‘๎˜…๎˜Ž๎˜†๎˜Š๎ž‘๎˜๎˜…๎™‘๎˜๎˜Ž๎˜œ๎ž‘ ๎˜‰๎˜ƒ๎˜‚๎˜†๎˜ค๎˜†๎˜Š๎˜…๎˜‚๎˜”๎ž‘๎˜ƒ๎˜‘๎ž‘๎™‡๎˜ง๎ž‘๎˜„๎˜‚๎˜ˆ๎ž‘
๎™‡๎˜ด๎ž‘ ๎™‚๎˜ก๎˜ฃ๎™ท๎ž‘๎˜ซ๎˜ก๎˜ข๎›พ๎˜ข๎˜ฆ๎˜ณ๎ž‘ ๎˜ฅ๎˜‹๎˜๎ž‘ ๎™ฉ๎˜ ๎™…๎ž‘ ๎˜‰๎˜…๎˜Ž๎˜‰๎˜๎˜…๎˜Š๎ž‘ ๎˜‰๎˜ƒ๎˜‚๎˜†๎˜…๎˜†๎˜Š๎˜†๎ž‘ ๎˜ƒ๎˜‘๎ž‘๎™‡๎˜ก๎˜ซ๎ž‘ ๎˜Š๎˜ƒ๎ž‘ ๎™‡๎˜ก๎˜ด๎ž‘
๎™‚๎˜ก๎˜ฃ๎˜ ๎˜ก๎˜ฒ๎˜ฒ๎˜ช๎š๎˜ฆ๎ž‘ ๎˜„๎˜‚๎˜ˆ๎ž‘๎˜ƒ๎˜†๎˜‰๎˜…๎˜š๎˜š๎˜„๎˜Š๎˜๎˜†๎ž‘๎˜…๎˜‚๎ž‘๎˜‘๎˜ƒ๎˜๎˜Ž๎ž‘๎˜ฎ๎˜„๎˜‚๎˜ˆ๎˜†๎ž‘๎˜‘๎˜Ž๎˜ƒ๎˜๎ž‘ ๎˜ด๎˜ข๎˜’๎˜•๎˜ข๎ž‘๎˜ฌ๎™–๎˜ฐ๎ž‘
๎˜Š๎˜ƒ๎ž‘๎˜บ๎˜ข๎˜“๎˜•๎˜ข๎ž‘๎˜ฌ๎˜ต๎˜ฐ๎˜“๎ž‘ ๎™…๎˜†๎˜‰๎˜…๎˜š๎˜š๎˜„๎˜Š๎˜ƒ๎˜Ž๎ž‘๎˜‘๎˜Ž๎˜๎˜ฟ๎˜๎˜๎˜‚๎˜‰๎˜…๎˜๎˜†๎ž‘ ๎˜„๎˜Ž๎˜๎ž‘ ๎˜‰๎˜ƒ๎˜‚๎˜Š๎˜Ž๎˜ƒ๎˜š๎˜š๎˜๎˜ˆ๎ž‘ ๎˜ฎ๎˜›๎ž‘ ๎™ซ๎˜ ๎ž‘
๎˜†๎˜…๎˜”๎˜‚๎˜„๎˜š๎˜†๎ž‘ ๎˜‘๎˜Ž๎˜ƒ๎˜๎ž‘ ๎˜Š๎˜‹๎˜๎ž‘ ๎˜ป๎˜ฉ๎˜ฉ๎ž‘ ๎˜๎˜‚๎˜…๎˜Š ๎˜’๎ž‘
๎˜ฅ๎˜‹๎˜๎ž‘๎˜‘๎˜…๎˜Ž๎˜†๎˜Š๎ž‘๎˜Ÿ๎˜พ๎ž‘๎˜†๎˜…๎˜”๎˜‚๎˜„๎˜š๎ž‘ ๎˜ƒ๎˜‘๎ž‘๎˜ด๎˜ข๎˜“๎˜•๎˜ข๎ž‘๎˜ฌ๎˜ต๎˜ฐ๎ž‘๎˜…๎˜†๎ž‘๎˜๎˜„๎˜†๎˜†๎˜๎˜ˆ๎ž‘๎˜Š๎˜‹๎˜Ž๎˜ƒ๎˜๎˜”๎˜‹๎ž‘๎˜Š๎˜‹๎˜๎ž‘๎š‰๎˜ ๎˜พ๎ž‘
๎™‚๎˜พ ๎˜ซ๎ž‘๎˜ฆ๎˜œ๎ž‘๎˜ž๎˜‹๎˜…๎˜‰๎˜‹๎ž‘๎˜ค๎˜†๎ž‘๎˜๎˜†๎˜๎˜ˆ๎ž‘๎˜…๎˜‚๎ž‘๎˜ฎ๎˜ƒ๎˜Š๎˜‹๎ž‘ ๎˜Ž๎˜๎˜‰๎˜๎˜…๎˜๎˜๎ž‘๎˜„๎˜‚๎˜ˆ๎ž‘๎˜Š๎˜Ž๎˜„๎˜‚๎˜†๎˜๎˜…๎˜Š๎˜œ๎ž‘ ๎˜„๎˜‚๎˜ˆ๎ž‘๎˜…๎˜†๎ž‘๎˜„๎˜๎™ˆ
๎˜๎˜š๎˜…๎˜‘๎™ณ๎˜๎˜ˆ๎ž‘ ๎˜ฎ๎˜›๎ž‘ ๎˜Š๎˜‹๎˜๎ž‘ ๎˜‘๎˜ค๎˜Ž๎˜†๎˜Š๎ž‘ ๎š๎˜พ๎ž‘ ๎˜„๎˜๎˜๎˜š๎˜…๎˜‘๎˜…๎˜๎˜Ž๎ž‘๎™‡๎˜ข๎ž‘ ๎™‚๎˜ง๎˜ฃ๎™ท๎˜บ๎˜ด๎˜ฉ๎˜ฆ๎˜’๎ž‘ ๎˜Ÿ๎˜‚๎ž‘๎˜Š๎˜‹๎˜๎ž‘ ๎˜†๎˜๎˜‰๎˜ƒ๎˜‚๎˜ˆ๎ž‘
๎˜๎˜…๎™‘๎˜๎˜Ž๎˜œ๎ž‘ ๎˜‰๎˜ƒ๎˜‚๎˜†๎˜ค๎˜†๎˜Š๎˜…๎˜‚๎˜”๎ž‘๎˜ƒ๎˜‘๎ž‘๎™‡๎˜ฒ๎ž‘๎˜„๎˜‚๎˜ˆ๎ž‘๎™‡๎˜บ ๎™‚๎™™๎˜ฃ๎™ท ๎˜ซ๎™™๎˜ข๎˜ฆ๎˜œ๎ž‘๎˜Š๎˜‹๎˜๎ž‘๎˜‘๎˜…๎˜Ž๎˜†๎˜Š๎ž‘๎˜Ÿ๎˜พ๎ž‘๎˜†๎˜…๎˜”๎˜‚๎˜„๎˜š๎ž‘
๎˜…๎˜†๎ž‘๎˜๎˜…๎™‘๎˜๎˜ˆ๎ž‘ ๎˜ž๎˜…๎˜Š๎˜‹๎ž‘๎˜Š๎˜‹๎˜๎ž‘๎˜‹๎˜๎˜Š๎˜๎˜Ž๎˜ƒ๎˜ˆ๎˜›๎˜‚๎˜๎ž‘๎˜ƒ๎˜†๎˜‰๎˜…๎˜š๎˜š๎˜„๎˜Š๎˜ƒ๎˜Ž๎ž‘๎˜†๎˜…๎˜”๎˜‚๎˜„๎˜š๎ž‘๎™‚๎˜ง๎˜ฒ๎˜’๎˜ก๎˜ก๎ž‘๎˜ฌ๎œฌ๎˜ฐ๎˜ฆ๎ž‘
๎˜‘๎˜Ž๎˜ƒ๎˜๎ž‘๎˜Š๎˜‹๎˜๎ž‘ ๎˜ป๎˜ฉ๎˜ฉ๎ž‘๎˜‰๎˜…๎˜Ž๎˜‰๎˜๎˜…๎˜Š๎˜œ๎ž‘ ๎˜„๎˜๎น๎˜š๎˜…๎˜‘๎˜…๎˜๎˜ˆ๎ž‘ ๎˜ฎ๎˜›๎ž‘ ๎™‡๎˜ซ ๎™™๎ž‘ ๎™‚๎™™๎˜ฃ๎˜ ๎™™๎˜ฒ๎˜ฒ๎˜ช๎š๎˜ฆ๎ž‘๎˜Š๎˜ƒ๎ž‘ ๎˜ƒ๎˜ฎ๎šฌ
๎˜Š๎˜„๎˜…๎˜‚๎ž‘๎˜Š๎˜‹๎˜๎ž‘ ๎˜†๎˜๎˜‰๎˜ƒ๎˜‚๎˜ˆ๎ž‘ ๎˜Ÿ๎˜พ๎ž‘ ๎˜†๎˜…๎˜”๎˜‚๎˜„๎˜š๎ž‘ ๎™‚๎˜ช๎˜’๎˜ช๎˜ง๎ž‘๎˜ฌ๎˜ต๎˜ฐ๎˜ฆ๎˜“๎ž‘ ๎˜ฅ๎˜‹๎˜๎ž‘ ๎˜†๎˜๎˜‰๎˜ƒ๎˜‚๎˜ˆ๎ž‘ ๎˜Ÿ๎˜พ๎ž‘ ๎˜†๎˜…๎˜”๎˜‚๎˜„๎˜š๎ž‘
๎˜ƒ๎˜‘๎ž‘ ๎˜ช๎˜“๎˜ช๎˜ง๎ž‘๎˜ฌ๎™–๎˜ฐ๎ž‘ ๎˜”๎˜ƒ๎˜๎˜†๎ž‘๎˜Š๎˜‹๎˜Ž๎˜ƒ๎˜๎˜”๎˜‹๎ž‘๎˜Š๎˜‹๎˜๎ž‘๎˜”๎˜„๎˜Š๎˜๎ž‘๎˜ƒ๎˜‘๎ž‘๎˜Š๎˜‹๎˜๎ž‘๎˜‚๎˜ƒ๎˜…๎˜†๎˜๎ž‘๎˜ฎ๎˜š๎˜„๎˜‚๎˜น๎˜๎˜Ž๎˜“๎ž‘๎˜Ÿ๎˜‚๎ž‘
๎˜๎˜ƒ๎˜ˆ๎˜๎˜†๎ž‘๎˜ƒ๎˜Š๎˜‹๎˜๎˜Ž๎ž‘๎˜Š๎˜‹๎˜„๎˜‚๎ž‘๎™“๎˜ฌ๎ž‘๎˜œ๎ž‘๎˜Š๎˜‹๎˜๎ž‘๎˜†๎˜…๎˜”๎˜‚๎˜„๎˜š๎ž‘๎˜Š๎˜‹๎˜๎˜‚๎ž‘๎˜”๎˜ƒ๎˜๎˜†๎ž‘๎˜Š๎˜‹๎˜Ž๎˜ƒ๎˜๎˜”๎˜‹๎ž‘๎˜Š๎˜‹๎˜๎ž‘๎˜ฌ๎˜ ๎˜พ๎ž‘
๎™‚๎™“๎˜ก๎˜ฆ๎ž‘๎˜„๎˜‚๎˜ˆ๎ž‘๎˜…๎˜†๎ž‘๎˜‘๎˜๎˜ˆ๎ž‘๎˜…๎˜‚๎˜Š๎˜ƒ๎ž‘๎˜Š๎˜‹๎˜๎ž‘๎˜Ÿ๎˜พ๎ž‘ ๎˜๎˜‚๎˜…๎˜Š๎ž‘๎˜Š๎˜‹๎˜Ž๎˜ƒ๎˜๎˜”๎˜‹๎ž‘๎˜ฎ๎˜๎˜‘๎˜‘๎˜๎˜Ž๎ž‘ ๎˜„๎˜๎˜๎˜š๎˜…๎˜‘๎˜…๎˜๎˜Ž๎˜†๎ž‘ ๎™‡๎˜ช๎ž‘
๎˜„๎˜‚๎˜ˆ๎ž‘๎™‡๎š•๎ž‘ ๎™‚๎™™๎˜ฃ๎˜ ๎˜ก๎˜ฒ๎˜ฒ๎˜ช๎š๎˜ฆ๎˜“๎ž‘
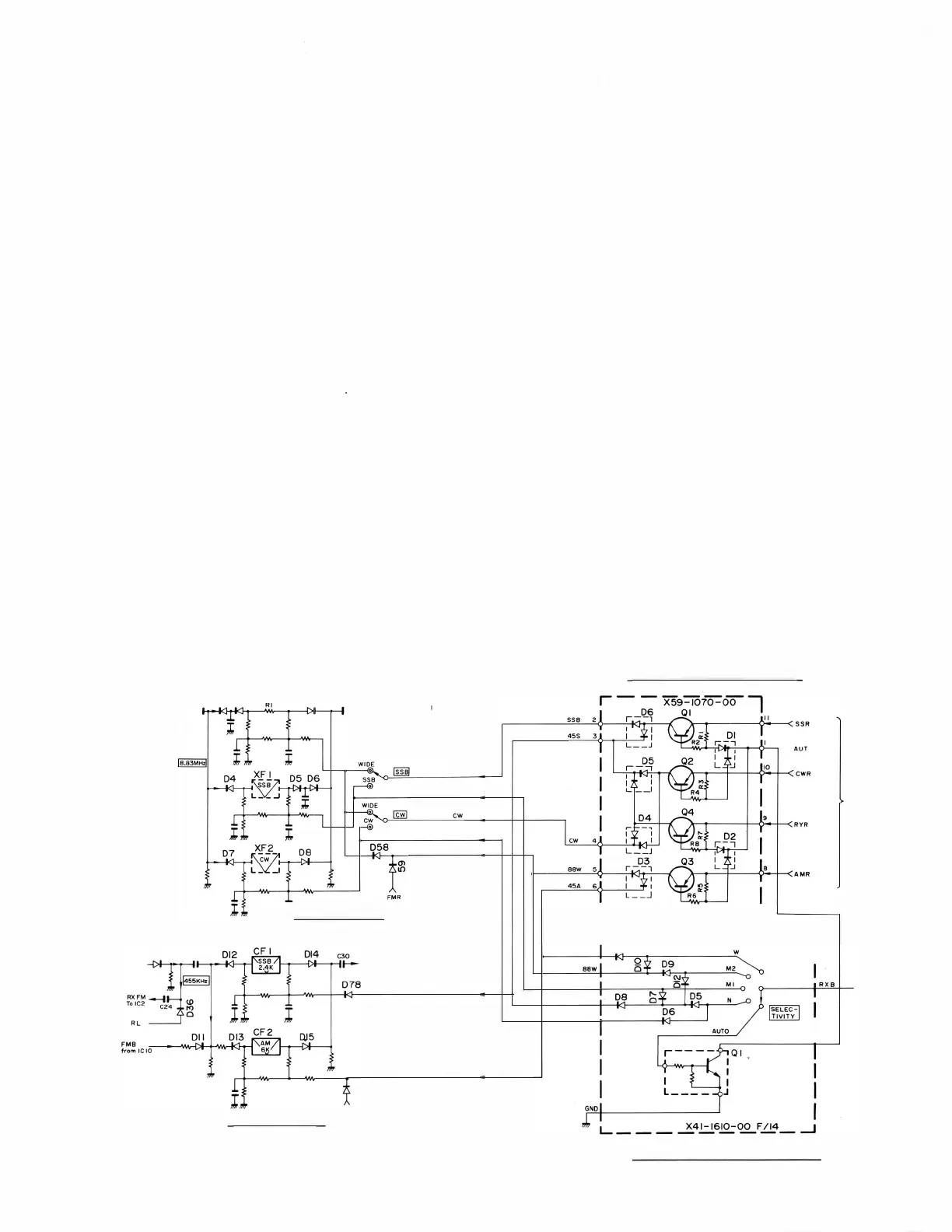
1 ) Selectivity circuit
๎˜พ๎˜…๎˜”๎˜๎˜Ž๎˜๎ž‘ ๎˜ด๎ž‘ ๎™ณ๎˜†๎ž‘ ๎˜„๎ž‘ ๎˜†๎˜๎˜š๎˜๎˜‰๎˜Š๎˜…๎˜๎™ณ๎˜Š๎˜›๎ž‘ ๎˜‰๎™ณ๎˜Ž๎˜‰๎˜๎˜ค๎˜Š๎ž‘ ๎˜ˆ๎ก๎˜„๎˜”๎˜Ž๎˜„๎˜๎˜’๎ž‘ ๎˜Ÿ๎˜‚๎ž‘ ๎˜„๎˜๎˜Š๎˜ƒ๎ž‘๎˜๎˜ƒ๎˜ˆ๎˜๎˜œ๎ž‘ ๎˜Š๎˜‹๎˜๎ž‘
๎˜„๎˜๎˜๎˜Ž๎˜ƒ๎˜๎˜Ž๎˜…๎˜„๎˜Š๎˜๎ž‘๎˜ฎ๎˜„๎˜‚๎˜ˆ๎˜ž๎˜…๎˜ˆ๎˜Š๎˜‹๎ž‘๎˜‘๎˜…๎˜š๎˜Š๎˜๎˜Ž๎ž‘๎˜…๎˜†๎ž‘๎˜„๎˜๎˜Š๎˜ƒ๎˜๎˜„๎˜Š๎˜…๎˜‰๎˜„๎˜š๎˜š๎˜›๎ž‘๎˜†๎˜๎˜š๎˜๎˜‰๎˜Š๎˜๎˜ˆ๎ž‘๎˜„๎˜‰๎˜‰๎˜ƒ๎˜Ž๎˜ˆ๎™ˆ
๎™ณ๎˜‚๎˜”๎ž‘๎˜Š๎˜ƒ๎ž‘๎˜๎˜ƒ๎˜ˆ๎˜๎˜“๎ž‘๎™”๎˜‹๎˜๎˜‚๎ž‘๎˜„๎˜‚๎ž‘๎˜ƒ๎˜๎˜Š๎˜…๎˜ƒ๎˜‚๎˜„๎˜š๎ž‘๎˜‘๎˜…๎˜š๎˜Š๎˜๎˜Ž๎ž‘๎˜…๎˜†๎ž‘๎˜๎˜†๎˜๎˜ˆ๎˜œ๎ž‘๎˜Š๎˜ž๎˜ƒ๎ž‘๎˜‘๎™ณ๎˜š๎˜Š๎˜๎˜Ž๎˜†๎ž‘๎˜„๎˜Ž๎˜๎ž‘
๎˜„๎˜๎˜„๎˜…๎˜š๎˜„๎˜ฎ๎˜š๎˜๎˜“๎ž‘ ๎˜ฅ๎˜„๎˜ฎ๎˜š๎˜๎˜†๎ž‘ ๎˜ก๎ž‘ ๎˜„๎˜‚๎˜ˆ๎ž‘๎˜ง๎ž‘ ๎˜†๎˜‹๎˜ƒ๎˜ž๎˜†๎ž‘๎˜Š๎˜‹๎˜๎ž‘ ๎˜๎˜„๎˜Ž๎˜…๎˜ƒ๎˜๎˜†๎ž‘ ๎˜‰๎˜ƒ๎˜๎˜ฎ๎˜…๎˜‚๎˜„๎˜Š๎˜…๎˜ƒ๎˜‚๎˜†๎ž‘
"?if'
๎˜ฎ๎š†๎œž๎ฒŒ
C25
๎˜ฎ๎ชˆ๎ฒŒ ๎˜ฎ๎ฅ‰๎ฒŒ
๎˜ฎ๎ฅ”๎ฒŒ
๎œ†๎ฆ“๎ฒŒ
๎˜…
๎˜ก
๎˜†
๎˜
๎˜‚
๎˜‡๎™
๎ต๎ข
To ๎คž๎™ท๎ฒŒ
๎บŽ๓ฐ‡ฝ
๓ฐ†ธ๓ฐ‡ฝ
๓ฐ†น๓ฐ‡ฝ
๎žƒ๎ฒŒ
๎ฎง๎ฎจ๎ฒŒ
๎™ด๎ฒŒ
, ๎ช‘๎ช’๓ฐ‡ฝ
l ๎ฌผ๎ฃœ๎ฅพ๎ฅœ๎ซœ๎œŽ๎๎ฒŒ๎ช๎˜™๎ฒŒ๎œช๎œŠ๎š๎ฌŽ๎šˆ๎šŒ๎ซฃ๎ฒŒ
๎ญด๎ฏง๎๎ฎฎ๎ฒŒ๎ชš๎ฉ ๎ช›๎œŸ๎ฒŒ
๎ฅฅ๎›Ÿ๎›Ÿ๎ซ‹๎œŽ๎๎ฒŒ๎ชž๎ฉณ๎ฒŒ๎œช๎œŠ๎š๎ฌ๎šˆ๎šŒ๎ซค๎ฒŒ
๎ ธ๎ น๎ฒŒ
๎ บ๎ ป๎ฒŒ
๎™ด๎ฒŒ
๎ฉฒ๎ฑค๎ฌ๎ฒŒ
๎ญต๎ฏจ๎๎ฎฏ๎ฒŒ๎ชœ๎ฉŸ๎ซ‚๎œŸ๎ฒŒ
SSB
BBS
๎ญŠ๎ฐต๎ฒŒ
BBC
BBW
๎˜–๎™†๎ฅฒ๎ฒŒ
๎˜–๎™†๎›พ๎ฒŒ
๎™”๎˜‹๎˜๎˜‚๎ž‘๎˜Š๎˜‹๎˜๎ž‘๎˜ƒ๎˜๎˜Š๎˜…๎˜ƒ๎˜‚๎˜„๎˜š๎ž‘๎˜ช๎˜“๎˜ช๎˜ง๎ž‘ ๎˜ฌ๎˜ต๎˜ฐ๎ž‘๎˜‘๎˜ค๎˜–๎˜Š๎˜๎˜Ž๎ž‘๎˜ค๎˜†๎ž‘ ๎˜‰๎˜ƒ๎˜‚๎˜‚๎˜๎˜‰๎˜Š๎˜๎˜ˆ๎˜œ๎ž‘๎˜Š๎˜‹๎˜๎ž‘๎˜†๎˜๎˜‰๎˜ƒ๎˜‚๎˜ˆ๎ž‘
๎˜Ÿ๎˜พ๎ž‘๎˜†๎˜…๎˜”๎˜‚๎˜„๎˜š๎ž‘๎˜…๎˜†๎ž‘๎˜Š๎˜‹๎˜๎˜‚๎ž‘๎˜‘๎˜๎˜ˆ๎ž‘๎˜‘๎˜Ž๎˜ƒ๎˜๎ž‘๎˜Š๎˜‹๎˜๎ž‘๎˜Ÿ๎˜พ๎ž‘๎˜๎˜‚๎˜…๎˜Š๎ž‘๎˜…๎˜‚๎˜Š๎˜ƒ๎ž‘๎˜Š๎˜‹๎˜๎ž‘๎˜ƒ๎˜๎˜Š๎˜ค๎˜ƒ๎˜‚๎˜„๎˜–๎ž‘๎˜‘๎˜…๎˜š๎˜Š๎˜๎˜Ž๎˜’๎ž‘
๎˜Ÿ๎˜‚๎ž‘๎˜Š๎˜‹๎˜๎ž‘๎˜Š๎˜‹๎˜ค๎˜Ž๎˜ˆ๎ž‘ ๎˜๎˜ค๎™‘๎˜๎˜Ž๎˜œ๎ž‘ ๎˜‰๎˜ƒ๎˜‚๎˜†๎˜…๎˜†๎˜Š๎˜…๎˜‚๎˜”๎ž‘๎˜ƒ๎˜‘๎ž‘๎™‡๎˜ซ๎ž‘ ๎˜„๎˜‚๎˜ˆ๎ž‘๎™‡๎™™๎ž‘๎™‚๎˜ง๎˜ฃ๎™ฑ๎˜บ๎˜ง๎š€๎™Œ๎˜ฆ๎˜œ๎ž‘๎˜Š๎˜‹๎˜๎ž‘
๎˜†๎˜๎˜‰๎˜ƒ๎˜‚๎˜ˆ๎ž‘๎˜Ÿ๎˜พ๎ž‘๎˜†๎˜ค๎˜”๎˜‚๎˜„๎˜š๎ž‘๎˜…๎˜†๎ž‘๎˜๎˜ค๎™‘๎˜๎˜ˆ๎ž‘๎˜ž๎˜…๎˜Š๎˜‹๎ž‘ ๎˜ช๎˜’๎˜ง๎˜บ๎˜ข๎ž‘๎˜ฌ๎˜ต๎˜ฐ๎ž‘๎˜†๎˜…๎˜”๎˜‚๎˜„๎˜–๎ž‘๎˜”๎˜๎˜‚๎˜๎˜Ž๎˜„๎˜Š๎˜๎˜ˆ๎ž‘
๎˜ฎ๎˜›๎ž‘ ๎˜Ÿ๎˜พ๎ž‘๎˜๎˜‚๎˜…๎˜Š๎š‘๎˜†๎ž‘๎˜‹๎˜๎˜Š๎˜๎˜Ž๎˜ƒ๎˜ˆ๎˜›๎˜‚๎˜๎ž‘๎˜ƒ๎˜†๎˜‰๎˜ค๎˜–๎˜–๎˜„๎˜Š๎˜ƒ๎˜Ž๎ž‘๎˜‰๎˜ค๎˜Ž๎˜‰๎˜๎˜ค๎˜Š๎˜œ๎ž‘ ๎˜‰๎˜ƒ๎˜‚๎˜†๎˜ค๎˜†๎˜Š๎˜…๎˜‚๎˜”๎ž‘๎˜ƒ๎˜‘๎ž‘๎™‡๎˜ข๎˜ง๎ž‘
๎˜„๎˜‚๎˜ˆ๎ž‘๎™‡๎˜ข๎˜ด๎ž‘๎™‚๎˜ก๎˜ฃ๎˜ ๎™™๎˜ด๎˜ข๎˜ช๎š๎˜ฆ๎˜œ๎ž‘๎˜„๎˜‚๎˜ˆ๎ž‘๎˜‰๎˜ƒ๎˜‚๎˜๎˜๎˜Ž๎˜Š๎˜๎˜ˆ๎ž‘๎˜…๎˜‚๎˜Š๎˜ƒ๎ž‘๎˜Š๎˜‹๎˜๎ž‘๎˜Š๎˜‹๎˜…๎˜Ž๎˜ˆ๎ž‘๎˜Ÿ๎˜พ๎ž‘๎˜†๎˜…๎˜”๎˜‚๎˜„๎˜š๎ž‘
๎™‚๎˜ด๎˜ข๎˜ข๎ž‘ ๎˜น๎˜ต๎˜ฐ๎˜ฆ๎˜’๎ž‘ ๎˜ฅ๎˜‹๎˜๎ž‘ ๎˜Š๎˜‹๎˜…๎˜Ž๎˜ˆ๎ž‘ ๎˜Ÿ๎˜พ๎ž‘ ๎˜†๎˜ค๎˜”๎˜‚๎˜„๎˜š๎ž‘ ๎˜ค๎˜†๎ž‘ ๎˜Š๎˜‹๎˜๎˜‚๎ž‘ ๎˜„๎˜๎˜๎˜– ๎˜ค๎˜‘๎˜…๎˜๎˜ˆ๎ž‘ ๎˜ฎ๎˜›๎ž‘ ๎™‡๎˜ข๎ž‘
๎™‚๎˜ง๎˜ฃ๎™ท๎˜บ๎˜ง๎œจ๎™Œ๎˜ฆ๎˜’๎ž‘๎˜ฑ๎ž‘ ๎˜ˆ๎˜…๎˜ƒ๎˜ˆ๎˜๎ž‘ ๎˜†๎˜ž๎˜…๎˜Š๎˜‰๎˜‹๎ž‘ ๎˜…๎˜†๎ž‘ ๎˜๎˜†๎˜๎˜ˆ๎ž‘๎˜Š๎˜ƒ๎ž‘ ๎˜Ž๎˜ƒ๎˜๎˜Š๎˜๎ž‘๎˜Š๎˜‹๎˜๎ž‘๎˜†๎˜…๎˜”๎˜‚๎˜„๎˜š๎ž‘๎˜Š๎˜ƒ๎ž‘
๎˜๎˜…๎˜Š๎˜‹๎˜๎˜Ž๎ž‘๎˜Š๎˜‹๎˜๎ž‘๎™“๎˜ฌ๎ž‘๎˜ƒ๎˜Ž๎ž‘๎˜ฃ๎˜ฃ
๎™๎ž‘
๎˜‰๎˜…๎˜Ž๎˜‰๎˜๎˜…๎˜Š๎˜†๎š…๎ž‘
๎˜Ÿ๎˜‚๎ž‘๎˜ฃ๎˜ฃ๎œฝ๎ž‘ ๎˜๎˜ƒ๎˜ˆ๎˜๎˜œ๎ž‘ ๎˜Š๎˜‹๎˜๎ž‘๎˜Š๎˜‹๎˜ค๎˜Ž๎˜ˆ๎ž‘ ๎˜Ÿ๎˜พ๎ž‘๎˜†๎˜…๎˜”๎˜‚๎˜„๎˜š๎ž‘๎˜”๎˜ƒ๎˜๎˜†๎ž‘ ๎˜Š๎˜‹๎˜Ž๎˜ƒ๎˜๎˜”๎˜‹๎ž‘๎˜Š๎˜‹๎˜๎ž‘๎˜ฃ๎˜ฃ
๎™๎ž‘
๎˜‰๎˜๎˜Ž๎™ˆ
๎˜„๎˜๎˜…๎˜‰๎ž‘๎˜‘๎˜…๎˜š๎˜Š๎˜๎˜Ž๎ž‘ ๎™‚๎™ž๎˜พ๎˜ง๎˜ฆ๎˜’๎ž‘๎˜Ÿ๎˜‚๎ž‘๎˜ฑ๎˜ฌ๎ž‘๎˜๎˜ƒ๎˜ˆ๎˜๎˜œ๎ž‘๎˜Š๎˜‹๎˜๎ž‘๎˜Š๎˜‹๎˜ค๎˜Ž๎˜ˆ๎ž‘ ๎˜Ÿ๎˜พ๎ž‘๎˜†๎˜ค๎˜”๎˜‚๎˜„๎˜–๎ž‘๎˜”๎˜ƒ๎˜๎˜†๎ž‘๎˜Š๎˜‹๎˜Ž๎˜ƒ๎˜๎˜”๎˜‹๎ž‘
๎˜Š๎˜‹๎˜๎ž‘๎˜ฑ๎˜ฌ๎ž‘๎˜‰๎˜๎˜Ž๎˜„๎˜๎˜ค๎˜‰๎ž‘๎˜‘๎˜…๎˜–๎˜Š๎˜๎˜Ž๎ž‘๎™‚๎™ž๎˜พ๎˜ด๎˜ฆ๎˜’๎ž‘๎˜Ÿ๎˜‚๎ž‘๎˜๎˜…๎˜Š๎˜‹๎˜๎˜Ž๎ž‘๎˜๎˜ƒ๎˜ˆ๎˜๎˜œ๎ž‘ ๎˜Š๎˜‹๎˜๎ž‘๎˜Š๎˜‹๎˜…๎˜Ž๎˜ˆ๎ž‘๎˜Ÿ๎˜พ๎ž‘๎˜†๎˜ค๎˜”๎›’
๎˜‚๎˜„๎˜š๎ž‘๎˜…๎˜†๎ž‘๎˜Š๎˜‹๎˜๎˜‚๎ž‘๎˜„๎˜๎˜๎˜–๎˜…๎˜‘๎˜…๎˜๎˜ˆ๎ž‘๎˜ฎ๎˜›๎ž‘๎™‡๎˜บ๎ž‘๎˜„๎˜‚๎˜ˆ๎ž‘๎™‡๎˜ช๎ž‘๎™‚๎˜ง๎˜ฃ๎™ท๎˜บ๎˜ง๎š€๎™Œ๎˜ฆ๎ž‘๎˜„๎˜‚๎˜ˆ๎ž‘๎˜ˆ๎˜๎˜Š๎˜๎˜‰๎˜Š๎˜๎˜ˆ๎š…๎ž‘
๎˜Ÿ๎˜‚๎ž‘๎˜พ๎˜ฌ๎ž‘๎˜๎˜ƒ๎˜ˆ๎˜๎˜œ๎ž‘๎˜Š๎˜‹๎˜๎ž‘๎˜Š๎˜‹๎˜ค๎˜Ž๎˜ˆ๎ž‘ ๎˜Ÿ๎˜พ๎ž‘๎˜†๎˜ค๎˜”๎˜‚๎˜„๎˜š๎ž‘๎˜”๎˜ƒ๎˜๎˜†๎ž‘๎˜Š๎˜‹๎˜Ž๎˜ƒ๎˜๎˜”๎˜‹๎ž‘๎˜Š๎˜‹๎˜๎ž‘๎˜พ๎˜ฌ๎ž‘๎˜‰๎˜๎˜Ž๎˜„๎˜๎˜…๎˜‰๎ž‘
๎˜‘๎˜ค๎˜š๎˜Š๎˜๎˜Ž๎ž‘๎™‚๎™ž๎˜พ๎˜ข๎˜ฆ๎˜’๎ž‘ ๎˜ฅ๎˜‹๎˜๎ž‘ ๎˜†๎˜ค๎˜”๎˜‚๎˜„๎˜š๎ž‘ ๎˜ค๎˜†๎ž‘ ๎˜Š๎˜‹๎˜๎˜‚๎ž‘๎˜†๎˜๎˜‚๎˜Š๎ž‘ ๎˜Š๎˜ƒ๎ž‘๎˜Š๎˜‹๎˜๎ž‘ ๎˜พ๎˜ฌ๎ž‘ ๎˜Ÿ๎˜พ๎˜œ๎ž‘ ๎˜Ÿ๎˜ ๎˜ก๎ž‘ ๎™‚๎˜ฌ๎˜ ๎ž‘
๎˜ง๎˜ง๎˜ข๎˜บ๎˜ฆ๎ž‘๎˜‘๎˜ƒ๎˜Ž๎ž‘๎˜„๎˜๎˜๎˜š๎˜…๎˜‘๎˜…๎˜‰๎˜„๎˜Š๎˜ค๎˜ƒ๎˜‚๎ž‘๎˜„๎˜‚๎˜ˆ๎ž‘๎˜ˆ๎˜๎˜Š๎˜๎˜‰๎˜Š๎˜…๎˜ƒ๎˜‚๎˜’๎ž‘๎˜Ÿ๎˜  ๎™™๎ž‘ ๎†๎˜–๎˜†๎˜ƒ๎ž‘๎˜‰๎˜ƒ๎˜‚๎˜Š๎˜„๎˜…๎˜‚๎˜†๎ž‘๎˜„๎˜‚๎ž‘
๎˜พ๎˜ฌ๎ž‘๎˜‚๎˜ƒ๎˜…๎˜†๎˜๎ž‘ ๎˜†๎˜ฟ๎˜๎˜๎˜š๎˜‰๎˜‹๎ž‘ ๎˜‰๎˜…๎˜Ž๎˜‰๎˜๎˜…๎˜Š๎˜’๎ž‘
๎˜ฅ๎˜‹๎˜๎ž‘๎˜ˆ๎˜๎˜Š๎˜๎˜‰๎˜Š๎˜๎˜ˆ๎ž‘๎˜ฃ๎˜ฃ
๎™
๎™ป๎˜ฑ๎˜ฌ๎ž‘๎˜†๎˜ค๎˜”๎˜‚๎˜„๎˜š๎ž‘ ๎˜ค๎˜†๎ž‘๎˜๎˜„๎˜†๎˜†๎˜๎˜ˆ๎ž‘๎˜Š๎˜‹๎˜Ž๎˜ƒ๎˜๎˜”๎˜‹๎ž‘๎˜Š๎˜‹๎˜๎ž‘๎˜‚๎˜ƒ๎˜Š๎˜‰๎˜‹๎ž‘๎˜‰๎˜…๎˜Ž๎™ˆ
๎˜‰๎˜๎˜…๎˜Š๎˜œ๎ž‘ ๎˜‰๎˜ƒ๎˜‚๎˜†๎˜…๎˜†๎˜Š๎˜ค๎˜‚๎˜”๎ž‘๎˜ƒ๎˜‘๎ž‘๎˜‹๎˜›๎˜ฎ๎˜Ž๎˜…๎˜ˆ๎ž‘ ๎˜Ÿ๎˜ ๎ž‘ ๎˜Ÿ๎˜  ๎˜ซ๎ž‘ ๎™‚
๎™
๎™ž๎˜ฒ๎˜ซ ๎™™๎˜ด๎˜ฆ๎ž‘๎˜„๎˜‚๎˜ˆ๎ž‘๎˜†๎˜ฟ๎˜๎˜๎˜š๎˜‰๎˜‹๎ž‘๎˜”๎˜„๎˜Š๎˜๎ž‘
๎™‡๎˜ซ๎˜ก๎ž‘ ๎™‚๎˜ก๎˜ฃ๎˜ ๎˜ก๎˜ด๎˜ข๎š•
๎™
๎˜ฉ๎˜ฆ๎˜’๎ž‘ ๎˜ฅ๎˜‹๎˜๎ž‘ ๎˜†๎˜…๎˜”๎˜‚๎˜„๎˜š๎ž‘๎˜Š๎˜‹๎˜๎˜‚๎ž‘ ๎˜”๎˜ƒ๎˜๎˜†๎ž‘ ๎˜Š๎˜‹๎˜Ž๎˜ƒ๎˜๎˜”๎˜‹๎ž‘ ๎˜Š๎˜‹๎˜๎ž‘ ๎˜ฑ๎˜พ๎ž‘
๎˜๎˜ƒ๎›ฉ๎˜๎˜๎˜๎ž‘ ๎˜‰๎˜ƒ๎˜‚๎˜Š๎˜Ž๎˜ƒ๎˜š๎ž‘ ๎˜„๎˜‚๎˜ˆ๎ž‘ ๎˜…๎˜†๎ž‘ ๎˜„๎˜๎˜๎˜š๎˜…๎˜‘๎˜…๎˜๎˜ˆ๎ž‘ ๎˜Š๎˜ƒ๎ž‘๎˜Š๎˜‹๎˜๎ž‘ ๎˜„๎˜๎˜๎˜Ž๎˜ƒ๎˜๎˜Ž๎˜…๎˜„๎˜Š๎˜๎ž‘๎˜š๎˜๎˜๎˜๎˜š๎ž‘ ๎˜ฎ๎˜›๎ž‘
๎˜ฑ๎™“๎ž‘ ๎˜„๎˜๎˜๎˜š๎˜…๎˜‘๎˜…๎˜๎˜Ž๎ž‘ ๎˜Ÿ๎˜ ๎˜บ๎ž‘ ๎™‚๎™จ๎˜ป๎˜ ๎˜ก๎˜•๎˜•๎˜ก๎™ฉ๎˜ฆ๎˜“๎ž‘
๎˜ƒ๎˜‘๎ž‘๎˜ฎ๎˜„๎˜‚๎˜ˆ๎˜ž๎˜ค๎˜ˆ๎˜Š๎˜‹๎ž‘๎˜„๎˜๎˜„๎˜…๎˜š๎˜„๎˜ฎ๎˜–๎˜๎ž‘๎˜ž๎˜‹๎˜๎˜‚๎ž‘๎˜ƒ๎˜๎˜Š๎˜ค๎˜ƒ๎˜‚๎˜„๎˜š๎ž‘๎˜‘๎˜…๎˜š๎˜Š๎˜๎˜Ž๎˜†๎ž‘๎˜„๎˜Ž๎˜๎ž‘ ๎˜๎˜†๎˜๎˜ˆ๎˜’๎ž‘ ๎˜Ÿ๎˜‚๎ž‘ ๎˜พ๎˜ฌ๎ž‘
๎˜๎˜ƒ๎˜ˆ๎˜๎˜œ๎ž‘ ๎˜Š๎˜‹๎˜๎ž‘ ๎˜†๎˜๎˜š๎˜๎˜‰๎˜Š๎˜…๎˜๎˜…๎˜Š๎˜›๎ž‘ ๎˜†๎˜ž๎˜ค๎˜Š๎˜‰๎˜‹๎ž‘๎˜ˆ๎˜ƒ๎˜๎˜†๎ž‘๎˜‚๎˜ƒ๎˜Š๎ž‘ ๎˜ƒ๎˜๎˜๎˜Ž๎˜„๎˜Š๎˜๎ž‘ ๎˜„๎˜‚๎˜ˆ๎ž‘๎˜„๎ž‘ ๎˜†๎˜ค๎˜‚๎˜”๎˜š๎˜๎ž‘
๎˜ˆ๎˜๎˜ˆ๎˜…๎˜‰๎˜„๎˜Š๎˜๎˜ˆ๎ž‘๎˜พ๎˜ฌ๎ž‘๎˜‘๎˜…๎˜š๎˜Š๎˜๎˜Ž๎ž‘๎˜…๎˜†๎ž‘ ๎˜๎˜†๎˜๎˜ˆ๎˜’๎ž‘ ๎™…๎˜๎˜Š๎˜…๎˜ƒ๎˜‚๎˜„๎˜–๎ž‘๎˜‘๎˜ค๎˜–๎˜Š๎˜๎˜Ž๎˜†๎ž‘ ๎˜ƒ๎˜๎˜๎˜Ž๎˜„๎˜Š๎˜๎ž‘ ๎˜ƒ๎˜‚๎˜š๎˜›๎ž‘ ๎˜…๎˜‚๎ž‘
๎˜Ž๎˜๎˜‰๎˜๎˜…๎˜๎˜๎ž‘ ๎˜„๎˜‚๎˜ˆ๎ž‘ ๎˜„๎˜Ž๎˜๎ž‘ ๎˜†๎˜๎˜๎˜„๎˜Ž๎˜„๎˜Š๎˜๎ž‘๎˜‘๎˜Ž๎˜ƒ๎˜๎ž‘๎˜Š๎˜‹๎˜๎ž‘๎˜‘๎˜…๎˜–๎˜Š๎˜๎˜Ž๎˜†๎ž‘ ๎˜๎˜†๎˜๎˜ˆ๎ž‘ ๎˜ค๎˜‚๎ž‘๎˜Š๎˜Ž๎˜„๎˜‚๎˜†๎˜๎˜…๎˜Š๎˜’๎ž‘
๎˜–๎™†๎›พ๎ฒŒ
BBS
๎˜–๎™†๎ฅณ๎ฒŒ
BBC
๎ฉธ๎ซข๎ซฏ๎ฒŒ
๎ปช๏—๏Œฐ๏Š–๓ฐ‡ฝ ๏Œ„๏€จ๏ˆ‘๏€จ๎พ“๏Œฐ๏„ก๏ง๏„ก๏Œฐ๏Ž›๓ฐ‡ฝ ๎พ“๏Š–๏‰ต๏Œฐ๏‹ฅ๏Š–๏ˆ‘๓ฐ‡ฝ
๏ˆง๓ฐ‡ฝ๎ …๎ †๎™ฆ๎™ฆ๎™ง๎™ง๎ข๏ท๓ฐ‡ฝ
๎กž๎ฆ–๎ฆ—๎ฆ–๎ฆ˜๎ฆ–๎ฆ™๎ฆ–๎ฆš๎ฆ™๎ก๓ฐ‡ฝ
๎˜ฎ๎š˜๎š˜๎ฒŒ
๎š‘๎›ฎ
๎ซพ๎ฌœ๎ฉ—๎ฒŒ
๎š๎›ฎ๎žš๎Ÿ•๎Ÿ’๎ข
๎ญถ๎ฏฉ๎ฏˆ๎ฎฐ๎ฒŒ
๎ซƒ๎š๎šˆ๎šŒ๎ฒŒ
Fig . 4 Selectivity control circuit
๏‰Š๎ปช๏‰ต๏—๎ปช๏ˆ‘๓ฐ‡ฝ๏Œ„๏€จ๏ˆ‘๏€จ๎พ“๏Œฐ๏„ก๏ง๏„ข๏Œฐ๏Ž›๓ฐ‡ฝ ๎พ“๏Š–๏‰ต๏Œฑ๏‹ฅ๏Š–๏ˆ‘๓ฐ‡ฝ
7

Table of Contents