EasyManua.ls Logo

Kenwood PS-430 - Scanned-image-19-0

Kenwood PS-430
116 pages
Print Icon
To Next Page IconTo Next Page
To Next Page IconTo Next Page
To Previous Page IconTo Previous Page
To Previous Page IconTo Previous Page
Loading...
TS-440S

CIRCUIT DESCRIPTION
  
   



   


 
  









  

  
󰇽
󰇽


 

󰂄󰁑󰇽 󰁣󰁒󰇽



󰇽
󰇽
󰇽
󰇽
󰇽
󰇽
󰇽



󰇽
󰇽


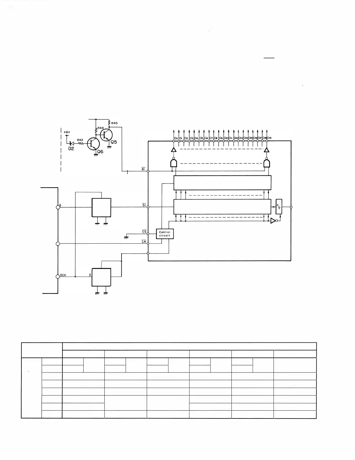
IC3 TC4013BP A/2

󰇽
 
󰇽

󰇽 󰇽


IC3
󰇽
TC4013BP 8/2



󰇽
󰇽

󰇽 󰇽


      
    

  


 


   


         

   
 
         







  
   
 



 


   
  
 






       
 
󰀫󰇽



 




 



























 

 











  

















 

 



Table  Key scan matrix

Table of Contents

Related product manuals