EasyManua.ls Logo

Kenwood SP-430 - Scanned-image-6-0

Kenwood SP-430
116 pages
Print Icon
To Next Page IconTo Next Page
To Next Page IconTo Next Page
To Previous Page IconTo Previous Page
To Previous Page IconTo Previous Page
Loading...
TS-440
S
CIRCUIT DESCRIPTION
       
   

 


        
 

   
 
        
  
     
     
 
   
        
   
 
       
        
  

   
 
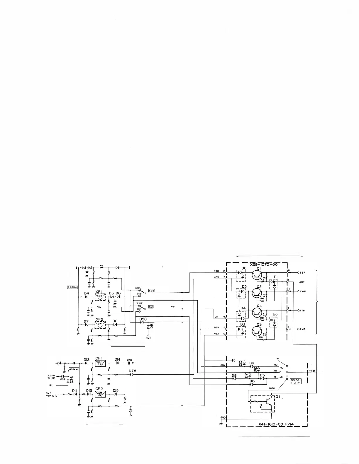
1 ) Selectivity circuit
         


      
"?if'

C25
 




To 
󰇽
󰆸󰇽
󰆹󰇽



, 󰇽
l 







SSB
BBS

BBC
BBW


  

   
 
  

           
     



    


  
 

 
         
  
  

 
    
 
 
      
       
   
   
      
     
     

BBS

BBC

󰇽 󰇽 󰇽
󰇽󰇽
󰇽






Fig . 4 Selectivity control circuit
󰇽󰇽 󰇽
7

Table of Contents

Related product manuals