EasyManua.ls Logo

KFI SE35 - SwitchWiringDiagram; CableHookStopperInstallationAndUse

KFI SE35
21 pages
Print Icon
To Next Page IconTo Next Page
To Next Page IconTo Next Page
To Previous Page IconTo Previous Page
To Previous Page IconTo Previous Page
Loading...
9
SE35
Cable Hook Stopper Installation and Use
1. Freespool winch and pull out approx. 2 feet of synthetic rope.
2. Assemble cable hook stopper as shown to the right with the at
portion of the two halves resting against your fairlead. Tighten
fasteners.
3. To stow hook, engage clutch and retract synthetic rope onto
winch spool until hook is snug against the hook stopper and
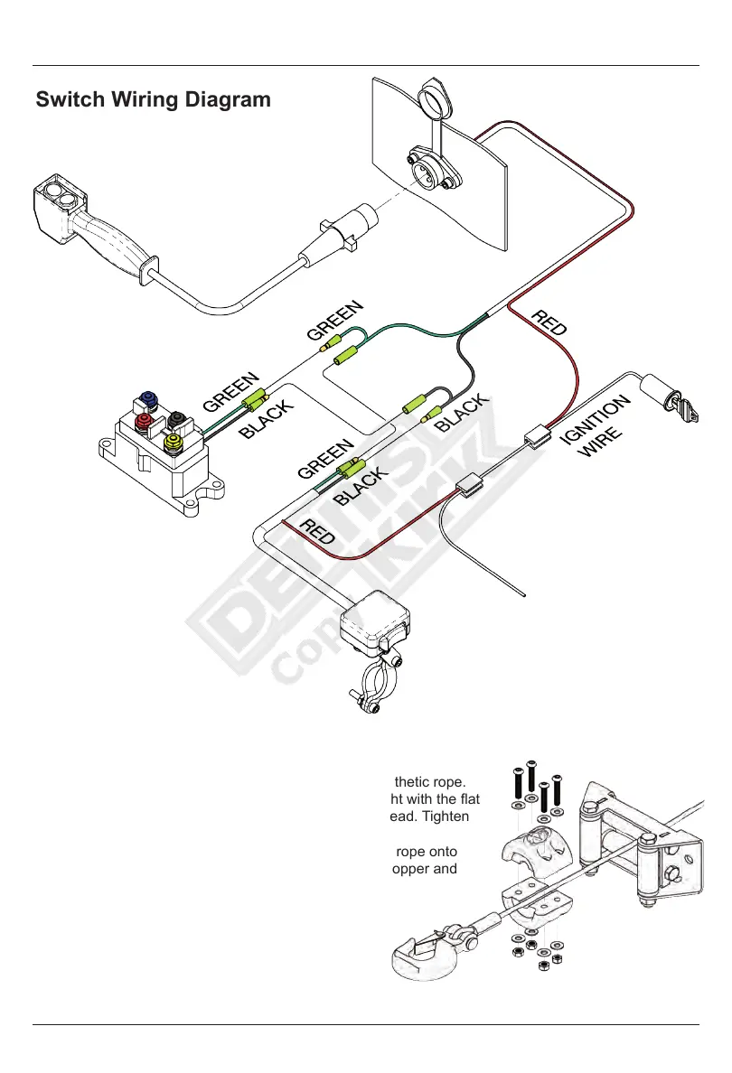
Switch Wiring Diagram
Installation
fairlead
4. Position hook stopper at approx. ¾ of the total line
distance towards hook while using your winch to
help reduce whip back in the event of synthetic
rope breakage.

Related product manuals